БуранРефераты >> Авиация и космонавтика >> Буран
|
|
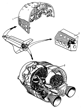
К основным блокам ОДУ (слева) относятся базовый (3), два хвостовых (БДУ-Н, БДУ-Л) (2) и носовой блоки (1), а также соединяющие их пневмогидравлические магистрали. |
Манипулятор ОК "Буран" Манипулятор для космического корабля "Буран" (СБМ) был разработан в Государственном научном центре - Центральном научно-исследовательском и опытно-конструкторском институте робототехники и технической кибернетики (ГНЦ ЦНИИ РТК РФ) (Санкт-Петербург). На "Буране" в штатных полетах предполагалось использовать до двух одинаковых манипулятора. Бурановский манипулятор имеет сходную с RMS (манипулятор Space Shuttle) кинематическую схему. Он состоит из шести вращательных степеней подвижности и имеет одну транспортную степень (для начальной установки в грузовом отсеке корабля). Звенья манипулятора изготовлены из углепластика. Работа с манипулятором возможна в автоматическом и ручном режимах управления. Технические характеристики: Число степеней свободы: 6 вращательных Грузоподъемность: 30 т Рабочая зона: сфера радиусом 15.5 м Масимальная скорость:
- 30 см/сек (без груза)
- 10 см/сек (с грузом)
- Движение пустого схвата сопровождается колебаниями с амплитудой 7-10 см и частотой 0.5-1 Гц.
- При работе с грузом около 1 т амплитуда колебаний схвата за счет суммарной упругости (основная упругость сосредоточена в шарнирах и в схвате в месте крепления груза) составила 50 см.
- Остановка груза весом 1.5 т и 6 т сопровождается колебательным переходным процессом со временем затухания порядка 2 и 4 минут соответственно.
- "Буран", под ред.члена-корр.РАН Ю.П.Семенова, М.:Машиностроение, 1995, 448 стр.;
- Журнал "Новости Космонавтики", М.:Видеокосмос, 1994-1998гг. (в частности, 11/152 1997, материалы о "Скиф-ДМ");
- "Космонавтика", энциклопедия, М.:Советская энциклопедия, 1985, 528 стр.
- "Авиация", энциклопедия под ред.Г.Л.Свищева, М.:Большая Российская Энциклопедия, 1994, 736 стр.
- "Авиационно-космические системы", сборник статей под ред. Г.Е.Лозино-Лозинского и А.Г.Братухина, М.:Изд-во МАИ, 1997, 416 стр.
- "Техническая информация" ОНТИ ЦАГИ, 1421 ( 15, август 1981г.)
- "Ракетно-космическая корпорация ЭНЕРГИЯ имени С.П.Королева", Менонсовполиграф, 1996, 670 стр.
Оглавление
Введение……………………………………………………………………….… 1
· Внешняя конфигурация
· Внутренняя компоновка, конструкция
· Двигательная установка и бортовое оборудование
· Геометрические и весовые характеристики
· Выведение на орбиту
· Возвращение с орбиты
История создания ОК “БУРАН”……………………………………………3
Многоразовая космическая система "Энергия - Буран" Орбитальный корабль "Буран"……………………………………………………………………………8
Компоновка ОК "Буран"…………………………………………………… 28
Пояснения………………………………………………………………………30
· Объединенная Двигательная Установка (ОДУ)
1. Маршевый двигатель
2. Двигатели управления
· Манипулятор ОК "Буран"………………………………………………………33
Список литературы………………………………………………………………………….35
