Проектирование микроконтроллера на базе МК51Рефераты >> Программирование и компьютеры >> Проектирование микроконтроллера на базе МК51
![]() |
![]() |
На входе имеются две емкости: керамический конденсатор для устранения кратковременных пиков тока, возникающих при переключениях транзисторов и электролитический - для поддержания входного напряжения постоянным при его медленных колебаниях.
На выходе также имеются керамические конденсаторы, емкость которых будет рассчитана ниже.
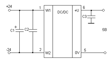
Схема подключения интегральных импульсного преобразователя:
Конденсатор на входе преобразователя имеет емкость 470мкФ.
DA1 Импульсный преобразователь DCP022405P
Выходная мощность . 2Вт
Выходное напряжение 5В
Входное напряжение 24В
DA1 Импульсный преобразователь DCP022415DP
Выходная мощность . 2Вт
Выходное напряжение ±15В
Входное напряжение 24В
Конденсаторы:
C1 К50 – 16 50В 470мкФ +50 -20%
C2, C3 К50 – 16 50В 10мкФ +50 -20%
C4 К50 – 16 50В 10мкФ +50 -20%
4. Конструирование контроллера
Конструкция контроллера представляет собой плату печатную, вдвижную. Для выполнения основной печатной платы рекомендуется использовать двусторонний фольгированный стеклотекстолит марки ФТС2-35 ТУ 16-503.161-83. Двустороннее фольгирование выбрано из соображений уменьшения плотности расположения проводников и уменьшения размеров основной печатной платы устройства. Плату изготовить фотохимическим способом. Дорожки на плате травление по «позитиву». Размеры печатной платы определяются в соответствии с ГОСТ 2.109-73.
Для увеличения жесткости печатной платы монтировать на специальную рамку, отлитую с лицевой панелью из легкого алюминиевого сплава АЛ9. Толщина рамки и панели - 3 мм. Плата крепить к рамке при помощи стяжных винтов М3.
На лицевой панели расположены отверстия под светодиоды, кнопка сброса.
Крепление кнопки сброса производится «под гайку» на передней панели.
Внешний разъем типа РШ2Н-2-16. Разъем - электрический соединитель для печатного монтажа, расположение штырьков линейное. Предназначен для работы в электрических цепях постоянного и переменного тока с частотами до 3 МГц и цепях импульсного тока.
Рекомендуемый тип припоя – ПОС 60 ГОСТ 21930-76.
Конструкция блока представляет из себя алюминиевое шасси, на котором закреплена печатная плата. Шасси блока одновременно является и направляющей при установке блока в основное (либо управляемое) устройство. На передней панели закреплены кнопка сброса и индикаторы. Плата соединена с кнопкой сброса гибкими проводами.
Разработка программного обеспечения
При выборе микропроцессорной системы управления существенно уменьшается количество дискретных элементов. Что упрощает систему, и, следовательно, повышает ее надежность. С другой стороны отказ самого микропроцессора (само по себе это явление редкое, чаще сказываются ошибки проектирования) ведет к выходу абсолютно всей системы. В то же время появляется необходимость в управляющей программе. Каждый тип микропроцессора обладает рядом только ему присущих особенностей: архитектурой, набором команд, функциональными возможностями и так далее. Все это было принято к сведению при написании программы для спроектированной системы управления.
Программа была написана на языке ассемблера для МК-51 с использованием системы отладки AVSIM51. Далее приводится алгоритм работы программы, листинг программы и hex файл, представляющий собой образ ПЗУ предназначенный непосредственно для прошивки в микросхему.
Алгоритм работы программы.
Используя особенность микропроцессора МК-51 работать с отдельными битами (булев процессор) данное задание можно выполнить напрямую запрограммировав все состояния и условия переходов.
![]() |
2500 A.D. 8051 Macro Assembler - Version 4.02a
------------------------------------------------
Input Filename : kurs.asm
Output Filename : kurs.obj
1 ;
2 ;
3 ;
4 ;
5 ;
6
7 ;Для удобства именуем переменные состояния
8 0020 X0: EQU 20h
9 0021 X2: EQU 21h
10 0022 X3: EQU 22h
11 0023 X4: EQU 23h
12 0024 X5: EQU 24h
13
14 0040 R_N: EQU 55h ;задержка для антидребезговой подпрограммы
15 0001 R_C: REG R1 ;именуем регистр для антидребезговой подпрограммы
16 0000
17 0025 PER: EQU 25h ;временная переменная для сравнения
18 0000
19 0000 BSECT ;переход к битовой секции
20
21 ;Задаем имена переменных для обозначения входных параметров
22 0090 S1:REG P1.0 ;
23 0091 S2:REG P1.1 ;
24 0092 S3:REG P1.2 ;
25 0093 U1:REG P1.3 ;
26 0094 U3:REG P1.4 ;
27 0095 U7:REG P1.5 ;
28 0096 L40:REG P1.6 ;
29 0097 L100:REG P1.7 ;
30 00B1 L50:REG P3.1 ;
31 00B2 INDL50:REG P3.2 ;
32 0000
33 ;Задание имен переменных для индикации выходных величин
34 0000
35 0080 IND:REG P0.0 ;имя переменной для обозначения порта индикации
36 0000
37 ;Начало программы располагаем по адресу 30h
38 0000 02 00 30 JMP x0
39 0030 ORG 30H
40
41 ;Обработка состояния X0
42 0030 C3 x0: CLR C ;сбрасываем флаг переноса C
43 0031 75 A0 FF MOV P2, #11111111b ;обнуляем выходы порта P2 (Q2,Q1,Q0)
44 0034 12 00 91 CALL drbzg ;вызов подпрограммы обработки дребезга
45 0037 12 00 AA CALL xx0 ;вызов подпрограммы обработки условия X0
46 003A A2 20 MOV C,X0 ;записываем в C 1, если X0=1
47 003C 40 43 JC x5 ;переход на метку x5, если перенос C=1
48 003E 02 00 41 JMP x1 ;иначе переход на метку x1
49
50
51 ;Обработка состояния X1
52 0041 C3 x1: CLR C
53 0042 75 A0 F6 MOV P2, #11110110b ;записываем в P2 значения выходов и индикации
54 0045 12 00 91 CALL drbzg
55 0048 A2 96 MOV C,L40
56 004A 40 E4 JC x0
57 004C 02 00 71 JMP x4
58
59
60 ;Обработка состояния X2
61 004F C3 x2: CLR C
62 0050 75 A0 DB MOV P2, #11011011b
63 0053 12 00 91 CALL drbzg
64 0056 12 00 B1 CALL xx2
65 0059 A2 21 MOV C,X2
66 005B 40 03 JC x3
67 005D 02 00 71 JMP x4
68
69 ;Обработка состояния X3
70 0060 C3 x3: CLR C
71 0061 75 A0 ED MOV P2, #11101101b
72 0064 12 00 91 CALL drbzg
73 0067 12 00 C1 CALL xx3
74 006A A2 22 MOV C,X3
75 006C 40 D3 JC x1
76 006E 02 00 71 JMP x4
77
78
79 ;Обработка состояния X4
80 0071 C3 x4: CLR C
81 0072 75 A0 E4 MOV P2, #11100100b



