Интеллектуальный дом и применение локальных сетей в структуре интелектуального домаРефераты >> Программирование и компьютеры >> Интеллектуальный дом и применение локальных сетей в структуре интелектуального дома
Понятие локальная вычислительная сеть (англ. LAN-Local Area Network) относится к географически ограниченным (территориально или производственно) аппаратно-программным реализациям, в которых несколько компьютерных систем связанны друг с другом с помощью соответствующих средств коммуникаций. Благодаря такому соединению пользователь может взаимодействовать с другими рабочими станциями, подключенными с этой ЛВС.
Существует два основных типа сетей: одноранговые и сети на основе сервера. В одноранговой сети все компьютеры равноправны т.е. нет иерархии среди компьютеров и нет выделенного (англ. dedicated) сервера. Как правило, каждый компьютер функционирует и как клиент, и как сервер; иначе говоря, нет отдельного компьютера, ответственного за администрирование всей сети. Все пользователи самостоятельно решают, какие данные на своем компьютере сделать общедоступным по сети. На сегодняшний день одноранговые сети бесперспективны. Если к сети подключено более 10 пользователей, то одноранговая сеть, где компьютеры выступают в роли и клиентов, и серверов, может оказаться недостаточно производительной. Поэтому большинство сетей используют выделенные серверы. Выделенным называется такой сервер, который функционирует только как сервер (исключая функции клиента или рабочей станции). Они специально оптимизированы для быстрой обработки запросов от сетевых клиентов и для управления защитой файлов и каталогов. Сети на основе сервера стали промышленным стандартом. Существуют и комбинированные типы сетей, совмещающие лучшие качества одноранговых сетей и сетей на основе сервера.
В производственной практики ЛВС играют очень большую роль. Посредством ЛВС в систему объединяются персональные компьютеры, расположенные на многих удаленных рабочих местах, которые используют совместно оборудование, программные средства и информацию. Рабочие места сотрудников перестают быть изолированными и объединяются в единую систему. Все ЛВС работают в одном стандарте, принятом для компьютерных сетей - в стандарте Open Systems Interconnection (OSI).
Глобальные сети. В настоящее время в мире зарегистрировано более 200 глобальных сетей. Глобальные сети (как и локальные) состоят из компьютеров, соединенных каналами связи. Глобальные вычислительные сети (ГВС) всего мира объедены между собой с помощью Internet.
Для работы в ГВС пользователю необходимо иметь соответствующее аппаратное и программное обеспечение. В простейшем случае из аппаратных средств нужно дополнительно установить модем, с помощью которого осуществляется связь по телефонной линии (например, из квартиры).
Программное обеспечение делится на два класса:
- программы-серверы, размещенные на том узле сети, который обслуживает компьютер пользователя;
- программы-клиенты, которые находятся на компьютере пользователя и пользуются услугами сервера.
Глобальные сети предоставляют пользователям разнообразные услуги:
- работа с распределенными базами данных,
- электронная почта,
- телеконференции,
- общение в реальном масштабе времени,
- пересылка файлов и т.д.
Каждая услуга (иногда говорят служба, сервис) работает по определенным правилам (протоколам).
Для реализации каждой сетевой услуги требуются своя программа-сервер и своя программа-клиент. Например, существуют почтовые серверы и клиенты, серверы и клиенты телеконференций (новостей). В то же время современные программы-навигаторы (исследователи, браузеры, обозреватели) постепенно берут на себя функции отдельных служб глобальной сети и становятся “универсальными” клиентами.
Термин “сервер” имеет второе значение.
Сервером называют также и компьютер, на котором установлены программы-серверы. На одном сервере-компьютере может работать сразу несколько программ-серверов.
2.2. Проводные сети (Ethenet)
[7] Для объединения компьютеров в локальную четь требуется вставить в каждый подключаемый к сети компьютер сетевой контроллер(адаптер), который позволяет компьютеру получать информацию из локальной сети и передавать данные в сеть, а также соединить компьютеры кабелями, по которым происходит передача данных между компьютерами, а также другими подключенными к сети устройствами (принтерами, сканерами и т.д.).
В некоторых типах сетей кабели соединяют компьютеры непосредственно, в других соединение кабелей осуществляется через специальные устройства – концентраторы (или хабы), коммутаторы и др. В небольших сетях обычно компьютеры сети соединяются кабелями с концентратором, который и передает сигналы от одних подключенных к нему компьютеров к другим.
В зависимости от способа соединения различают следующие топологии:
2.2.1. Топологии
-Общая шина:
рис. 1
Все компьютеры подключаются к одному кабелю (шине данных). На концах кабеля устанавливаются терминаторы, служащие для гашения сигнала.
рис. 2
Их наличие для сетей Ethernet обязательно. По такой топологии строятся 10 Мегабитные сети 10Base-2 и10Base-5. В качестве кабеля используется коаксиальный кабель. Повреждение общего кабеля или любого из двух терминаторов приводит к выходу из строя участка сети между этими терминаторами (сегмента сети). Отключение любого из подключенных устройств на работу сети никакого влияния не оказывает.
10Base-2 или тонкий Ethenet
|
Основная используемая топология |
общая шина |
|
Используемый провод |
коаксиальный кабель 50 Ом, тонкий |
|
Максимальная длина сегмента |
185 метров |
|
Минимальное расстояние между точками подключения |
0,5 метра |
|
Максимальное количество точек подключения к сегменту |
30 |
|
Максимальное количество сегментов в сети |
5 |
|
| |
|
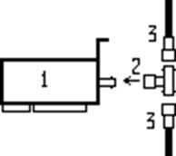
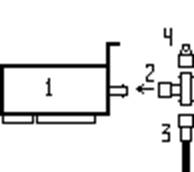
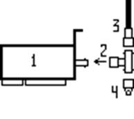
|
1 - сетевая карта, установленная в компьютере 2 - Т-коннектор 3 - разъемы на концах кабеля 4 - терминатор |
|
|
