Кодирование речевой информацииРефераты >> Программирование и компьютеры >> Кодирование речевой информации
Также возможна аппаратная реализация схемы формирования кода, но принципиального значения это не имеет, поскольку быстродействие здесь роли не играет - код формируется при положенной трубке, а это время больше минуты.
Программа составлена для процессора i80386 и оперирует расширенными (32-разрядными) регистрами. Можно, конечно, реализовать ее на более дешевом процессоре (из семейства SISC - это i8086, i8080, i80186 или i80286), но программа усложнится, к тому же увеличится время выполнения программы, но это не главное; самое главное, что кодирование речи также осуществляется программно, и здесь время выполнения программы критично. Также можно реализовать программу на RISC-процессоре. Этот способ более перспективный.
Генераторы м-последовательностей
Генератор ПСП1
|
Формирование ПСП происходит аппаратно, хотя можно осуществить это программным способом, используя МП i80386 с его 32-раз-рядными регистрами. Время выполнения и, следовательно, частота, на которой работают элементы, некритичны, поскольку формирование ПСП и самого ключа происходит в то время, когда трубка покоится на базовом аппарате. |
| Регистр сдвига | ||||
|
| 2 | 3 | 4 | 5 |
![]()
![]()
![]()
=1
Генератор ПСП2
| Регистр сдвига | ||||
|
| 2 | 3 | 4 | 5 |
=1
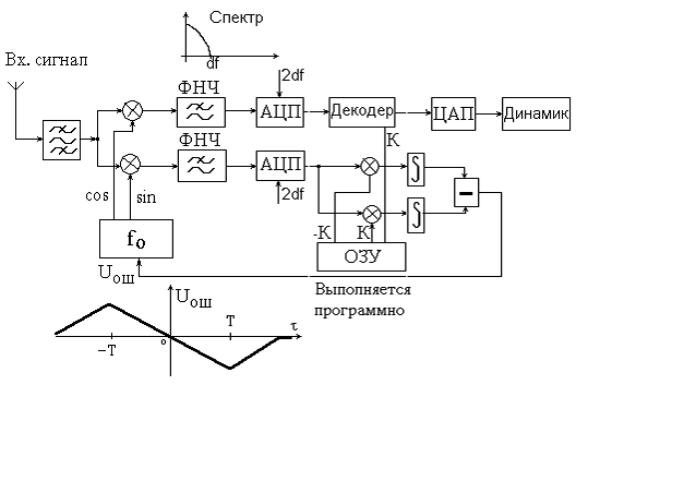
Структурная схема приема сигнала

На представленной схеме приемника отражены основные, принципиальные моменты приема сигнала.
Итак, фазоманипулированный сигнал (см. диаграмму внизу) приходит с высокочастотной части приемника (здесь не изображена) и попадает на полосовой фильтр, пропускающий конкретный диапазон частот. Таким образом устраняются помехи , имеющие частоту вне пропускаемого диапазона.
Затем сигнал идет на блоки умножения, на которые также подается с опорного кварцевого термостатированного генератора . Сигналов два, они сдвинуты по фазе относительно друг друга на 180 градусов. Это необходимо для последующего сравнения. Итак, цепь разветвилась. После умножения получается сигнал, изображенный на диаграмме. (моделирование в Matlab 4.2c)
После сигнал подается на фильтр нижних частот, сглаживающих сигнал (см. диаграмму 2 и 3 ниже). Если фаза сигнала опорного генератора совпадает с пришедшим сигналом, мы имеем нечто похожее на
Затем сигнал подается на АЦП, причем частота дискретизации выбрана таким образом, что на каждый элемент приходится два отсчета (см. диаграмму 4 ниже). Это необходимо для надежного декодирования сигнала.
Декодирование выполняется путем умножения (программного) оцифрованных отсчетов на ключ. Сигнал свертывается, и из 31-разрядного кода получается один бит полезной информации, которая затем по уровню анализируется и делается вывод о пришедшей информации: это 1 или 0.
Вторая ветвь схемы служит для фазовой автоподстройки во время разговора. Сигнал умножается (программно) на ключ и инверсное значение ключа, затем сглаживается в интеграторе. Далее формируется сигнал ошибки, который, будучи поданным на опорный генератор, подстраивает его фазу по максимальному абсолютному значению напряжения ошибки.
|
1. 2. 3. 4. |
|
Вх. сигнал После умножения и филь-трации После оцифровки |
|
|
Схема передачи сигнала
Схема передатчика несравненно более проста по сравнению со схемой приемника. Это объясняется определенностью, что передавать, тогда как сигнал на входе приемника невозможно предугадать.
Оценка быстродействия
Если исходить из предположения, что частота, с которой оцифровывать речь, равна 8 кГц, а АЦП двенадцатиразрядный, то получим следующие данные:
Частота прихода сигнала на кодер (декодер)
fкод/декод=fд*Nразр АЦП=8*103*12=96 кГц
Тформ ПСП=1/fкод/декод=10,4 мкс
При использовании микропроцессора i80386 с тактовой частотой 33 Мгц:
Ттакт МП=1/fМП=30,3 нс
Допустимое количество тактов для выполнения программы кодирования или декодирования (необходимо учесть, что при приеме кроме декодирования выполняется умножение на ключ и его инверсию для системы ФАПЧ):
