Конструирование микросхем и микропроцессоровРефераты >> Программирование и компьютеры >> Конструирование микросхем и микропроцессоров
Задание на курсовое проектирование
|
В |
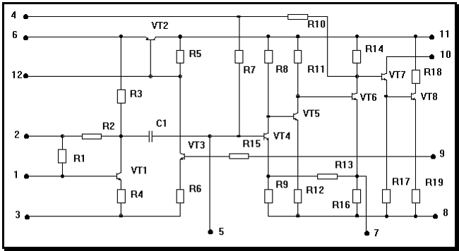
данном курсовом проекте требуется разработать комплект конструкторской документации интегральной микросхемы К 237 ХА2. По функциональному назначению разрабатываемая микросхема представляет собой усилитель промежуточной частоты. Микросхема должна быть изготовлена по тонкопленочной технологии методом свободных масок (МСМ) в виде гибридной интегральной микросхемы (ГИМС).
|
|
Рис. 1. Схема электрическая принципиальная
Таблица 1. Номиналы элементов схемы:
|
Элемент |
Номинал |
Элемент |
Номинал |
Элемент |
Номинал |
Элемент |
Номинал |
|
R1 |
950 Ом |
R7 |
4,25 кОм |
R13 |
1 кОм |
R19 |
1 кОм |
|
R2 |
14 кОм |
R8 |
12,5 кОм |
R14 |
3,5 кОм |
C1 |
3800 пФ |
|
R3 |
45 кОм |
R9 |
500 Ом |
R15 |
10 кОм |
VT1-VT8 |
КТ 312 |
|
R4 |
35 кОм |
R10 |
3 кОм |
R16 |
3,5 кОм |
E |
7,25 В |
|
R5 |
12,5 кОм |
R11 |
10 кОм |
R17 |
2,5 кОм | ||
|
R6 |
950 Ом |
R12 |
500 Ом |
R18 |
1 кОм |
Для подачи на схему входного сигнала и снятия выходного к микросхеме требуется подключить некоторое количество навесных элементов. Одна из возможных схем включения приведена на следующем рисунке.
Рис. 2. Возможная схема включения
Таблица 2. Номиналы элементов схемы включения
|
Элемент |
Номинал |
Элемент |
Номинал |
|
RA |
8,2 кОм |
CB |
1 мкФ |
|
RB |
43 Ом |
CC |
0,033 мкФ |
|
RC |
2,2 кОм |
CD |
0,015 мкФ |
|
RD |
1,5 кОм |
CE |
4700 пФ |
|
CA |
3300 пФ |
CF |
3300 пФ |
Технические требования:
Конструкцию микросхемы выполнить в соответствии с электрической принципиальной схемой по тонкопленочной технологии методом свободных масок в корпусе.
Микросхема должна удовлетворять общим техническим условиям и удовлетворять следующим требованиям:
¨ предельная рабочая температура - 150° С;
¨ расчетное время эксплуатации - 5000 часов;
¨ вибрация с частотой - 5-2000 Гц;
¨ удары многократные с ускорением 35;
¨ удары однократные с ускорением 100;
¨ ускорения до 50.
Вид производства - мелкосерийное, объем - 5000 в год.
Аннотация
|
Ц |
елью данного курсового проекта является разработка интегральной микросхемы в соответствии с требованиями, приведенными в техническом задании. Микросхема выполняется методом свободных масок по тонкопленочной технологии.
В процессе выполнения работы мы выполнили следующие действия и получили результаты:
- произвели электрический расчет схемы с помощью программы электрического моделирования “VITUS”, в результате которого мы получили необходимые данные для расчета геометрических размеров элементов;
- произвели расчет геометрических размеров элементов и получили их размеры, необходимые для выбора топологии микросхемы;
- произвели выбор подложки для микросхемы и расположили на ней элементы, а также в соответствии с электрической принципиальной схемой сделали соединения между элементами;
- выбрали корпус для микросхемы с тем расчетом, чтобы стандартная подложка с размещенными элементами помещалась в один из корпусов, рекомендуемых ГОСТом 17467-79.
Введение
|
П |
риведем принципы работы и основные характеристики разрабатываемой микросхемы:
