Электричество в живых организмах
где u – скорость более быстрого иона, v - скорость более медленного иона, R – универсальная газовая постоянная, F - число Фарадея, T – температура, и предположить, что мембрана для анионов не проницаема, то есть v = 0, то можно видеть, что должны появляться большие значения для Vд:
Vм=(RT/ F)*ln C1 /C2
Таким образом, Оствальд объединил формулу Нернста и знание о полупроницаемых мембранах. Он предположил, что свойствами такой мембраны объясняются потенциалы мышц и нервов и удивительное действие электрических органов рыб.
Решающий шаг сделал ученый школы Дюбуа-Раймонда Юлиус Бернштейн. Он объяснил электрические свойства мышц и нервов не устройством этих органов в целом, а свойствами клеток, из которых состоят все ткани и органы. Наконец-то, был прямо указан “виновник”, создающий “животное электричество”, - клеточная мембрана, а “оружие” – перенос ионов. Таким образом, в гипотезе Бернштейна объединяются электрохимия и клеточная теория. Юлиус Бернштейн считается основателем мембранной теории биопотенциалов.
Передача информации в организме.
|
П |
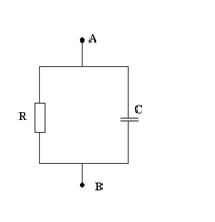
режде чем заняться рассмотрением собственно передачей информации в организме, давайте поподробнее коснемся мембраны клетки. Клеточная мембрана – жидкая пленка, образованная липидами - жироподобными веществами. Она состоит из двух слоев липидных молекул, в которые встроены молекулы белка. Нас интересуют, прежде всего, электрические характеристики мембраны, которые начал изучать еще в 1910 году немецкий физик и химик В. Нернст, тот самый Нернст, который вывел формулу диффузионного потенциала. Измерения проводились следующим образом: через суспензию клеток проводился ток разной частоты, и определяли ее удельное сопротивление. Была развита специальная теория, позволявшая отдельно определить сопротивление мембраны и ее протоплазмы. Развивая это направление, Г. Фрикке в 1925 году показал, что мембрана ведет
![]() |
Эквивалентная схема
клеточной мембраны: А – среда, окружающая клетку, В – цитоплазма.
То есть выяснил эквивалентную схему клеточной мембраны. Первоначально, он установил эту схему для мембраны эритроцитов.
Фрикке использовал при измерениях частоты до 4,5 МГц, это значит, что ему содействовало развитее техники – появление генераторов высокой частоты. Дальнейшие исследования показали, что емкость мембраны примерно 1 мкФ/см2, а удельное сопротивление протоплазмы близко к 100 Ом*см. Напротив, удельное сопротивление мембраны у разных клеток оказалось разным: у яйцеклетки морского ежа удельное сопротивление мембраны составляет всего 100 Ом*см2, а у водоросли нителлы – 105 Ом*см2. Обратите внимание на единицы измерения: Ом*см2! В электрофизиологии удельным сопротивлением мембраны называется сопротивление1см2 мембраны, то есть произведение rl в формуле R= rl/S. Итак, мы подошли к самой постановке вопроса о системе связи в организме. Когда вы читали предыдущий текст, ваш мозг принимал сигналы от глаз и посылал команды глазным мышцам. Как? Каким образом сигналы попадали от глаза к мозгу и от мозга к глазным мышцам? Через нервы. В грубом сравнении нервы могут показаться аналогом телефонной линии. Это далеко не так. Рассмотрим две причины. Во-первых: передают сигнал не нервы, а аксоны или длинные нервные отростки. Нерв – пучок аксонов с множеством вспомогательных клеток питающих аксон и “подводящих” к нему кислород. И, во-вторых, сам аксон не простой проводник. Рассмотрим пример:
Возьмем аксон кальмара и сравним его схему со схемой обыкновенного проводника.
а)
б)
Электрические схемы передачи сигналов. Схема аксона (а) состоит из продольных сопротивлений ri емкости мембраны C сопротивления мембраны rm и источник э.д.с. Em. Техническая система передачи сигналов (б) состоит из источника тока E нагрузки H и выключателя K.
Даже с первого взгляда видно, что схемы кардинально отличаются.
Под водой…
|
К |
аждому из нас приходилось слышать об электрических рыбax. Для меня долгое время оставалось загадкой, как сравнительно небольшой электрический угорь может выработать разность потенциалов 800 – 900 В. Как же устроены эти рыбы?
Основу вырабатывающих органов составляют столбики из плоских клеток, лежащих друг на друге как пары медь – цинк в вольтовом столбе. К одной поверхности каждой клетки подходят нервное окончание. Когда орган находится в покое, обе стороны каждой клетки имеют одинаковый потенциал и ток через орган не идет. Когда же по всем нервным волокнам проходят импульсы постсинаптическая мембрана резко повышает свою проницаемость к ионам и потенциал падает до нуля. Это приводит к возникновению тока текущего через клетку. Так появляется разряд у ската и звездочета. У рыб, более продвинутых по ступеням эволюции, как электрический угорь, нильская щука и нильский сом органы устроены несколько иначе. Мембрана с той стороны клетки, на которую действует синапс, оказалась электрически возбудимой, так что при проходе нервного импульса она не только снижает свой потенциал до нуля, а перезаряжается, что обеспечивает более высокую разность потенциалов, генерируемую клетками.
Список литературы:
1. М.Б.Буркнблит Е.Г.Гаоглева. “Электричество в живых организмах”.
2. Энциклопедия для детей “Аванта +” том 2: Биология.
3. Л. Элиот, У. Уилкокс “Физика”
4. Г.Р. Иваницкий “Мир глазами биофизики”
5. Е. Кнорре “Живое в прожекторах науки”

