Электронно-лучевая трубка
Индикаторные приборы удобно классифицировать по физическим явлениям, на которых основаны их принципы действия. В соответствии с этим различают:
1.накальные индикаторы, в которых используется свечение разогретой электрическим током металлической нити накаливания;
2.электролюминесцентные индикаторы, в которых применяется свечение некоторых кристаллических веществ под воздействием электрического поля;
3.электронно-лучевые и вакуумно-люминесцентные индикаторы, основанные на свечении люминофора при бомбардировке электронами;
4.газоразрядные индикаторы, в которых используется свечение газа при электрическом разряде;
5.полупроводниковые индикаторы, в которых применяется излучение квантов света при рекомбинации неосновных носителей заряда в p-n-переходе;
6.жидкокристаллические индикаторы, основанные на изменении оптических свойств жидких кристаллов под воздействием электрического поля.
В настоящее время для отображения знаковой информации чаще всего применяют полупроводниковые, вакуумно-люминесцентные, газоразрядные и жидкокристаллические индикаторы, для отображения знаковой и графической информации – электронно-лучевые индикаторы, более сложные приборы с широкими возможностями.
Электронно-лучевым называют электронный электровакуумный прибор, в котором используется поток электронов, сконцентрированный в форме луча или пучка лучей.
Электронно-лучевые приборы, имеющие форму трубки, вытянутой в направлении луча, называют электронно-лучевыми трубками (ЭЛТ). Источником электронов в ЭЛТ служит подогревный катод. Эмитированные катодом электроны собираются в узкий луч электрическим или магнитным полем специальных электродов или катушек с током. Электронный луч фокусируется на экране, для изготовления которого внутреннюю сторону стеклянного баллона трубки покрывают люминофором – веществом, способным светиться при бомбардировке его электронами. Положением видимого сквозь стекло баллона пятна на экране можно управлять, отклоняя поток электронов путём воздействия на него электрического или магнитного поля специальных (отклоняющих) электродов или катушек с током. Если формирование электронного луча и управление им осуществляются с помощью электростатических полей, то такой прибор называют ЭЛТ с электростатическим управлением. Если для этих целей используют не только электростатические, но и магнитные поля, то прибор называют ЭЛТ с магнитным управлением.
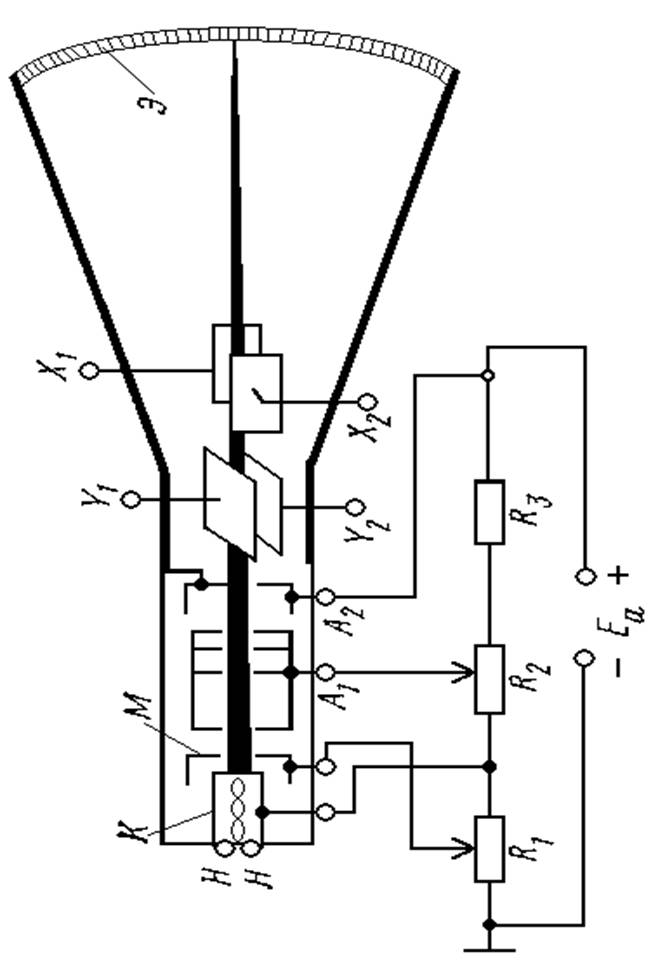
На рисунке схематически показано устройство ЭЛТ с электростатическим управлением. Элементы трубки размещены в стеклянном баллоне, из которого откачан воздух до остаточного давления 1 – 10 мкПа. Металлический катод К, подогреваемый током металлической нити Н, имеет форму стакана. Торцовая поверхность катода оксидирована для уменьшения работы выхода электронов при термоэлектронной эмиссии с его поверхности. Катод охвачен полым цилиндрическим модулятором М с отверстием на оси. Модулятор имеет отрицательный относительно катода потенциал, регулируемый потенциалом R1 в пределах от нуля до нескольких десятков вольт. Чем больше отрицательный потенциал модулятора, тем меньше плотность электронного потока, прошедшего через отверстие модулятора, и, следовательно, тем меньше яркость изображения на экране ЭЛТ. При определённом значении потенциала модулятора электроны вообще не пройдут через модулятор и, экран не будет светиться (трубка заперта). Электроны, прошедшие через модулятор, попадают в электрическое поле первого (А1) и второго (А2) анодов, выполненных в виде полых тонкостенных металлических цилиндров. Анодам сообщают высокие положительные потенциалы от источника питания через делитель R1R2R3 (первому аноду – несколько сотен вольт, второму – до десятков киловольт). Благодаря этому электроны приобретают достаточную для возбуждения атомов люминофора скорость. Форму, размеры и потенциалы анодов рассчитывают так, чтобы сфокусировать пучок электронов на поверхности экрана Э. Регулировкой потенциала первого анода с помощью потенциометра R2 добиваются точной фокусировки. Современные фокусирующие системы обеспечивают диаметр светящегося пятна на экране менее 0,1 мм. Вся система электродов, формирующих электронный луч, крепится на держателях (траверсах) и образуют единое устройство, называемое электронным прожектором. Для управления положением светящегося пятна на экране применяют две пары специальных электродов – отклоняющих пластин X и Y, расположенных взаимно перпендикулярно. Изменяя разность потенциалов между пластинами каждой пары, можно изменять положение электронного луча во взаимно перпендикулярных плоскостях благодаря воздействию электростатических полей отклоняющих пластин на электроны. Разность потенциалов между пластинами X (горизонтального отклонения) определяет положение луча по горизонтали, а разность потенциалов между пластинами Y (вертикального отклонения) – по вертикали.
Работа выхода электронов – работа, которую совершает электрон, покидающий поверхность тела, и которая необходима для преодоления тормозящего действия двойного электрического слоя у поверхности. Этот слой создаётся электронами, находящимися на границе между телом и окружающей средой, и положительными ионами, образовавшимися из атомов, потерявших эти электроны.
Термоэлектронная эмиссия – процесс выхода электронов из твёрдых или жидких тел, обусловленный нагревом этих тел.
ЭЛТ с магнитным управлением содержит такой же электронный прожектор, как ЭЛТ с электростатическим управлением, за исключением второго анода. Вместо него применяют короткую катушку (фокусирующую) с током, надеваемую на горловину трубки вблизи первого анода. Неоднородное магнитное поле фокусирующей катушки, воздействуя на электроны, выполняет роль второго анода в трубке с электростатической фокусировкой.
Отклоняющая система в трубке с магнитным управлением выполняется в виде двух пар отклоняющих катушек, также размещаемых на горловине трубки между фокусирующей катушкой и экраном. Магнитные поля двух пар катушек взаимно перпендикулярны, что позволяет управлять положением электронного луча при изменении тока в катушках.
Магнитные отклоняющие системы используют в трубках с высоким анодным потенциалом, необходимым для получения большой яркости свечения экрана, в частности в телевизионных приёмных трубках – кинескопах. Поскольку магнитная отклоняющая система размещается вне баллона ЭЛТ, её удобно вращать вокруг оси ЭЛТ, меняя положение осей на экране, что важно в некоторых применениях, например в радиолокационных индикаторах. С другой стороны, магнитная отклоняющая система инерционнее электростатической и не позволяет перемещать луч с частотой более 10 – 20 кГц. Поэтому в осциллографах – приборах, предназначенных для наблюдения на экране ЭЛТ изменений электрических сигналов во времени, - применяют трубки с электростатическим управлением.
Заметим, что существуют ЭЛТ с электростатической фокусировкой и магнитным отклонением.
