Простейшие cистемы возбуждения эксимерных лазеров
СОДЕРЖАНИЕ
ВВЕДЕНИЕ
1. Возбуждение LC- инвертором.
2. Возбуждение оптическим разрядом
3. Предионизация в эксимерных лазерах
Заключение Список использованных источников
Введение
Класс импульсных газовых лазеров, объединенных названием ”эксимерные” возник сравнительно недавно, в начале 70-ых годов. В настоящее время эксимерные лазеры на галогенидах благородных газов являются наиболее мощными источниками когерентного излучения в УФ-области спектра, генерация получена на большом количестве длин волн от вакуумного ультрафиолета до видимой области спектра.
Данный класс газовых лазеров работает на переходах эксимерных молекул (которые существуют только в возбуждённых состояниях – XeCl, KrF, ArF, и др.). Лазеры, работающие на переходах данных молекул наиболее эффективны и хорошо изучены. Выходная энергия таких лазеров достигает нескольких сот джоулей при КПД до 10% . Ещё одним достоинством данного класса лазеров является то, что они эффективно работают при различных способах накачки, а системы накачки являются универсальными для получения генерации на различных молекулах при замене рабочей смеси.
Перечисленные достоинства обуславливают широкую область применения эксимерных лазеров. Они используются для накачки лазеров красителях (лучших источников перестраиваемого когерентного излучения видимого диапазона), травление кремневых матриц при обработке материалов высокой степени частоты, разделения изотопов. Перестраиваемое излучение эксимерных лазеров может использоваться в селективной технологии для получения особо чистых веществ, для изучения воздействия на биохимические процессы. Но основное применение эксимерных лазеров – это возможность их использования для поиска качественно новых эффектов, не достижимых с обычными источниками света, для детального изучения нелинейных спектроскопических явлений, тонкострунных спектров сложных молекул, для исследования лазерно-индуцированных процессов.
Известно, что для эксимерных лазеров требуется относительно высокий уровень интенсивности накачки. В электроразрядных эксимерных лазерах интенсивность накачки составляет от нескольких десятых до нескольких сотых единиц МВт/см3 причём, для различных типов эксимерных лазеров оптимальные значения этого параметра, определяемые с точки зрения максимальной эффективной накачки, существенно различны.
В настоящее время будет рассмотрены системы возбуждения эксимерных лазеров.
Целью этой работы является литературный обзор систем возбуждения эксимерных лазеров.
1. Возбуждение LC- инвертором
Изучены и проанализированы условия ввода энергии в импульсно-периодический XeCl-лазер с апертурой 9x6 см. Новая схема питания лазера в виде двух последовательно соединенных LC-инверторов в сочетании с магнитным звеном сжатия при зарядных напряжениях не более 30 кВ обеспечивала формирование однородного газового разряда. Получена энергия генерации 10 Дж при частоте следования импульсов 100 Гц.
Представлены результаты экспериментальных исследований энергетических и временных характеристик газоразрядного эксимерного ArF-лазера (Х = 193 нм) в газовых смесях на основе буферного газа Не. На основе искрового разрядника РУ-65 разработана конструкция и оптимизированы параметры высоковольтной схемы возбуждения типа LC-инвертор с автоматической УФ предионизацией. В газовой активной среде состава He : Ar : F2 = 79.7:20:0.3 при полном давлении 2.5 атм. впервые получен КПД по запасенной энергии 1.5 % при энергии излучения 360 мДж. Максимальная энергия генерации ArF-лазера 550 мДж была достигнута с КПД 1.36 % при длительности импульса на полувысоте 12 нс.
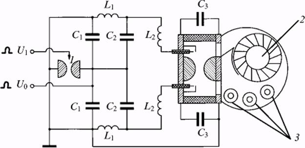
Рис. 1. Электрическая схема и поперечное сечение лазера:
1 — искровой разрядник РУ-65; 2 — вентилятор; 3 — теплообменники;
Ul — напряжение поджига; Сl = 22 нФ; Сг = 45 нФ; Сз = 17 нФ;
li = 2.1 мкГн; L2 — батарея из 39 штук индуктивностей по 1 мкГн
каждая.
Р (МВт)
t (нс)
Рис.2. Осциллограммы импульсов напряжения на разрядном промежутке U, тока разряда J и мощности лазерного излучения Р для смеси состава He : Ar : F2 = 79.7 : 20 : 0.3 при р = 2.5 атм., U= 19 кВ.
Экспериментально исследованы энергетические и временные характеристики накачки и излучения импульсного газоразрядного эксимерного KrF-лазера (Х = 248 нм) с использованием буферного газа Не. На основе искрового разрядника РУ-65 разработана конструкция и оптимизированы параметры высоковольтной схемы возбуждения типа LC-инвертор с автоматической УФ предионизацией. В газовой активной среде состава He : Kr : F2 = 89.8 : 10 : 0.2 при полном давлении 2.5 атм. впервые получен КПД лазера по запасенной энергии 2.4 % при энергии излучения 0.57 Дж. Максимальная энергия генерации KrF-лазера составила 0.82 Дж при длительности импульса на полувысоте 24 нс, удельной энергии 5.9 Дж/л и КПД 2.0 %.
2. Возбуждение оптическим разрядом
Проанализирована возможность возбуждения эксимерного лазера на смеси F2 - Кг - Не импульсом ИК лазерного излучения при развитии оптического разряда в активной среде. Проведены численные расчеты для смесей F2 : Кг : Не = 3 : 75 : 1500 и 4 : 200 : 1500 мм рт. ст., возбуждаемых импульсами лазерного излучения с длиной волны 2,8 и 10,6 мкм и длительностью 20 - 150 нс. Исследовано прохождение возбуждающего импульса в среде F2 — Kr— He с учетом поглощения ИК лазерного излучения возникающими под его воздействием электронами плазмы оптического разряда. Показано, что при фокусировке ИК излучения оптической системой с фокусным расстоянием 1-30 м и пиковой интенсивности на входе в лазерную среду порядка 10 (k= 2,8 мкм) и 1 ГВт/см2 (k = 10,6 мкм) возможна накачка KrF-лазера ИК лазерным излучением с эффективностью ~5 %.
3. Предионизация в эксимерных лазерах.
Для XeCl-лазеров с различными схемами накачки показано, что предионизация наиболее эффективна вблизи момента ионизационно-прилипателъного равновесия при изменении концентрации электронов на предпробойной стадии разряда. Определено влияние скорости нарастания разрядного напряжения на длительность оптимального временного интервала и эффективность предионизации. Продемонстрировано, что при оптимизированных условиях в XeCl-лазере с активным объемом 1 л достаточно ввести в скользящий разряд предионизатора энергию 25 мДж для получения энергии генерации 3 Дж. Созданный компактный XeCl-лазер с УФ предионизацией скользящим разрядом обеспечивает среднюю мощность излучения ~ 500 Вт при различных комбинациях энергии, длительности и частоты следования импульсов генерации.
Создан эффективный электроразрядный XeCl-лазер с накачкой самостоятельным разрядом с предимпульсом, формируемым генератором с индуктивным накопителем энергии и полупроводниковым прерывателем тока на основе SOS-диодов. При искровой УФ предионизации получены энергия излучения до 800 мДж, длительность импульса до 450 не и полная эффективность лазера 2.2%.
