Отчет по лабораторной работе
Эту формулу можно представить в другом виде:
|
|
(23) |
где k - постоянная установки, зависящая от конструкции лампы. Значение постоянной k и числа витков n соленоида на единицу длины указаны в паспорте установки.
В реальном магнетроне, вследствие некоторого разброса скоростей электронов и нарушения соостности катода и магнитного поля, анодный ток уменьшается не скачком (кривая 2 на рис. 7). Значение силы тока соленоида в точке перегиба кривой и будет критическим током. Для нахождения Iкр надо построить график зависимости производной
(точнее
) от тока в соленоиде IC и по положению максимума оределить критический ток соленоида.
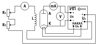
Рис. 8 В работе используется электрическая схема, представленная на рис.9. Она состоит из двух цепей: а) - цепь соленоида, б) - цепь диода.
В цепи соленоида реостаты R1 и R2 служат для изменения силы тока IС , протекающего через соленоид L. Сила тока IС измеряется с помощью амперметра А. Наряжение в цепи соленоида UС подается с источника питания ИП.
Рис. 9
В цепи диода источник питания ИП служит для подачи анодного напряжения UА на лампу и напряжения UN на нить накала лампы. Анодное напряжение UА измеряется с помощью вольтметра V . Сила тока IА в анодной части цепи измеряется с помощью миллиамперметра mA. Анодное напряжение регулируется с помощью ползунка, вмонтированного в источник питания.
1. Основная расчетная формула для определения удельного заряда электрона :
где Ua— анодное напряжение, L — длина соленоида, D — диаметр соленоида, N — число витков соленоида, Ra — радиус анода, m0— магнитная постоянная, Ic,кр — критический ток соленоида.
Магнетрон :
а) соленоид
диаметр D = 33,5 мм ,
длина L = 50,00 мм.,
число витков N = 213;
DD = 0,1 мм.,
DL = 0,01 мм;
б) диод
радиус анода Ra = 5,00 мм.,
DR = 0,01 мм.
Ua = 5 В.
2.Cхема электрической цепи.
3.Результаты измерений (в форме табл.1-2).
Первое анодное напряжение
|
Ic, А |
0 |
0,6 |
1,2 |
1,4 |
1,6 |
1,8 |
2,0 |
2,2 |
2,4 |
2,6 |
2,8 |
3,0 |
3,4 |
3,8 |
4,2 |
4,6 |
4,8 |
5,0 |
|
Ia, мА |
15 |
15 |
15 |
15 |
14,5 |
14,5 |
14 |
13,5 |
13,5 |
13 |
13 |
12,5 |
11,5 |
11 |
10 |
9,5 |
9,5 |
9 |
Второе анодное напряжение
|
Ic, А |
0 |
0,6 |
1,2 |
1,8 |
2,4 |
3 |
3,6 |
4,2 |
4,8 |
5 |
|
Ia, мА |
22 |
22 |
22 |
21,5 |
20,5 |
19 |
18 |
16 |
15 |
15 |
4. График зависимости анодного тока от тока в соленоиде I a = f(Ic) представлен на миллиметровке
5. Определение критического тка Ic в соленоиде .
6.Удельный заряд электрона
Кл / кг .
|e| _
m Кл / кг.

.