Расчёт электрических параметров Т-образной эквивалентной схемы биполярного транзистора
Биполярным транзистором называется полупроводниковый прибор, имеющий два взаимодействующих между собой рп перехода. Работа транзистора основана на управлении токами электронов в зависимости от приложенных к его переходам напряжений.
В биполярном транзисторе носителями заряда служат как электроны, так и дырки. В нем имеются два близко расположенных и включенных навстречу друг другу перехода, которые образуют тем самым три отдельных слоя p-n-p- либо n-p-n-структуры. В p-n-p-транзисторе дырки инжектируются через эмиттерный переход, смещенный в прямом направлении, и собираются на коллекторном переходе, смещенном в обратном направлении. Количество инжектируемых и собираемых носителей заряда можно менять путем изменения малого тока, подаваемого в область базы.
Переход эмиттер-база смещен в прямом направлении, при этом происходит инжекция носителей заряда (дырок) из эмиттера в базу. Обратный процесс инжекции электронов из базы в эмиттер носит ограниченный характер т.к. pэ>>nб. Поэтому эмиттерный ток является диффузионным, вследствие сильно разной концентрации дырок и электронов.
Большая часть дырок достигает коллекторного перехода и подхватывается полем обратно смещёного коллекторного перехода. А многие носители, инжектированные в пассивную область базы, не попадают на эмиттер, а рекомбинируются в слое базы и на поверхности.
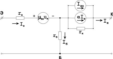
Рассмотрим эквивалентную схему биполярного транзистора.
Данная Т-образная схема включения с общей базой в максимальной степени отражает электрофизические свойства транзисторной структуры и не является усилителем тока.
Собственная концентрация носителей заряда ni=pi=24·1013см-3=2,4·1019м-3
Коэффициент диффузии Дn=93·1013см-3=9,3·1019м-3
Коэффициент диффузии Дp=44см2/С=4,4·10-3 м2/С
Концентрации основных носителей заряда в транзисторной структуре: эмиттер – коллектор pp=5·1016см-3=5·1022м-3 база nn=1015см-3=1021м-3
Подвижность носителей заряда mn=3800 м2/В*С
Подвижность носителей заряда mр=1800 м2/В*С
Время жизни носителей заряда tn=10-4с
Время жизни носителей заряда tp=10-5с
Относительная диэлектрическая проницаемость e=16
Собственное цельное сопротивлениеrI = 50 ом·см=50·10-3 ом·м
Диэлектрическая проницаемость вакууме e0=8,95·10-12 ф/м
Заряд электрона q=1,6*·10-19 К.
n×p=ni2=pi2
|
pn= |
ni2 |
= |
2,42·1038 |
= |
5,76·1017 | ||
|
nn |
1021 | ||||||
|
np= |
ni2 |
= |
2,42·1038 |
= |
1,15·1016 | ||
|
pp |
5·1022 |
sn =q·n n·mn=1,6·10-19·10213800=6,08·105
sр =q·p р·mp=1,6·10-195·10221800=14,4·106
Ln = (Dn ·tn)1/2 =(9,3·10-3·10-4)1/2=(93·10-8)1/2=9·10-4
Lp = (Dp ·tp)1/2=(4,4·10-3·10-5)1/2=(4,4·10-8)1/2=2·10-4
S = (0,01¸0,05)
S = 0,02мм=2·10-8м
|
IКС=IКС=S·( |
q ·Dp ·pn |
+ |
q ·Dn ·np |
) = 2·10-8·( |
1,6·10-19·4,4·10-35,76·1017 |
+ |
|
Lp |
Ln |
2·10-4 |
|
+ |
1,6·10-19·9,3·10-31,15·1016 |
) = 4,1·10-6 |
|
9·10-4 |
jт=0,025 В;
|
UЭБ |
0,1 |
0,12 |
0,14 |
0,16 |
0,18 |
0,2 |
0,22 |
|
IЭ |
0,00022 |
0,00049 |
0,00111 |
0,00247 |
0,00549 |
0,01223 |
0,02723 |
Смещение ВАХ влево при Uк <0 объясняется эффектом модуляции толщины базы. При увеличении обратного смещения на коллекторном переходе область объёмного заряда расширяется, при этом активная область базы сужается, что эквивалентно увеличению эммитерного тока.
ν – коэффициент инжекции, характеризует долю полезной состовляющей в общем токе.
![]() |
χ – коэффициент переноса, показывающий какая часть инжекцированных в базу носителей заряда доходит до коллекторного перехода
α = ν · χ = 0,9958·0,995=0,99
α – коэффициент передачи по току – один из основных параметров, который возрастает с уменьшением ширины базы, при сравнительно большой ширине базы определяющую роль играет коэффициент переноса, а при достаточно малой – коэффициент инжекции.
rэ – дифференциальное сопротивление эмиттерного перехода обусловлено эффектом Эрли обратно пропорционально постоянной составляющей тока.
|
IЭ |
4,1·10-6 |
0,005 |
0,01 |
0,015 |
0,02 |
|
rэ |
6089,7 |
5 |
2,5 |
1,66667 |
1,25 |

