Математическое моделирование технологического процесса изготовления ТТЛ-инвертораРефераты >> Технология >> Математическое моделирование технологического процесса изготовления ТТЛ-инвертора
1- Распределение мышьяка в эмиттерной области после диффузии;
2- Распределение бора в базовой области после диффукзии;
3- Концентрация примеси в коллекторе
Рисунок 1-Профиль распределения примесей в эмиттере и базе
Рисунок 2- Суммарное распределение примесей эмиттера и базы
2 Расчет слоевых сопротивлений биполярного транзистора
Слоевые сопротивления для базовой и эмиттерной областей рассчитываем по следующей формуле:
, (9)
где q = 1.6ּ10 -19 Кл – заряд электрона;
N(x,t) – распределение примеси в данной области транзисторной структуры;
μ(N(x,t)) – зависимость подвижности от концентрации примеси.
Зависимость подвижности от концентрации примеси определяется по формулам:
|
(10)
|
(11)
Таким образом, слоевое сопротивление эмиттера рассчитываем по формуле:
, (12)
где NЭМ(x,t) – распределение примеси в эмиттере рассчитанное по формуле 5.
Теперь произведём расчёт слоевого сопротивления базы по формуле:
, (13)
где NБАЗ(x,t) – распределение бора в базовой области рассчитанное по формуле 1.
Для расчёта слоевых сопротивлений воспользуемся пакетом программ Mathcad 5.0 Plus, в результате расчёта получили следующие значения слоевых сопротивлений:
= 7.16 Ом/кв;
= 795 Ом/кв.
Произведём также расчёт слоевых сопротивлений для двух крайних значений, определённых с точностью поддержания температур при легировании области эмиттера Т=±1,5°С. В результате расчётов получим следующие значения слоевых сопротивлений:
при Т = 1101,5°С
= 6.07 Ом/кв.
при Т = 1098,5°С
= 7.37 Ом/кв.
Затем с помощью программы Biptran рассчитаем параметры моделей транзисторов при номинальной температуре и для двух крайних значений, определённых с точностью поддержания температур при легировании области эмиттера Т=±1,5°С.
В результате расчётов получаем следующие модели транзисторов (см. Приложение ).
3 Расчет основных параметров инвертора
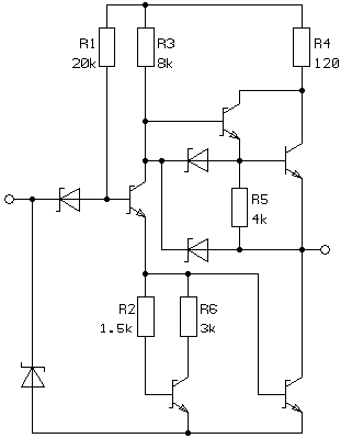
Схема инвертора представлена на рисунке 3.
Рисунок 3-Схема инвертора
В данной курсовой работе необходимо определить следующие параметры инвертора:
· напряжение логических уровней;
· пороговое напряжение;
· времена задержки;
· помехоустойчивость схемы;
· среднюю потребляемую мощность.
Прежде чем приступить к расчету основных параметров инвертора, учтем влияние технологического процесса на номиналы резисторов. В данной работе мы будем выполнять высокоомные резисторы на основе базового слоя, а низкоомные на основе эмиттерного слоя, то естественно, что изменение температуры будет сказываться на номиналах резисторов.
Это связано с тем, как было описано выше, слоевое сопротивление изменяется с изменением температуры. Учитывая все выше сказанное и выражение:
,
где: l,b – геометрические размеры резисторов.
Тогда:
,
где: R’ – сопротивление с учетом температуры.
Таблица 4 – Сопротивления резисторов при различных температурах
|
R, Ом |
Т=1100 0С |
Т=1101,5 0С |
Т=1098,5 0С |
|
R1 |
20ּ103 |
19.8ּ103 |
20.20ּ103 |
|
R2 |
1.5ּ103 |
1.48ּ103 |
1.51ּ103 |
|
R3 |
8ּ103 |
7.98ּ103 |
8.08ּ103 |
|
R4 |
120 |
101.7 |
123.52 |
|
R5 |
3ּ103 |
2.97ּ103 |
3.03ּ103 |
При сравнении номиналов резисторов можно сделать вывод, что при увеличении температуры номиналы резисторов уменьшаются, а при уменбшении-увеличиваются.
Напряжение логических уровней определяем по передаточной характеристики ТТЛШ – инвентора, построенной при помощи пакета программ Pspice, которая представленаа в Приложении .
Напряжения логических нулей равны:
U° =B;
U' =B.
Для того, чтобы найти пороговое напряжения необходимо продифференцировать
, тогда в соответствии с Приложением :
U°пор = 0.5B,
U'пор = 1.73B.
Зная напряжения логических уровней и пороговые напряжения, можно определить помехоустойчивость схемы:
Uпом = min(U0пом,U1пом)
U0пом = U0пор – U0
U1пом = U1 – U1пор
U0пом = В
U1пом
Uпом = В
Время задержки легко определить, сравнением входного и выходного импульсов (Приложение ) = В
![]() | |||
| |||

