Проектирование манометра с дистанционной передачейРефераты >> Технология >> Проектирование манометра с дистанционной передачей
ПНК последовательного счета строятся либо по классическому методу последовательно, либо с промежуточным преобразованием входного напряжения в какую либо другую аналоговую величину. Промежуточное преобразование снижает точность измерения тем не менее именно по этому методу строились, в основном цифровые измерители напряжения. Это объясняется тем, что ЦАП(преобразователь напряжение код) реализующие классический метод последовательного счета содержат формирователь ступенчатого эталонного напряжения, реализация которого на дискретных элементах приводила к большому объему оборудования по сравнению с другими типами ЦАП. Однако положение изменилось с развитием интегральной технологии и в настоящее время ЦАП исполняется в корпусе одной интегральной микросхемы
Измеренное напряжение высвечивается на индикаторах типа АЛС324Б предварительно пройдя через двоично-десятичные счетчики типа К155ИЕ2и дешифраторы КР514ИД2.
Расчет основных параметров АЦП.
Микросхема К572ПА1 имеет следующие характеристики:
Число разрядов: n=10
Максимальная нелинейность
Температурный коэффициент нелинейности
Время установления выходного сигнала при изменении цифрового сигнала на входе 500 нс.
Расчет метрологических характеристик АЦП (допустимой средне квадратичной погрешности преобразования (измерения) (sПР), величины амплитудного кванта (sПР), величины кванта (d)):
Число разрядов
Величина временного кванта
Период следования тактовых импульсов:
Частота тактовых импульсов
Расчет и выбор элементов генератора тактовых импульсов (ГТИ)
![]() |
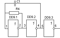
Рисунок 4.Генератор тактовых импульсов
Частоту генерируемых импульсов можно найти по формуле
|
|
(5) |
где С1 – емкость конденсатора С1
R4 – сопротивление резистора R4 (R4=220 Ом)
Зная fИМП и R4 можно определить емкость конденсатора С1 по формуле 5
С1=4.7 пФ
Исходя из полученных данных выбираем следующие микросхемы:
К554СА3 компаратор
OP27A операционный усилитель фирмы Analog Devises
К572ПА1 ЦАП
3. РАСЧЕТ ДИНАМИЧЕСКИХ ХАРАКТЕРИСТИК
С помощью структурной схемы (рис.3) определяется передаточная функция прибора.
Динамический расчет производим из условия постоянной чувствительности прибора во всем рабочем диапазоне измерения. Определяем передаточные функции звеньев.
Структурная схема (с логометром)
![]() | |||||||||
![]()
![]()
![]()
![]()
![]()
![]()
|
|
|
|
|
|
Рисунок 4
3.1 Передаточная функция W1 состоит из трех звеньев:
А) подводящего трубопровода
,
где Т0 – постоянная времени
Постоянной времени можно пренебречь, и тогда получим


