Электропривод подъемного механизма кранаРефераты >> Технология >> Электропривод подъемного механизма крана
Статические скорость и момент:
wс=144,67 1/с;
Мс.под=106,918 Нм;
Мс.сп=68,428 Нм.
Из уравнений для статических характеристик:
В/с
ЭДС преобразователя при wс и Мс.под:
В.
ЭДС преобразователя при wс и Мс.сп:
В.
Уравнение статической механической характеристики при Еп.необх.под:
;
.
Уравнение статической механической характеристики при Еп.необх.сп:
;
.
Максимальная ЭДС преобразователя при a=0:
В.
Уравнение статической характеристики при Еп.max:
;
.
Статическая характеристика при Еп=0:
;
.
Естественная статическая характеристика:
;
.
![]() |
Рис.5. Статические и динамические характеристики в разомкнутой системе.
Рассчитаем нагрузочную диаграмму двигателя за цикл при линейном изменении ЭДС преобразователя.
Жесткость статической механической характеристики:
В2с2/Ом
Электромеханическая постоянная времени:
с
Расчетная суммарная индуктивность цепи якоря:
Гн
Электромагнитная постоянная времени:
с
Соотношение постоянных времени:
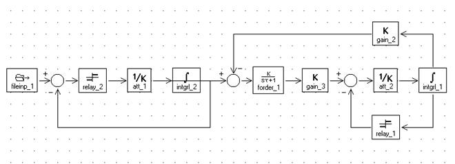
Для построения нагрузочной диаграммы двигателя за цикл при линейном изменении ЭДС, используем ЭВМ и программу 20-sim. Для моделирования введем в компьютер схему, представленную на рис. 6. Параметры для моделирования представлены в приложении 1.
Нагрузочная диаграмма процесса представлена на рис. 7
Рис. 6. Схема для расчета нагрузочной диаграммы двигателя при линейном изменении ЭДС.
![]() |
2.2. Выбор структуры замкнутой системы электропривода, расчет ее параметров.
В соответствии с рекомендациями выберем систему ТП-Д с подчиненным регулированием координат с настройкой на технический оптимум.
![]() |
Рис. 8. Принципиальная схема подчиненного регулирования тока и скорости в системе ТП-Д.
2.2.1. Расчет контура тока
Рис. 9. Структурная схема регулирования тока.
Отнесем время запаздывания тиристорного преобразователя tп и инерционность фильтров Тф к некомпенсированным постоянным времени, т.е. Тm=tп+ Тф=0,01 с. Тогда, если не учитывать внутреннюю обратную связь по ЭДС двигателя, можно записать передаточную функцию объекта регулирования тока:
,
где kп – коэффициент усиления преобразователя.
Желаемая передаточная функция прямого канала разомкнутого контура при настройке на технический оптимум:
,
где ат=Тот/Тm - соотношение постоянных времени контура.
Отношение Wраз.п к Wорт есть передаточная функция регулятора тока:
,
где Тит – постоянная интегрирования регулятора тока:
Из выражения для Wр.т. видно, что необходим ПИ-регулятор тока.
Коэффициент усиления пропорциональной части:
kут=Тя/Тпт или kут=Rост/Rзт
Постоянная времени ПИ-регулятора:
Тпт=RзтСост
Компенсируемая постоянная времени регулятора:
Отсюда,
Ом,
где Тя=Тэ – электромагнитная постоянная времени.
Коэффициент обратной связи по току:
,
где kш – коэффициент передачи шунта;
kут – коэффициент усиления датчика тока.
Шунт выбираем с условием Iшн>Iяmax
А
Выбираем шунт типа ШС-75. Его параметры: Iшн=100 А Uшн=75 мВ
Коэффициент передачи датчика тока:
Примем Rот=Rзт, тогда
В/А
Коэффициент усиления преобразователя:
Постоянная интегрирования ПИ-регулятора:
Коэффициент усиления регулятора:
Ом
Стопорный ток:
А
Номинальное значение задания:
В
2.2.2. Расчет контура скорости.
![]() |
Рис. 10. Структурная схема контура скорости.
Объект регулирования скорости состоит из замкнутого контура регулирования тока и механического звена электропривода и имеет вид




