Методы и средства измерений и контроляРефераты >> Технология >> Методы и средства измерений и контроля
Содержание
Введение
1 Разработка технического задания на проектирование преобразователя для измерения отклонений геометрических параметров.
2 Выбор принципа работы преобразователя и описание его работы.
2.1 Выбор принципа работы преобразователя.
2.2 Принцип действия емкостных преобразователей
2.3 Описание работы проектируемого преобразователя.
3 Подготовка текста технического задания согласно ГОСТу
3.1 Основания для разработки
3.2 Цель и назначение разработки
3.3 Характеристика объекта разработки
3.4 Основные технические требования к прибору:
4 Выбор и обоснование метрологических характеристик НСИ
5 Создание эскиза механической части емкостного или фотоэлектрического преобразователя НСИ на основе ТЗ.
6 Разработка методики измерения отклонений геометрических размеров заданного изделия разработанными НСИ
Заключение
Список использованных источников
Введение
Измерительные преобразователи представляют собой технические устройства, которые осуществляют преобразования величин и образуют канал передачи измерительной информации. При описании принципа действия измерительного устройства, включающего последовательный ряд измерительных преобразователей, часто представляют его в виде функциональной блок-схемы (измерительной цепи), на которой отражают функции отдельных его частей в виде символических блоков, связанных между собой.
Измерительные преобразователи можно условно разбить на три класса: пропорциональные, функциональные и операционные.
Первые предназначены для подобного воспроизведения входного сигнала в выходном сигнале;
Вторые - для вычисления некоторой функции от входного сигнала; третьи - для получения выходного сигнала, являющегося решением некоторого дифференциального уравнения. Операционные преобразователи являются инерционными, так как у них значение выходного сигнала в любой момент времени зависит не только от значения входного в тот же момент времени, но и от его значений в предшествующие моменты времени.
По характеру изменения входных н выходных сигналов во времени преобразователи делятся на непрерывные (аналоговые), непрерывно-дискретные, дискретно-непрерывные и дискретные.
При проектировании специализированного нестандартного средства измерения следует учитывать существующие организационно-технические формы контроля, масштаб производства, характеристики измеряемых объектов, требуемую точность измерения и другие технико-экономические факторы.
В нашем случае производится проектирование только преобразователя и поэтому частью этих факторов можно пренебречь. Нам важна только требуемая точность измерения заданного параметра.
Каждый размер может быть измерен несколькими средствами с различными погрешностями измерения, но следует учитывать влияние окружающей среды на точность измерения. Теоретически есть очень большое число различных преобразователей: емкостные, фотоэлектрические, оптико-механические, индуктивные и т.п., но практически в каждом конкретном случае есть довольно ограниченный выбор.
1 Разработка технического задания на проектирование преобразователя для измерения отклонений геометрических параметров.
Требуется разработать преобразователь для специализированного средства измерения используемого при автоматическом контроле параллельности направляющей прецизионного станка.
Требуемые характеристики средства измерений:
Длинна измеряемой поверхности: . 400 мм.
Измеряемый параметр: . параллельность
Значение измеряемого параметра: 2,5 мкм
Проект преобразователя должен содержать:
а) Выбор принципа работы преобразователя и его описание
б) Выбор и обоснование метрологических характеристик преобразователя
в) Расчет метрологических характеристик преобразователя
г) Эскиз механической части
д) Схема электрической части (если присутствует)
2 Выбор принципа работы преобразователя и описание его работы.
2.1 Выбор принципа работы преобразователя.
В нашем случае производится измерение параллельности направляющих.
К отклонениям от параллельности относятся отклонения от параллельности плоскостей, суммарное отклонение от параллельности и плоскостности, отклонения от параллельности оси относительно плоскости или плоскости относительно оси, отклонения от параллельности осей на плоскости и в пространстве.
Наш преобразователь должен измерять отклонения от параллельности плоскостей.
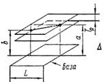
|
Рисунок 1. - Модель измерения |
Рисунок 2. - Схема измерения |
Под отклонением от параллельности плоскостей понимают разность D наибольшего и наименьшего расстояний между прилегающими плоскостями в пределах нормируемого участка.
Для измерения отклонений от параллельности в нашем случае лучше всего применить преобразователь, основанный на принципе измерения разности емкостей и электрической части преобразователя на основе балансового моста.
2.2 Принцип действия емкостных преобразователей
Емкостные преобразователи основаны на зависимости электрической емкости конденсатора от размеров, расположения его обкладок и от диэлектрической проницаемости среды между ними.
Для плоского конденсатора электрическая емкость определяется выражением:
,
где e0 - диэлектрическая постоянная; e - относительная диэлектрическая проницаемость среды между обкладками; S - активная площадь обкладок; d - расстояние между обкладками. Из этого выражения следует, что в емкостном преобразователе переменной (входной) величиной может быть либо d, либо S, либо e.
На рис. 3 схематично изображены различные типы емкостных преобразователей.
Преобразователь на рис. 3, а представляет собой конденсатор, одна пластина которого перемещается относительно другой так, что изменяется расстояние между d между пластинами. Функция преобразования С=f(d) нелинейна, причем чувствительность возрастает с изменением расстояния между d между пластинами. Функция преобразования С=f(d) нелинейна, причем чувствительность возрастает с уменьшением d. Минимальное значение d определяется напряжением пробоя конденсатора. Такие преобразователи используются для измерения малых перемещений (менее 1 мм).
На рис. 3, б показан дифференциальный емкостный преобразователь, в котором при перемещении центральной пластины емкость одного конденсатора увеличивается, а другая уменьшается. Дифференциальная конструкция позволяет уменьшить погрешность нелинейности или увеличить рабочий диапазон перемещений.
Преобразователь на рис. 3, в также имеет дифференциальную конструкцию, но в нем происходит изменение активной площади пластин. Он используется для измерения сравнительно больших линейных (более 1 мм) и угловых перемещений. В таком преобразователе можно получить необходимую функцию преобразования путем профилирования пластин.
