Оптические датчики газового составаРефераты >> Технология >> Оптические датчики газового состава
В некоторых приборах монохроматическое излучение разделено на два пучка, направленные соответственно на кювету, через которую продувается смесь анализируемых газов, и на другую кювету, содержащую газ сравнения (двухлучевой спектрометр). Интенсивности излучения на выходе детектируются и сравниваются с помощью фотоэлементов.
В приборе другого типа (однолучевом спектрометре) пучок света направляется на кювету, через которую продувается смесь. После этой кюветы пучок света разделяется на два пучка, проходящие через два фильтра, один из которых дает излучение, поглощаемое анализируемым газом, а другой — не поглощаемое. Сопоставление интенсивностей этих потоков света осуществляется с помощью фотоэлементов.
|
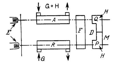
Рис. 1. Принципиальная схема инфракрасного бездисперсионного двухлучевого спектрометра с положительным фильтром. |
Анализаторы, использующие ИК-излучение. Дисперсионные или "монохроматизирующие" приборы используются для контроля процессов в промышленности очень редко; обычно используют недисперсионные приборы, т, е. приборы без спектрального разложения. Хотя селективность этих приборов ниже, однако при промышленном использовании они имеют ряд преимуществ, таких, как лучшая чувствительность, простота, надежность и меньшие эксплуатационные расходы.
В варианте однолучевого прибора излучение от источника проходит через кювету с анализируемым газом, а затем — последовательно через два обращающих фильтра, что позволяет сопоставить с помощью детектора поглощение для двух длин волн — одной, соответствующей пику поглощения для анализируемого газа, и другой — отвечающей минимальному поглощению (последняя принята в качестве стандарта).
|
Рис. 2. Принципиальная схема инфракрасного бездисперсионного двухлучевого спектрометра с отрицательным фильтром. |
Анализаторы на основе двухлучевой схемы более распространены. Различают приборы двух основных типов (рис. 1 и рис. 2):
· анализаторы с положительным фильтром;
· анализаторы с отрицательным фильтром.
Анализаторы с положительным фильтром (рис. 1) снабжены рабочей кюветой А, через которую пропускается анализируемая газовая смесь (газ H, поглощающий в инфракрасной области спектра, и газ G, не поглощающий в этой области), и кюветой сравнения R, содержащей непоглощающий газ G. Кюветы изготавливаются из меди или из позолоченного либо посеребренного изнутри стекла. Они закрыты окнами, прозрачными для излучения (LiF, кварц, слюда, CaF2 и др.). В состав детектора D, работающего по дифференциальной схеме, входят две камеры, P и Q, заполненные газом Н и разделенные мембраной М. Газ Н, содержащийся в камере Р, поглощает излучение на определенных длинах волн, а газ, находящийся в камере Q, будет поглощать излучение на этих длинах волн тем меньше, чем больше доля газа Н в смеси, пропускаемой через кювету А. Нагрев и, следовательно, давление газа H в секциях P и Q детектора будут тем больше различаться, чем выше содержание газа Н в смеси (положительный, фильтр). Если анализируемая смесь содержит газы, которые могут оказывать мешающее влияние (т. е. газы, полосы поглощения которых перекрываются с полосами анализируемого газа), то ими заполняется компенсационная кювета F, через которую проходят два луча. Таким образом, обеспечивается режим, при котором изменение концентрации этих газов не влияет на процесс измерений.
В анализаторах с отрицательным фильтром (рис. 2) излучение от источника направляется на кювету A, через которую продувается анализируемая газовая смесь (G + H), затем параллельно через кювету N, в которой циркулирует анализируемый газ H, и через компенсационную кювету F с газом, который может оказать мешающее влияние, и, наконец, на приемник (аналогичный описанному выше), включенный в дифференциальную схему. В этом приборе разность давлений между секциями P и Q детектора будет тем меньше, чем выше концентрация газа Н в смеси (отрицательный фильтр).
Применение
К настоящему времени достаточно разработана только инфракрасная абсорбционная спектроскопия. Около 80% анализаторов этого типа используются в промышленности для определения СО и СО2 и для контроля загрязнения окружающей среды. Эти анализаторы менее распространены в сталелитейной промышленности по сравнению с масс-спектрометрами, несмотря на высокую стоимость последних.
Использование лазеров в качестве источника монохроматического излучения получило широкое распространение в анализаторах, требующих очень высокой чувствительности, и в дистанционном анализе без отбора проб (определение загрязняющих примесей).
Анализаторы, использующие УФ- или видимое излучение, применяются в промышленности значительно реже — в особых случаях, для которых не существует других простых методов анализа.
Список литературы
Аш Ж., Андре П. и др. Датчики измерительных систем.
Кулаков М.В. Технологические измерения и приборы для химических производств.
Павленко В.А. Газоанализаторы.
Тхоржевский В.П. Автоматический анализ химического состава газов.1
