Расчет редуктораРефераты >> Технология >> Расчет редуктора
Содержание
Введение
1 Кинематический расчет привода
2 Расчет зубчатой передачи
2.1 Быстроходная ступень
2.2 Тихоходная ступень
3 Предварительный расчет валов
4 Компоновка редуктора
5 Уточненный расчет валов
6 Проверка долговечности подшипников
7 Выбор смазки редуктора
8 Проверка прочности шпоночного соединения
9 Подбор муфты
10 Список используемой литературы
Введение
Технический уровень всех отраслей народного хозяйства в значительной мере определяется уровнем развития машиностроения. На основе развития машиностроения осуществляется комплексная механизация и автоматизация производственных процессов в промышленности ,строительстве ,сельском хозяйстве, на транспорте.
Государством перед машиностроением поставлена задача значительного повышения эксплуатационных и качественных показателей при непрерывном росте объема ее выпуска.
Одним из направлений решения этой задачи является совершенствование
конструкторской подготовки студентов высших учебных заведений.
Выполнением курсового проекта по «Деталям машин» завершается общетехнический цикл подготовки студентов .При выполнении моей работы активно используется знания из ряда пройденных предметов : механики, сопротивления материалов ,технологий металлов и др.
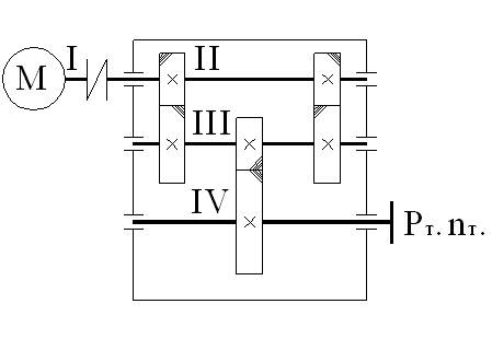
Объектом курсового проекта является привод с цилиндрическим двухступенчатым редуктором с раздвоенной быстроходной ступенью, использующие большинство деталей и узлов общего назначения.
1 Кинематический расчет
1.1 Находим момент на тихоходной ступени:
РВЫХ = Тw;
1.2 Определим общий КПД привода :
hпривода = h3зуб × h3подш × hмуфты,
где: hзуб – КПД зубчатой передачи ;
hподш – КПД подшипников;
hмуфты – КПД муфты.
hмуфты = 0,98 ; hзуб = 0,97; hподш = 0,99;
hпривода = 0,973 × 0,993 × 0,98 = 0,867.
1.3 Определим мощность двигателя:
1.4 Определим частоту вращения вала электродвигателя:
nвх = nвых × u,
где: u = uбыстр × uтих;
Из таблицы 1.2 [1] выбираем передаточные отношения тихоходной и быстроходной передачи:
uтих = (2,5…5); uбыстр = (3,15…5);
nвх = nвых × u = 70 × (2,5…5) × (3,15…5) 551,25…1750 об/мин.
Исходя из мощности ориентировочных значений частот вращения, используя т.2.4.8 [1] выбираем электродвигатель закрытый обдуваемый единой серии 4А
80B/720. Мощность РДВ = 5,5 кВт; синхронная частота равна 720 об/мин.
1.5 Определим общие передаточные числа привода и разобъем его между ступенями :
Определим действительное фактическое передаточное число:
Разбиваем передаточное число по ступеням Uд = Uред = 10,28.
Используя таблицу 1.3 [1] стр.7 имеем :
uбыстр = uред/uтих; uтих = 0,88
uред;
Cледовательно:
uтих = 0,88
10,28 = 2,82; Принимаем Uтих=3
uбыстр = 10,28 / 3 = 3,42; Принимаем Uбыстр=3,55
1.6 Определяем кинематические и силовые параметры отдельных валов привода:
I вал частота вращения : n1= nдв = 720 об/мин;
окружная скорость: w1 = wдв = p×n/30 = 3,14×720/30 =75,36 рад/с ; мощность: Р1 = Рдв = 5,5 кВт;
вращающий момент: Т1 = Тдв = Рдв/wдв = 5500/75,36 = 72,98 Н×м;
II вал частота вращения : n2= n1 = nдв = 720 об/мин;
окружная скорость: w2=w1=75,36 рад/с ; мощность: Р2=Р1 × hмуфты × hподш = 5,5 × 0,98 × 0,99 = 5,3361 кВт;
вращающий момент: Т2=Т1 × hмуфты × uмуфты = 72,98 × 0,98 × 1 = = 71,5204 Н×м;
III вал частота вращения : n3= n2/uбыстр = 202,8 об/мин;
окружная скорость: w1 = p×n3/30 = 3,14×202,8/30 = 21,2 рад/с ;
мощность: Р3 = Р2 × h2зуб × hподш = 5,3361 × 0,972 × 0,99 = 4,97 кВт;
вращающий момент: Т3=Т2 × hзуб × uбыстр = 71,52 × 0,97 × 3,55 = =246,3 Н×м;
IV вал частота вращения : n4= n3/uтих = 202,8/3 = 67,6 об/мин;
окружная скорость: w4 = p×n4/30 = 3,14×67,6/30 = 7,7 рад/с ; мощность: Р4 = Р3 × hзуб × hподш = 4,97 × 0,97 × 0,99 = 4,77 кВт;
вращающий момент: Т4 =Т3 × hзуб × uтих = 246,3 × 0,97 × 3 = = 716,7 Н×м;
Все полученные данные сводим в таблицу.
Таблица 1.
| Номер вала | Частота вращения, об/мин | Угловая частота вращения, рад/с | Мощность, Вт | Момент, Н×м |
| I | 720 | 75,36 | 5500 | 72,98 |
| II | 720 | 75,36 | 5336 | 71,52 |
| III | 202,8 | 21,2 | 4970 | 246,3 |
| IV | 67,6 | 7,7 | 4770 | 716,7 |
3 Предварительный расчет валов
Крутящий момент в поперечных сечениях валов
Ведущего TII= 71,52×103 H×мм
Промежуточного TIII= 246,3×103 H×мм
Ведомого TIV= 716,7×103 H×мм
Диаметр выходного конца ведущего вала при [t]k=25H/мм2
диаметр шеек под подшипники принимаем dn2=25 мм; под ведущей шестерней dk2=32 мм
У промежуточного вала расчетом на кручение определяем диаметр опасного сечения (под шестерней) по пониженным допускаемым напряжениям.
