Расчёт трансформатораРефераты >> Технология >> Расчёт трансформатора
выражены в (м),
- в A/м2;
Средняя условная теплопроводность обмотки без учёта межслойной изоляции
,
для ВН:
,
для НН:
.
– удельная теплопроводность изоляции (значение
выбирается из таблицы 6.1).
- теплопроводность межслойной изоляции (из таблицы 6.1).
Средняя условная теплопроводность обмотки
,
для ВН:
,
для НН:
.
Полный внутренний перепад температуры
,
для ВН:
,
для НН:
.
- радиальный размер катушки, м; при наличии в обмотке осевого охлаждающего канала размер
равен ширине наиболее широкой из катушек;
Среднее значение внутреннего перепада температуры в обмотке
,
для ВН:
,
для НН:
.
Таблица 6.1
Удельные теплопроводимости изоляционных и других материалов
|
Материалы |
λ, Вт/(м·°С) |
|
Бумага кабельная сухая Бумага кабельная в масле Электроизоляционный картон Лакоткани электроизоляционные Гетинакс Текстолит Стекло текстолит Масло при отсутствии ковекции Медь Алюминий |
0,12 0,17 0,17 0,25 0,17-0,175 0,146-0,162 0,178-0,182 0,1 390 226 |
При расчёте внутреннего перепада в катушках с общей изоляцией всей катушки значение
- следует определять как суммарную толщину изоляции провода и общей изоляции катушки на одну сторону.
Перепад температуры на поверхности цилиндрических обмоток из круглого или прямоугольного провода или алюминиевой ленты
,
для ВН:
,
где
.
для НН:
.
где
=0,285.
Среднее превышение температуры обмотки над температурой масла
,
для ВН:
,
для НН:
.
определяются для каждой обмотки если они выполняются без осевых охлаждающих каналов, или катушки, если обмотки разделены осевыми охлаждающими каналами на катушки.
6.2. Тепловой расчёт бака
Бак трансформатора должен иметь хорошую теплоотдачу, быть механически прочным, простым в изготовлении, иметь малые габариты. Тип бака выбирается по мощности трансформа – (табл. 6.2)
Таблица 6.2
Типы баков силовых масляных трансформаторов
|
Тип бака |
Вид охлаждения |
Пределы применения по мощности, кВ∙А |
|
Бак с гладкими сетками Бак с вваренными охлаждающими гнутыми трубами (трубчатый) Бак с навесными радиаторами с прямыми трубами Бак с навесными радиаторами с гнутыми трубами |
м м м м |
До 25-40 От 40-63 до 1600 От 100 до 6300 От 2500 до 10000 |
Примечание: При современных технологиях изготовления более технологичными являются баки с навесными радиаторами с прямыми трубами.
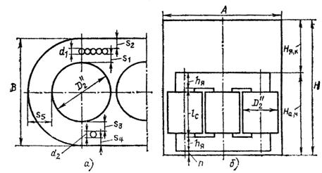
Для расчета размеров бака необходимо определить следующие изоляционные расчеты расстояния и размеры (рис. 6.1):
Рис. 6.1. К определению основных размеров бака
– изоляционное расстояние от изолированного отвода обмотки ВН до собственной обмотки (по табл. 6.3);
;
– изоляционное расстояние от изолированного отвода обмотки ВН до стенки бака (по табл. 6.3);
;
– диаметр изолированного отвода обмотки ВН: при классах напряжения 10 и 35 кВ при мощности трансформатора до 10000 кВ∙А
=20мм, а при больших мощностях
=25мм;
;
– изоляционное расстояние от отвода обмотки НН до обмотки ВН (табл. 6.4);
;
– изоляционное расстояние от изолированного отвода обмотки НН до стенки бака (по табл. 6.3);
;
– диаметр изолированного отвода от обмотки НН, равный
, или размер неизолированного отвода НН (шины), равный 10-15 мм.
.
Таблица 6.3
Минимально допустимые расстояния от отводов до заземлённых частей
|
Испытательное напряжение отвода, кВ |
Толщина изоляции на одну сторону, мм |
Диаметр отвода, мм |
Расстояние от гладкой стенки бака или собственной обмотки, мм |
|
До 25 |
Собств. Собств. 2 |
<6 >6 — |
25 22 20 |
|
35 |
Собств. Собств. 2 |
<6 >6 — |
33 28 20 |
|
45 |
Собств. Собств. 2 |
<6 >6 — |
42 37 25 |
|
55 |
Собств. Собств. 2 |
<6 >6 — |
50 45 32 |
|
85 |
2 4 6 |
— — — |
50 40 35 |
