Проектирование аналогового измерительного преобразователя мощностиРефераты >> Технология >> Проектирование аналогового измерительного преобразователя мощности
При этом, поскольку неизвестных больше, чем уравнений, зададимся некоторыми из них, исходя из условий реализуемости ПЧФ. Можно, например, принять емкости конденсаторов
и
то есть задаться коэффициентом М:
При указанном коэффициенте М сопротивления резисторов получаются равными:
Сопротивления резисторов и емкости конденсаторов второго входного ПЧФ равны соответствующим сопротивлениям резисторов и емкостям конденсаторов первого входного ПЧФ, а именно
3.2. Перемножитель
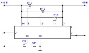
Аналоговые измерительные преобразователи активной мощности осуществляются на основе аналогового перемножения мгновенных значений непрерывно изменяющихся напряжения и тока. Выходное напряжение зависит от каждой из входных величин (напряжения или тока) при постоянном значении второй из них. Указанная зависимость реализуется в интегральном перемножителе типа К525ПС2, который представляет собой четырехквадрантный аналоговый перемножитель сигналов, на основе использования свойств электронно–дырочных переходов транзистора и диода, а именно: пропорциональности тока коллектора току базы; экспоненциальной и логарифмической зависимостей тока коллектора от напряжения на эмиттерном переходе транзистора и напряжения на диоде от его прямого тока соответственно.
Умножение осуществляет дифференциальный каскад на транзисторах
Перекрестные связи коллекторов этих транзисторов обеспечивают инверсию сигналов, необходимую для четырехквадрантного умножения. Входные каскады на транзисторах
преобразуют входные напряжения в токи.
где
Произведение мгновенных значений напряжения и тока представляет собой, как известно, мгновенную мощность, в частности при синусоидальном токе промышленной частоты, равную
Постоянная составляющая данного выражения и есть выходной сигнал ИПАМ, поэтому аналоговые ИПАМ формируют выходной сигнал в виде пропорционального активной мощности постоянного напряжения.
Гармоническая составляющая удвоенной промышленной частоты данного выражения представляет собой внутреннюю помеху, генерируемую при измерительном преобразовании мощности. Она обычно задерживается аналоговым выходным фильтром.
3.3. Расчет выходного частотного фильтра
В качестве выходного фильтра целесообразно применить фильтр нижних частот (ФНЧ) с плоской АЧХ (фильтр Баттерворта), имеющий максимальный коэффициент передачи постоянной составляющей напряжения на выходе перемножителя (выходного сигнала).
По известной постоянной времени
определяется частота свободной колебательной составляющей переходного процесса
Активному ФНЧ соответствует передаточная функция
где
которая определяется заданной АЧХ при
:
отсюда
Коэффициент передачи постоянной составляющей ФНЧ равен единице
поэтому
АЧХ выходного ФНЧ:
Коэффициент передачи фильтром гармонической составляющей удвоенной промышленной частоты
то есть
, что соответствует исходным данным.
Передаточная функция ФНЧ через параметры схемы определяется выражением
где
Из данных соотношений по известным ![]()
![]()
определяются сопротивления резисторов и емкости конденсаторов:
где М – коэффициент (М=1.5…2.5).
При этом, поскольку неизвестных больше, чем уравнений, зададимся некоторыми из них, исходя из условий реализуемости ФНЧ. Можно, например, принять емкость конденсатора
и коэффициент М=2.0. Другие параметры схемы ФНЧ получаются равными
Поскольку коэффициент преобразования ИПАМ равен произведению коэффициентов передачи двух ПЧФ (в цепи напряжения и тока), то относительная погрешность преобразования при изменениях промышленной частоты определяется как
где
,
то есть
В частности при
погрешность составляет
а при
соответственно
Погрешности укладываются в заданные допустимые значения.
