Конструирование балочной клеткиРефераты >> Строительство >> Конструирование балочной клетки
6.1.Компоновка и подбор сечения балки
Сечение составной сварной балки состоит из трех листов: вертикального - стенки и двух горизонтальных - полок .
Максимальный расчетный изгибающий момент и максимальная перерезывающая сила определяем с учётом собственного веса главной балки, умножением расчетным значений на коэффициент a=1,02 .
Рис. 12
;
Мрасч=3956,4 кНм;
Мmax=1,02·3956,4=4074,68 кНм;
Qрасч=2*565,2=1130,4 кН;
Qmax=1,02·1130,4=1164,3 кН;
Найдём требуемый момент сопротивления по формуле:
;
где gс =1,1
Рис. 13
Определим минимально допустимую высоту балки
Определим оптимальную высоту балки, соответствующую наименьшему расходу стали:
;
k=1,2;
;
- вычисляется по эмпирической формуле:
Принимаем tw=12мм
Принимаем высоту главной балки
.
Из условия среза определяем минимальную толщину стенки (без учёта работы поясов)
Принимаем толщину стенки 10 мм.
Чтобы обеспечить местную устойчивость стенки без укрепления продольными рёбрами жёсткости необходимо чтобы
, т.е. должно выполняться условие:
;
1>0,78=>не требуется укрепление стенки дополнительными ребрами.
Подбор сечения поясов
Требуемый момент инерции сечения
Момент инерции стенки:
Рис. 14
Требуемый момент инерции полок:
Jf тр = Jтр - JW ;
Jf тр =1003236-166698=836538 см4;
Требуемая площадь сечения полки:
Пусть
=53 см
tf=Af/ bf=102,12/53≈20 мм.
Уточним площадь сечения полки:
Af= bf tf=53·2=106 см2.
Для обеспечения устойчивости сжатого пояса балки необходимо выполнение условия:
bef=(bf-tw)/2=(530-10)/2=260;
13<14,65 => устойчивость сжатого пояса обеспечена.
6.2.Проверка прочности
Момент инерции:
Момент сопротивления:
Статический момент:
;
Rg gс = 1,1 × 24 = 26.4 кН/см2
25,29 < 26,4 - условие прочности выполняется.
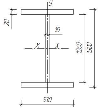
Выбираем листовой прокат для поясов 530х20х14000, для стенки 1300х10х14000.
Т.к. пролет 14 м, то экономически целесообразно уменьшить сечение балки. Уменьшение сечения будем делать на расстоянии 1/6 пролета балки от опоры, т.е. х=2,33 м.
Рис. 15
С учетом собственного веса главной балки М/=1,02·2306=2352,12 кНм.
Определим требуемый момент сопротивления и момент инерции измененного сечения, исходя из прочности сварного стыкового шва, работающего на растяжение.
Принимаем пояс шириной 400 мм.
Уточним площадь сечения полки:
Af1= bf1 tf=40·2=80 см2.
Рис. 16
Геометрические характеристики сечения балки
Момент инерции
Момент сопротивления
Статический момент
18,6<22,44 кН/см2 -условие прочности выполняется.
Максимальное касательное напряжения в балке
RS gс = 0,58×24·1,1=15,3 кН/см2
10,06<15,3- проверка выполняется.
6.3. Проверка и обеспечение местной устойчивости элементов главной балки
Проверим устойчивость стенки и определим необходимость постановки ребер жесткости. Условная гибкость стенки определяется по формуле
.
4,3>3,2 => необходимо укрепление стенки ребрами жесткости.
Выполняем постановку рёбер жёсткости в местах передачи нагрузки от вспомогательной балки на главную.
Рис. 17
Ширина ребер :
Принимаем bh = 90 мм.
Толщина ребра
Принимаем tS = 7 мм.
Балка разбита на пять отсеков.
Проверка устойчивости стенки в первом отсеке.
