Конструктивно-технологические характеристики зданияРефераты >> Строительство >> Конструктивно-технологические характеристики здания
Содержание
1. Краткое описание конструктивно-технологических решений здания
2. Возведение подземной части здания
3. Выбор монтажного крана
3.1 Для подземной части здания
3.2 Для надземной части здания
4. Возведение надземной части здания
4.1 Ведомость подсчета объемов работ сборных конструкций
4.2 Ведомость подсчета работ по кирпичной кладке
4.3 Ведомость подсчета объемов работ по установке оконных, дверных блоков, окраске и остекленению
4.4 Ведомость подсчета работ по кровле
4.5 Ведомость подсчета работа работ по покрытию пола
4.6 Ведомость подсчета объемов работ по окраске стен, штукатурке, отделке потолка, наклейке обоев, устройству плитки
5. Ведомость подсчета потребностей в машинах и механизмах
6. Краткое описание возведения отдельных частей здания
7. Мероприятия по технике безопасности
Список используемой литературы
1. Краткое описание конструктивно-технологических решений здания
Строительные конструкции и изделия.
Конструктивная схема- с поперечными и продольными несущими стенами.
Фундаменты - ленточные из сборных железобетонных плит.
Стены наружные - сплошной и облегченной кладки из глиняного пустотелого кирпича.
Стены внутренние - из силикатного кирпича.
Стены мансарды - деревянные. Утеплитель - полужесткие минераловатные плиты средней плотностью.
Перекрытие и покрытие - железобетонные, предварительно напряженные многопустотные панели.
Перемычки - сборные железобетонные.
Перегородки - из керамических пустотелых панелей.
Лестницы - ступени железобетонные.
Крыша - чердачная с деревянными стропилами с организованным водостоком.
Кровля - черепичная.
Утеплитель покрытия - газосиликатные плиты средней плотностью 400 кг/
.
Утеплитель перекрытия мансарды – полужесткие минераловатные плиты.
Полы – террацевые, из керамической плитки, бетонные, линолеумные.
Окна – со спаренными переплетами.
Двери – щитовые.
Отделка наружная:
Облицовка белым силикатным или красным отделочным кирпичом.
Штукатурка цоколя с последующим набрызгом цементным раствором.
Отделка внутренняя:
Потолок – эмульсионная, клеевая, известковая и масленая краска. Стены, перегородки – штукатурка, эмульсионная, известковая и масленая окраска. Облицовка глазурованной плиткой, оклейка обоями.
Инженерное оборудование:
Водопровод – хозяйственно-питьевой от внешней сети.
Канализация самотечная в наружную сеть.
Отопление – центральное, водяное от наружных тепловых сетей.
Вентиляция – приточно-вытяжная с механическим побуждением и естественно-вытяжная.
Горячее водоснабжение – от внешней сети.
Устройства связи – телефонизация, радиофикация, противопожарная и охранная сигнализация.
Электроснабжение – от внешней сети.
Оснащение здания:
Оборудование – школьная мебель. Для кухни и санузлов – электрические плиты, мойки, унитазы, умывальники, душевые поддоны.
2. Возведение подземной части здания
ПРОЕКТИРОВАНИЕ КОТЛОВАНА
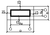
В данном здании применены ленточные фундаменты. Глубина заложения 1,8 м. Грунт – суглинок, принимаем коэффициент заложения т=0,5
Определение технологической последовательности и объёмов работ нулевого цикла
|
№ пп |
Наименование работ |
Эскиз |
Формулы подсчёта |
Ед. изм |
Кол-во |
|
1 |
2 |
3 |
4 |
5 |
6 |
|
1. |
Срезка растительного слоя |
|
hРС=0,15 а=А0+2 ·15 b=В0+2 ·15 SРС = a · b
|
м м м м2 м3 |
0,15 63,18 42,54 2687,68 403,15 |
|
2. |
Отрывка котлована |
|
HГП=1,8 АН = А0+ШФ+2С АВ = АН+2а а = m ·Н ВН = В0+ШФ+2С ВВ = ВН+2а Нотр = Нгп – 0,15 |
м м м м м м м м3 |
1,8 35,36 37,16 0,9 14,72 16,52 1,65 1019,45 |
|
3. |
Ручная доработка грунта |
|
hрд = 0,15 Vрд = А · В · hрд |
м м3 |
0,15 78,07 |
|
4. |
Уплотнение грунта котлована |
|
Fупл = А ·В |
м2 |
520,5 |
|
5. |
Устройство песчаной (щебёночной) подсыпки: Для ленточного фундамента. |
|
Шпп = Шф + 0,1 · 2 Vпп = Шпп · hпп · Lф hпп = 0,1 |
м м3 м |
1,38 0,14 0,1 |
|
6. |
Устройство въездной траншеи |
|
b = а + 2mH
|
м м м3 |
12 6,8
|
|
7. |
Устройство фундаментов. А) Установка фундаментных подушек. Б) устройство фундаментных блоков. |
|
N(подушек)=74 шт. N(блоков)=222 шт. |
100 шт. |
0,74 2,22 |
|
8. |
Устройство гидроизоляции: ленточный ф-т |
|
SГ = LФ · ШФ SВ = LФ · НФ |
м2 м2 |
17,98 14,94 |
|
9. |
Обратная засыпка |
|
Vобр.з. = VК – Vф –Vподв.+ VВТ= =1019,45-96,95-368,05+127,44= |
м3 |
681,89 |
|
10. |
Уплотнение |
Vупл = Vобр. з |
м3 |
681,89 |
