Монтаж двухтрубной системы отопленияРефераты >> Строительство >> Монтаж двухтрубной системы отопления
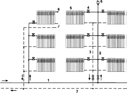
Рис. 2. Двухтрубная вертикальная система водяного отопления с верхней разводкой.
На рисунке 2 приведена схема вертикальной двухтрубной системы отопления с верхней разводкой с односторонним и двухсторонним присоединением нагревательных приборов. Горячая вода из теплового пункта подается в главный стояк, затем по горизонтальной магистрали разводится к стоякам и от них к нагревательным приборам. Охлажденная вода из нагревательных приборов собирается в общий обратный стояк и далее через обратную магистраль поступает в тепловой пункт. Горизонтальные магистрали прокладываются с уклоном 0,002. Уклоны горизонтальных труб должны обеспечить выход воздуха из системы к верхним точкам, где он будет удален через воздухоотводчики.
По расположению труб, соединяющих нагревательные приборы, системы делятся на вертикальные, когда приборы присоединяются к вертикальному стояку, и горизонтальные, когда приборы присоединяются к горизонтально расположенным трубопроводам.
Рис. 3. Двухтрубная вертикальная система водяного отопления с нижней разводкой.
1 - магистраль горячей воды;
2 - стояки горячей воды;
3 - стояки обратной воды;
4 - краны у приборов;
5 - нагревательные приборы;
6 - выпуск воздуха;
7 - обратная магистраль.
В системе с нижней разводкой магистральная пиния располагается в нижней части системы.
Движение воды по стоякам происходит снизу верх. Удаление воздуха из системы осуществляется через воздушные краны, устанавливаемые на верхних нагревательных приборах, или с помощью автоматических воздухоотводчиках, устанавливаемых на стояках или специальных воздушных линиях.
В отличие от однотрубных систем, двухтрубные системы напрямую экономят тепло. В том случае, если помещение перегрето, термостат уменьшает или прекращает доступ теплоносителя в прибор. Если теплоноситель, который не поступил в прибор, попадет в прибор соседнего помещения, то он перегреет это помещение и термостат этого помещения прикроется. Таким образом, излишний теплоноситель из циркуляции исключается. В режиме минимум в двухтрубную систему поступает теплоноситель, циркулирующий только по нерегулируемым стоякам (лестничные клетки, лифтовые холлы, межквартирные коридоры). В этом отношении двухтрубные системы более прогрессивны, чем однотрубные.
Для обеспечения необходимой тепловой и гидравлической устойчивости в узлах обвязки нагревательных приборов устанавливаются термостаты, способные дросселировать значительную потерю давления. Из теории автоматизации известно, что для качественной работы регулирующего органа его авторитет (отношение потери давления в регуляторе к потере давления на регулируемом участке) должен быть в пределах 30–70%. Таким образом, эта потеря может колебаться от 8–10 кПа на периферии до 25–28 кПа у основания стояка. Для обеспечения такой потери давления, учитывая, что расчетный расход теплоносителя в приборе может быть небольшим, размер дросселирующего отверстия термостата должен быть очень маленьким. Практически минимальное отверстие в термостатах для двухтрубных систем сравнимо даже не с булавочной головкой, а с булавочным острием. В том случае, если теплоноситель в системе имеет загрязнения, такие отверстия легко засоряются. Для того чтобы этого не происходило, требуется качественное обслуживание системы, постоянная очистка грязевиков и еще ряд известных мероприятий. В том случае, если заказчик не в состоянии гарантировать такое обслуживание (а также сохранность термостатических клапанов у приборов), применение двухтрубной системы не является оптимальным решением. Поэтому при выборе типа системы отопления мы рекомендуем в первую очередь выяснять, в каких условиях будет эксплуатироваться здание. При выборе типа термостатов следует обращать внимание, во-первых, на шумовые характеристики термостатов (не зашумит ли термостат при максимальных потерях давления в нем) и, во-вторых, на то, какое количество фиксированных настроек может этот термостат обеспечить. Чем больше это число, тем точнее можно обеспечить распределение теплоносителя по нагревательным приборам. Вертикально-двухтрубные системы проектируются наиболее часто с нижней прокладкой разводящих магистралей. Объясняется это тем, что из-за разности температур в подающем и обратном стояках возникают значительные гравитационные давления (в 25-этажном доме до 10 кПа). Для приборов различных этажей эти давления различны, чем выше прибор, тем больше гравитационное давление. При нижнем расположении разводящих магистралей дополнительное гравитационное давление используется для преодоления теплоносителем трубопроводов стояка. В этих условиях система работает более равномерно. Однако, если это невозможно, можно проектировать системы и с верхним расположением подающей магистрали. Рекомендуется избегать систем с верхним расположением подающей и обратной магистралей, так как в этом случае трудно исключить засорение нижних приборов, они становятся естественными сборниками шлама. Для балансировки в основании стояков устанавливаются БК. Однако балансировка системы и тип БК не такие, как в однотрубной системе. Как было сказано выше, расход теплоносителя в двухтрубной системе колеблется от максимума в режиме максимум почти до нуля в режиме минимум. При этом потери давления в трубопроводах и арматуре, имеющей постоянное гидравлическое сопротивление, изменяются и тоже стремятся к нулю. В этих условиях БК должны обеспечивать постоянный перепад давления в месте установки. Поэтому балансировку осуществляют регуляторы постоянства перепада давления. Таким образом, БК в двухтрубной системе не только гидравлически увязывают первый стояк с последним, но и обеспечивают постоянство условий работы всех стояков при различных режимах работы системы. Установка в двухтрубных системах в качестве БК регуляторов с ручным управлением типа регулируемой диафрагмы ошибочна, так как она обеспечивает балансировку системы только в расчетном режиме (режиме максимум). Установка этих регуляторов возможна для некоторой юстировки расходов теплоносителя по стоякам. Хотелось бы вернуться ко второму мифу про системы отопления – необходимости повсеместной установки БК. Конечно, в том случае, если в разводящих магистралях мы теряем значительный напор, сравнимый с потерей давления в стояках и термостатах (например, 15–20 кПа), установка БК обязательна. Однако, если в разводящих магистралях мы теряем напор незначительный (3–4 кПа), то БК, по нашему мнению, можно не устанавливать. Дело в том, что в двухтрубной системе разрегулировка наступает из-за изменения потерь давления в нерегулируемых элементах (трубопроводах, задвижках, вентилях и т. п.) при изменениях расхода теплоносителя, а также из-за изменения гравитационного напора. БК, установленные в основании стояка, не в состоянии изменить разбалансировки, возникающие после них (потери в стояках, гравитационный напор), потому что их основная функция – поддерживать постоянный перепад давления после себя, что бы после них ни происходило. Они могут ликвидировать только те разрегулировки, которые возникают до них (в случае установки регулятора постоянства перепада давления в узле ввода – разрегулировки от изменения потери давления в разводящих магистралях). Установка дорогостоящей арматуры, которая требует дополнительных затрат на наладку и эксплуатацию, для ликвидации разрегулировки в 3 кПа при наличии разрегулировок в 17 и 9 кПа, с которыми мы не способны справиться в принципе, мероприятие довольно странное. Ведь при минимальной потере давления в термостатах, равной 10 кПа, разрегулировка 3 кПа практически не окажет никакого влияния на работу системы. Получить такие небольшие потери давления в разводящих магистралях без значительного завышения диаметров труб вполне реально при проектировании посекционных тупиковых систем отопления. Зона применения двухтрубных систем отличается от зоны применения однотрубных: стояки двухтрубных системы могут быть и одноэтажными. Ограничение высотности должно быть скорее сверху. Хотя существующие программы для ЭВМ позволяют проектировать и 25-этажные системы, мы рекомендуем ограничивать высотность 17–20 этажами. При уменьшении высоты системы снижаются вертикальные разрегулировки и экономится большее количество тепла. В заключение хочется предостеречь от ручного расчета двухтрубных систем, так как он достаточно трудоемок. Дело в том, что происходит значительное охлаждение теплоносителя в стояках, если они не изолированы. При 25-этажном стояке температура у последнего прибора снижается на 10–15°С, и это нужно учитывать наряду с дополнительными теплопоступлениями от труб на первых этажах. Расчет двухтрубной системы не легче, чем расчет однотрубной.
