Отопление и вентиляция гражданского зданияРефераты >> Строительство >> Отопление и вентиляция гражданского здания
4 РАСЧЕТ ТРУБОПРОВОДОВ ДВУХТРУБНОЙ СИСТЕМЫ ВОДЯНОГО ОТОПЛЕНИЯ
Как известно из гидравлики при движении реальной жидкости по трубам всегда имеют место потери давления на преодоление сопротивления двух видов – трения и местных сопротивлений. К местным сопротивлениям относятся тройники крестовины, отводы, вентили, краны нагревательных приборов, котлы, теплообменники и т. д
Потери давления Rт, Па, на преодоление трения на участке трубопровода с
постоянным расходом движущейся среды (воды, пара) и неизменным диаметром определяют по формуле:
,
где R – удельная потеря давления;
l – длина участка трубопровода.
Потерю давления на преодоление местных сопротивлений, Па, определяют по формуле:
где
– сумма коэффициентов местных сопротивлений в данном участке трубопровода, величина безразмерная;
– динамическое давление воды в данном участке трубопровода, Па.
Общее сопротивление, возникающее при движении воды в трубопроводе циркуляционного кольца, включая отопительный прибор, котел и арматуру, может быть представлено как сумма потерь давления на трение ΣR·l и сумма потерь в местных сопротивлениях ΣΖ уравнением:
,
где Ρр – располагаемое давление.
Расчёт сети начинают с главного циркуляционного кольца, для которого Rср имеет наименьшую величину.
Кроме величины Rср, для подбора диаметра трубопроводов по таблице или номограмме необходимо знать количество воды G, кг/ч, протекающей по каждому расчетному участку циркуляционного кольца.
Величина G определяется по формуле:
, кг/ч
где Q – тепловая нагрузка расчетного участка по теплоотдаче приборов, Вт;
tг-tо – перепад температур воды в системе, оС;
с – теплоемкость воды, кДж/(кг·К);
3,6 – коэффициент перевода единиц Вт в кДж/ч.
Ориентируясь на полученное значение Rср, и определив количество воды
G, кг/ч, можно с помощью номограммы или расчетной таблицы подобрать оптимальные диаметры труб расчетного кольца. Все данные, получаемые при расчете трубопровода, заносят в таблицу.
При расчете отдельных участков трубопровода необходимо иметь в виду следующее: местное сопротивление тройников и крестовин относят лишь к расчетным участкам с наименьшим расходом воды; местные сопротивления нагревательных приборов, котлов и бойлеров учитывают поровну в каждом примыкающем к ним трубопроводе.
Если по произведенному расчету с учетом запаса до 10% расходуемое давление в системе будет больше или меньше располагаемого давления, то на отдельных участках кольца следует изменить диаметры труб.
Невязка в расходуемом давлении между отдельными циркуляционными кольцами допускается в однотрубных системах и двухтрубных системах с попутным движением воды до 15%, а в двухтрубных с тупиковой разводкой – до 25%.
Расчет трубопроводов двухтрубной системы водяного отопления с искусственной циркуляцией воды отличается от расчета трубопроводов такой же системы, но с естественной циркуляцией воды определением располагаемого давления. В системе с искусственной циркуляцией оно складывается из давления, возникающего в результате охлаждения воды в приборах и трубопроводах, и давления, которое создается насосом.
Располагаемое давление в этом случае определяется по выражению
,
где ΔРпр – естественное давление, возникающее при охлаждении воды в приборах. Па,
ΔРтр – естественное давление, возникающее в результате охлаждения воды в трубопроводах, Па;
Рнас – давление, создаваемое насосом, Па.
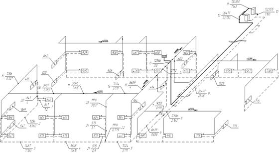
Аксонометрическая схема системы отопления представлена на рисунке 4.
Гидравлический расчёт системы отопления сводим в таблицу 3.
Рисунок 4 Аксонометрическая схема системы отопления
Таблица 3 Гидравлический расчёт системы отопления.
|
№ участка |
Тепловая нагрузка на участок Qуч, Вт |
Расход теплоно-сителя на участке G, кг/ч |
Длинна участка l, м |
Диаметр трубы d, мм |
Скорость воды на участке W, м/с |
Динами-ческий напор hw, Па |
Удельная потеря давления на трение R, Па |
Потеря давления на трение Rl, Па |
Сумма коэффици-ентов местных сопротивлений Σζ |
Потеря давления на местные сопротив-ления ΔP=Σζ·hw,Па |
Полные потери давления на трение ΔP, Па |
|
1 |
2 |
3 |
4 |
5 |
6 |
7 |
8 |
9 |
10 |
11 |
12 |
|
Большое циркуляционное кольцо | |||||||||||
|
1 |
841 |
28,93 |
1,2 |
20 |
0,026 |
0,33 |
0,58 |
0,70 |
2,1 |
0,70 |
1,40 |
|
2 |
1256 |
43,21 |
8,362 |
20 |
0,039 |
0,75 |
1,30 |
10,88 |
2,5 |
1,87 |
12,75 |
|
3 |
3487 |
119,95 |
7,783 |
25 |
0,069 |
2,36 |
3,11 |
24,20 |
1,0 |
2,36 |
26,56 |
|
4 |
5845 |
201,07 |
7,615 |
25 |
0,116 |
6,63 |
8,74 |
66,52 |
1,0 |
6,63 |
73,15 |
|
5 |
7024 |
241,63 |
3,711 |
25 |
0,140 |
9,57 |
12,61 |
46,81 |
1,5 |
14,36 |
61,17 |
|
6 |
8639 |
297,18 |
5,838 |
25 |
0,172 |
14,48 |
19,08 |
111,40 |
3,5 |
50,67 |
162,07 |
|
7 |
9053 |
311,43 |
0,911 |
25 |
0,180 |
15,90 |
20,96 |
19,09 |
1,5 |
23,85 |
42,94 |
|
8 |
12586 |
432,96 |
2,162 |
25 |
0,251 |
30,73 |
40,50 |
87,57 |
3,5 |
107,55 |
195,12 |
|
9 |
26471 |
910,61 |
25,45 |
32 |
0,322 |
50,64 |
49,02 |
1247,62 |
5,0 |
253,18 |
1500,80 |
|
10 |
13235,5 |
455,31 |
1,163 |
25 |
0,264 |
33,98 |
44,79 |
52,09 |
4,5 |
152,92 |
205,01 |
|
11 |
13235,5 |
455,31 |
1,163 |
25 |
0,264 |
33,98 |
45,53 |
52,95 |
6,0 |
203,89 |
256,84 |
|
12 |
26471 |
910,61 |
33,732 |
32 |
0,322 |
50,64 |
49,83 |
1680,88 |
5,0 |
253,18 |
1934,07 |
|
13 |
12586 |
432,96 |
0,8 |
25 |
0,251 |
30,23 |
41,17 |
32,94 |
2,0 |
60,46 |
93,40 |
|
14 |
12172 |
418,72 |
2 |
25 |
0,242 |
28,27 |
38,51 |
77,01 |
1,5 |
42,41 |
119,42 |
|
15 |
8639 |
297,18 |
4 |
25 |
0,172 |
14,24 |
19,40 |
77,59 |
1,5 |
21,36 |
98,95 |
|
16 |
7024 |
241,63 |
3,711 |
25 |
0,140 |
9,42 |
12,82 |
47,58 |
1,5 |
14,12 |
61,71 |
|
17 |
5845 |
201,07 |
7,615 |
25 |
0,116 |
6,52 |
8,88 |
67,62 |
1,0 |
6,52 |
74,14 |
|
18 |
3487 |
119,95 |
7,783 |
25 |
0,069 |
2,32 |
3,16 |
24,60 |
1,0 |
2,32 |
26,92 |
|
19 |
1256 |
43,21 |
8,321 |
25 |
0,025 |
0,30 |
0,41 |
3,41 |
2,5 |
0,75 |
4,16 |
|
20 |
841 |
28,93 |
4 |
20 |
0,026 |
0,33 |
0,59 |
2,37 |
4,6 |
1,52 |
3,89 |
|
Малое циркуляционное кольцо | |||||||||||
|
21 |
575 |
19,78 |
0,9 |
20 |
0,018 |
0,16 |
0,3 |
0,2 |
2,1 |
0,3 |
0,6 |
|
22 |
1179 |
40,56 |
0,779 |
20 |
0,037 |
0,66 |
1,1 |
0,9 |
1,5 |
1,0 |
1,9 |
|
5 |
7024 |
241,63 |
3,711 |
25 |
0,140 |
9,57 |
12,6 |
46,8 |
1,5 |
14,4 |
61,2 |
|
6 |
8639 |
297,18 |
5,838 |
25 |
0,172 |
14,48 |
19,08 |
111,40 |
1,5 |
21,72 |
133,12 |
|
7 |
9053 |
311,43 |
0,911 |
25 |
0,180 |
15,90 |
20,96 |
19,09 |
3,5 |
55,64 |
74,73 |
|
8 |
12586 |
432,96 |
2,162 |
25 |
0,251 |
30,73 |
40,50 |
87,57 |
1,5 |
46,09 |
133,66 |
|
9 |
26471 |
910,61 |
25,45 |
32 |
0,322 |
50,64 |
49,02 |
1247,62 |
3,5 |
177,23 |
1424,84 |
|
10 |
13235,5 |
455,31 |
1,163 |
25 |
0,264 |
33,98 |
44,79 |
52,09 |
5,0 |
169,91 |
222,00 |
|
11 |
13235,5 |
455,31 |
1,163 |
25 |
0,264 |
33,98 |
44,79 |
52,09 |
4,5 |
152,92 |
205,01 |
|
12 |
26471 |
910,61 |
33,732 |
32 |
0,322 |
50,64 |
49,02 |
1653,62 |
6,0 |
303,82 |
1957,44 |
|
13 |
12586 |
432,96 |
0,8 |
25 |
0,251 |
30,73 |
40,50 |
32,40 |
5,0 |
153,64 |
186,04 |
|
14 |
12172 |
418,72 |
2 |
25 |
0,242 |
28,27 |
37,88 |
75,76 |
2,0 |
56,55 |
132,31 |
|
15 |
8639 |
297,18 |
4 |
25 |
0,172 |
14,24 |
19,08 |
76,33 |
1,5 |
21,36 |
97,69 |
|
16 |
7024 |
241,63 |
3,711 |
25 |
0,140 |
9,42 |
12,61 |
46,81 |
1,5 |
14,12 |
60,94 |
|
23 |
1179 |
40,56 |
3,821 |
20 |
0,037 |
0,65 |
1,15 |
4,38 |
2,5 |
1,62 |
6,00 |
|
24 |
575 |
19,78 |
3,7 |
20 |
0,018 |
0,15 |
0,27 |
1,01 |
4,6 |
0,71 |
1,72 |
