Поэтажный расчет статической балкиРефераты >> Строительство >> Поэтажный расчет статической балки
Определяем реакции опор и строим эпюры моментов М и поперечных сил Q.
Изображаем расчетную схему
Рис.1 – Расчетная схема.
Выделяем главные балки АВ, DE и второстепенную ВС. Строим поэтажную схему.
Рис. 2 – поэтажная схема.
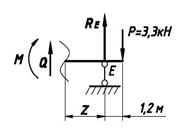
Расчет балки верхнего этажа.
Определим реакции опор.
;
кН;
;
кН;
Проверка:
;
- верно;
Начало координат выбираем в крайней левой точке. Рассмотрим равновесие отсеченной части бруса:
В сечении возникают внутренние усилия:
;
;
;
0<z<10;
При z=0 получаем:
кН;
;
При z=10 получаем:
кН;
;
кН.
Последовательно рассчитываем балки нижнего этажа.
Балка АВ.
Начало координат выбираем в крайней правой точке. Рассмотрим равновесие отсеченной части бруса:
В сечении возникают внутренние усилия:
;
;
;
0<z<10;
При z=0 получаем:
кН;
;
При z=10 получаем:
кН;
кН;
Так как на участке действует равномерно распределенная нагрузка моменты вычисляем в трех точках.
При z=5 получаем
кН;
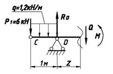
Балка СDE.
Определим реакции опор.
;
кН;
;
кН;
Проверка:
;
- верно;
Расчетная схема имеет четыре силовых участка. Рассмотрим первый участок.
Начало координат расположим в точке С. Рассмотрим равновесие отсеченной части бруса.
В сечении возникают внутренние усилия:
;
;
;
0<z<1;
При z=0 получаем:
кН;
;
При z=1 получаем:
кН;
кН;
Второй участок.
Начало координат расположим в точке D. Рассмотрим равновесие отсеченной части бруса.
В сечении возникают внутренние усилия:
;
;
;
0<z<2,2;
При z=0 получаем:
кН;
кН;
При z=2,2 получаем:
кН;
кН;
Третий участок.
Начало координат расположим в крайней правой точке. Рассмотрим равновесие отсеченной части бруса.В сечении возникают внутренние усилия:
;
;
;
0<z<1,2;
При z=0 получаем:
кН;
кН;
При z=1,2 получаем:
кН;
кН;
Четвертый участок.
Начало координат расположим в точке Е. Рассмотрим равновесие отсеченной части бруса.
В сечении возникают внутренние усилия:
;
;
;
0<z<7,8;
При z=0 получаем:
кН;
кН;
При z=1,2 получаем:
кН;
кН;
