Проект на строительство 15-тиэтажной каркасно-монолитной с разрезными каменными стенами блок-секции жилого домаРефераты >> Строительство >> Проект на строительство 15-тиэтажной каркасно-монолитной с разрезными каменными стенами блок-секции жилого дома
Основные разводящие магистрали водопровода прокладываются под потолком подвала. Стояки располагаются в санузлах и кухнях.
Пожарные стояки прокладываются скрытно, пожарные краны располагаются на высоте 135см от пола в шкафах. Норма потребности воды 350 л/сутки на 1 человека. Горячее водоснабжение, – централизованное от Ц.Т.П.
Наружное пожаротушение предусмотрено из существующих гидрантов на городской сети водопровода.
2 Расчётно-конструктивная часть
2.1 Расчёт монолитной плиты перекрытия
Настоящий расчет выполнен с применением автоматизированного программного комплекса «ProFet & Stark_ES 3.0».
Расчетная модель подробно описывает конструктивные решения здания, в том числе с учетом грунтовых условий. Целью расчета является получение данных для конструирования всех основных несущих конструкций здания.
2.1.1 Исходные данные.
Местные условия:
район по весу снегового покрова I;
Район по ветровому давлению IV, тип местности - В;
Сейсмичность района строительства 7 баллов;
Сейсмичность площадки строительства 8 баллов;
Категория грунта по сейсмическим свойствам (СНиП II-7-81) - II.
2.1.2 Здание прямоугольное в плане, размером 21 м х 16,8 м. Высота этажа 3.3 м, количество этажей 15. Конструктивная схема здания рамно-связевый каркас.
Фундамент свайный из свай сечением 35 х 35 длиной 9 м, жестко соединяемый с монолитной ж/б фундаментной плитой. Стены подвала монолитные железобетонные.
Каркас колонны монолитные ЖБ сечением 40х40 см, 90х30 см, с устройством ядер жесткости из монолитного железобетона толщиной 200 мм.
Устойчивость каркаса в вертикальной плоскости обеспечивается монолитным ядром жесткости.
Перекрытия – монолитная жб плита толщиной 180 мм. Геометрическая неизменяемость каркаса в горизонтальной плоскости обеспечивается работой монолитного перекрытия, как неизменяемого жесткого горизонтального диска.
Лестницы – сборные железобетонные зетобразной формы с опорой на полку монолитной диафрагмы жесткости и монолитную жб балку.
Стены – поэтажной разрезки состоят из двух слоев кирпича с заполнением пенополистирола.
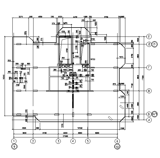
Геометрия плиты перекрытия
Рисунок 2.1 План плиты
2.1.3 Сбор нагрузок
Постоянные полезные нагрузки
Таблица 2.1.1 - Постоянные полезные нагрузки
|
N |
Нагрузки |
Норм. знач., кПа |
Коэф. надeжн. |
Расчетн. знач., кПа |
Номер нагружения в расчетной модели |
|
1 |
Линолеум на мастике 5мм, (0,005м х18кН/м3) |
0.09 |
1.1 |
0.1 | |
|
2 |
Цем.-песч. армированная стяжка 40мм, (0,04м х20кН/м3) |
0.8 |
1.3 |
1.04 | |
|
3 |
Засыпка прокаленным песком 60мм, (0,06м х16кН/м3) |
0.96 |
1.3 |
1.25 | |
|
Итого |
1.85 |
2.4 |
1 | ||
|
1 |
Керамическая плитка по мастике 10мм, (0,01м х20кН/м3) |
0.2 |
1.1 |
0.22 | |
|
2 |
Цем.-песч. армированная стяжка 40мм, (0,04м х20кН/м3) |
0.8 |
1.3 |
1.04 | |
|
3 |
Засыпка прокаленным песком 60мм, (0,06м х16кН/м3) |
0.96 |
1.3 |
1.25 | |
|
Итого |
1.96 |
2.5 |
1 | ||
|
1 |
Паркет на мастике 20мм, (0,01м х8кН/м3) |
0.16 |
1.1 |
0.18 | |
|
2 |
Цем.-песч. армированная стяжка 40мм, (0,04м х20кН/м3) |
0.8 |
1.3 |
1.04 | |
|
Итого |
2.72 |
3.5 |
1 | ||
|
В подвале | |||||
|
1 |
Керамическая плитка по мастике 10мм, (0,01м х20кН/м3) |
0.2 |
1.1 |
0.22 | |
|
2 |
Гидроизоляция рулонная |
0.1 |
1.1 |
0.11 | |
|
3 |
Цем.-песч. стяжка 20мм, (0,02м х18кН/м3) |
0.36 |
1.3 |
0.47 | |
|
4 |
Ж/б плита основания 150мм (0.15м х25кН/м3) |
3.75 |
1.1 |
4.13 | |
|
5 |
Подготовка из бетона 80мм (0.08м х22кН/м3) |
1.76 |
1.1 |
1.94 | |
|
6 |
Засыпка ГПС или песком 900мм |
14.40 |
1.3 |
18.72 | |
|
Итого |
20.57 |
25.59 |
1 | ||
|
На техническом этаже | |||||
|
1 |
Бетон 25мм (0.025м х22кН/м3) |
5.5 |
1.1 |
6.0 | |
|
2 |
Цем.-песч. стяжка 20мм, (0,02м х18кН/м3) |
0.36 |
1.3 |
0.47 | |
|
Итого |
0.9 |
1.1 |
1 |
