Одноэтажное промышленное зданиеРефераты >> Строительство >> Одноэтажное промышленное здание
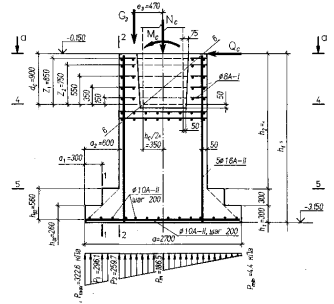
Тогда реактивные давления грунта будут равны:
ршах = 886,9692/5,67 + 255,356/2,5515 = 256,5127 кПа
ршin = 886,9692/5,67 - 255,356/2,5515 = 56,3512 кПа
Р1 = рmах – (рmах – pmin/a)·a1 = 256,5127 – (256,5127 – 56,3512)/2,7·0,3 = 234,27258 кПа;
Р2 = 212,0324кПа;
Расчетные изгибающие моменты в сечениях 1 – 1, 2 – 2 и т.д. вычисляем по формуле:
М1-1 = b·аi2·(2·рmах+ pi)/6 = 2,1·0,32(2·256,5127+234,2725)/6 = 23,539 кНм;
М 2-2 = 2,1·0,62(2·256,5127+212,0324)/6 = 91,3572 кНм.
Требуемое по расчету сечение арматуры составит:
As,1-1= Ml-1/(Rs·0,9·h01) =23,54·106/(280·0,9·260) = 359,2643 мм2
As,2-2= M2-2/(Rs·0,9·h02) = 91,3572·106/(280·0,9·560) = 647,3724 мм2;
Принимаем минимальный диаметр арматуры для фундамента при а=2,7 м равным 10 мм. Для основного шага стержней в сетке 200 мм на ширине b = 2,1 м будем иметь в сечении 2–2 9ø10, А-III, As = 707 мм2 > 647,37 мм2. Процент армирования будет равен μ =Аs·100/(b·h04) = =647,37·100/(1800·560) = 0,06 % >μmin = 0,05 %.
Расчет рабочей арматуры сетки плиты фундамента в направлении короткой стороны выполняем на действие среднего реактивного давления грунта рт = 270,053 кПа, соответственно получим:
М3–3=pm·a·b12/2=156,43·2,7·0,32/2 = 19,0062 кНм;
As,3–3= M3–3/(Rs·0,9·h0) = 19,0062·106/(280·0,9·250) = 301,6857 мм2.
По конструктивным требованиям принимаем минимальное армирование 14ø10, А - III, с шагом 200мм.
Расчет продольной арматуры подколенника выполняем в ослабленном коробчатом сечении 4–4 в плоскости заделки колонны и на уровне низа подколонника в сечении 5–5. Размеры коробчатого сечения стаканной части фундамента преобразуем к эквивалентному двутавровому с размерами, мм: b = 650; h = 1500; bf = b'f = 1200; hf = h'f = 300; а = а´ = 50; h0 = 1450. Вычислим усилия в сечении 4 –4 от второй комбинации усилий в колонне с максимальным изгибающим моментом по следующим формулам:
N =Nc+G3 +ac·bc·dc·γ·γm·γп=545,75 + 35,7192+1,5·1,2·0,9·25·1,1·1 = 626,0192 кН
M =Mc+Qc·dc+G3·е3= 259,45 + 33,76·0,9 + 35,7192·0,52 = 308,408 кН*м.
Эксцентриситет продольной силы будет равен:
e0=M/N=308,4082/626,0192 = 0,493м = 493 мм > еа = h/30 = 1500/30 = 50 мм.
Находим эксцентриситет силы N относительно центра тяжести растянутой арматуры:
e = eо +(hо – a´)/2 =493 + (1450 – 50)/2 = 1193мм.
Проверяем положение нулевой линии. Так как Rb·b´f·h´f = 11,5·1200·300 = 4140·103 Н = =4140 кН >N= 626,0192 кН, то указанная линия проходит в полке и сечение следует рассчитывать как прямоугольное с шириной b = b'f = 1200 мм. Расчет прочности сечения для случая симметричного армирования выполняем согласно п. 3.62 [3]. Вычисляем коэффициенты:
αn=N/(Rb·b·h0)=626,0192·103/(11,5·1200·1450)=0,0313;
αm1= N·е/(Rb·b·h02) = 626,0192·10³·1193/(11,5·1200·14502) = 0,0257;
δ = а'/h0 = 0,0345.
Требуемую площадь сечения продольной арматуры вычислим по следующей эмпирической формуле:
Армирование назначаем в соответствии с конструктивными требованиями в количестве не менее 0,05 % площади подколонника: As = A's = 0,0005·1200·1500 = 900 мм2. Принимаем As = A's = 1005 мм2 (5ø16 А-III).
В сечении 5–5 по аналогичному расчету принято конструктивное армирование.
Поперечное армирование стакана фундамента определяем по расчету на действие максимального изгибающего момента. Вычисляем эксцентриситет продольной силы в колонне от второй комбинации усилий е0 = Mc/Nc = 259,45/545,75 = 0,4754 м. Поскольку еo = 0,4754 м > hс/6 = 0,8/6 = 0,1333 м, то поперечная арматура стакана требуется по расчету. Так как еo = 0,4754 м > hc/2 = 0,4 м, то момент внешних сил в наклонном сечении 6–6 вычисляем по формуле:
M6–6=Mc+Qc·dc – 0,7·Nc·еo= 259,45 + 33,67·0,9 – 545,75·0,4 = 71,534 кНм.
Тогда площадь сечения одного стержня поперечной арматуры стакана фундамента будет равна:
Аs = М6–6/(4·Rs·Σzi) = 71,534·106/[4·225(850+750+550+350+150)] = 29,9932мм2.
Принимаем As = 50,3 мм2 5ø8 A-III).
1. Байков В.Н., Сигалов Э.Е. Железобетонные конструкции. Общий курс. М.; Стройиздат, 1985.
2. СНиП 2.03.01-84. Бетонные и железобетонные конструкции. М.; ЦИТП, 1985.
3. Пособие по проектированию бетонных и железобетонных конструкций из тяжелых и легких бетонов без предварительного напряжения арматуры (к СНиП 2.03.01-84). М.; ЦИТП, 1986.
4. Пособие по проектированию предварительно напряженных железобетонных конструкций из тяжелых и легких бетонов (к СНиП 2.03.01-84). Ч.1. М.; ЦИТП, 1986.
5. Пособие по проектированию предварительно напряженных железобетонных конструкций из тяжелых и легких бетонов (к СНиП 2.03.01-84). Ч.2. М.; ЦИТП, 1986.
6. СНиП 2.03.01-84.Нагрузки и воздействия. М.; ЦИТП, 1987
7. СНиП 2.03.01-84.Основания зданий и сооружений/Госстрой СССР. М.;Стройиздат, 1985.
8. Бородачев Н.А. Автоматизированное проектирование ЖБК одноэтажных промышленных зданий. Методические указания.
