Проектирование гражданского зданияРефераты >> Строительство >> Проектирование гражданского здания
вычисляют:
;
по (табл. 3,1, по Байкову)
Принято
с
Сечение в среднем пролете – М=350,71 кНм;
;
по (табл. 3,1, по Байкову)
Принято
с
Арматура для восприятия отрицательных момента в пролете устанавливают по эпюре моментов. Принято
А-III c As=3.03см2.
Сечение на средней опоре
арматура расположена в один ряд
; вычисляют:
;
по (табл. 3,1, по Байкову)
Принято
с
Сечение на крайней опоре
;
Принято
с
4. Расчет прочности ригеля по сечениям, наклонным к продольной оси
На средней опоре поперечная сила Q=677,9 кН.
Диаметр поперечных стержней устанавливают из условия сварки их с продольной арматурой диаметром d=32 мм и принимают равным dsw=8 мм (прил 9. по Байкову) с площадью As=0.503 см2. При классе А-III Rsw=285 МПа; поскольку dsw/d=8/32=![]()
, вводят коэффициент условий работы
и тогда
Число каркасов-2, при этом Asw=2*0.503=1.01 см2
Шаг поперечных стержней по конструктивным условиям s=h/3=60/3=20см. На всех приопорных участках длиной l/4 принят s=20см, в средней части пролета шаг s=3h/4=3*60/4=45см.
Расчет ведут по формулам.
Вычисляют:
- условие удовлетворяется. Требование
smax=
- удовлетворяется.
Расчет прочности по наклонным сечению. Вычисляют
.
Поскольку
значение «с» вычисляют по формуле
.
При этом
.
Поперечная сила в вершине наклонного сечения
Длина проекции расчетного наклонного сечения
.
Вычисляют
Условие прочности
- обеспечивает.
Проверка прочности по сжатой полосе между наклонными трещинами.
![]()
Условие
- удовлетворяется.
5. Конструирование арматуры ригеля
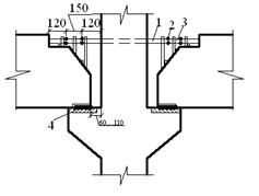
Стык ригеля с колонной выполняют на ванной сварке выпусков верхних над опорных стержней и сварке закладных деталей ригеля и опорной консоли колонны в соответствии с (рис. 8,1).
Рис. 8,1. Конструкции стыков сборного ригеля с колонной.
1) арматурные выпуски из ригеля и колонны; 2) ванная сварка; 3) вставка арматуры; 4) стальные закладные.
Ригель армируют двумя сварными каркасами, часть продольных стержней каркасов обрывают в соответствии с изменением огибающей эпюры моментов и по эпюре арматуры (материалов). Обрываемые стержни заводят за место теоретического обрыва на длину заделки W.
Эпюру арматуры строят в такой последовательности:
1) определяют изгибающие моменты М, воспринимаемые в расчетных сечениях, по фактически принято арматуре; 2) устанавливают графически на огибающей эпюре моментов по ординатам М места теоретического обрыва стержней; 3) определяют длину анкеровки обрываемых стержней
, причем поперечную силу Q в месте теоретического обрыва стержня принимают соответствующей изгибающему моменту в этом сечении.
6. Расчет сборной железобетонной колонны
Здание на проектирование. Рассчитывать и конструировать колонну среднего ряда.
Высота этажа H=4,2 м. Сетка колонн
м. Верх фундамента заглублен ниже отметки пола на 0,6 м. здание возводится в I климатическом районе по снеговому покрову. Конструктивно здание решено с несущими наружными стенами, горизонтальная (ветровая) нагрузка воспринимается поперечными стенами и стенами лестничных клеток. Членение колонн поэтажное. Стыки колонн располагаются на высоте 0,6 м от уровня верха панелей перекрытия. Ригель опираются на консоли колонн. Класс бетона по прочности на сжатие колонн не более В30, продольная арматура класса А-III. По назначению здание относится ко второму классу. Принимаем
Решение. Определение нагрузок и усилий. Грузовая площадь от перекрытий и покрытий при сетке колонн
м равна
. Подсчет нагрузок сведен в табл. 9,1. При этом высота и ширина сечения ригеля приняты: h=60см, b=40см. При этих размерах масса ригеля на 1 м длины составит:
, а на 1 м2
