Проектирование металлических конструкцийРефераты >> Строительство >> Проектирование металлических конструкций
Расчетная погонная нагрузка на балку настила:
g=[1,05 (qн + qн нас ) +1,2pн]×lf, (9)
g=[1,05 (10 + 0,71) +1,2×6] ×1=18,45 кН/м.
Максимальный изгибающий момент от расчетной нагрузки:
, (10)
.
Требуемый момент сопротивления:
, (11)
.
По сортаменту принимаем двутавр №22а ГОСТ 8239-89 (Iх=2790 см4, Wх=254 см4, Sх=143 см3, b=120 мм, t=8,9 мм, d=5,4 мм, h=220 мм, mбн =25,4 кг/м).
Проверка нормальных напряжений
, (12)
;
Rg×gс = 24×1=24 кН/см2.
22,19<24 – условие прочности выполняется.
Перерезывающая сила на опоре:
Qmax = g ×lбн×0,5, (13)
Qmax =18,45×5×0,5= 46,1 кН.
Проверка касательных напряжений:
, (14)
;
Rs gс =0,58×24×1 = 13,92 кН/см2;
2,65<13,92 – условие выполняется.
Проверка жесткости:
, (15)
;
0,0047<0,004 –жесткость балки обеспечена.
qннаст+бн=0,71+0,260=0,97 кН/м2.
5. Проектирование составной балки
Принимаем сталь С255, L=10 м, qн=10 кН/м2, pн=6 кН/м2, qннаст+бн=0,97 кН/м2,
, tн=9 мм.
Рисунок 4 – Расчетная схема главной балки
Собственный вес балки принимаем ориентировочно в размере 2% от нагрузки на нее.
Нормативная погонная нагрузка на балку настила:
gн=(qн+pн+ qннаст+бн)×1,02×l1, (16)
gн=(10+6 +0,97) ×1,02×5=86,55 кН/м.
Расчетная погонная нагрузка на балку настила:
g=[1,05 (qн + qн нас ) +1,2pн]×1,02×l1, (17)
g=[1,05 (10 + 0,97) +1,2×6] ×1,02×5=95,46 кН/м.
5.1 Компоновка и подбор сечения балки
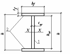
Сечение составной сварной балки состоит из трех листов: вертикального - стенки и двух горизонтальных – полок
Рисунок 5 – Сечение главной балки
Максимальный изгибающий момент от расчетной нагрузки:
, (18)
.
Определим поперечную силу на опоре:
Qmax = g ×L×0,5, (19)
Qmax =95,46×10×0,5= 477,3 кН.
Главную балку рассчитываем с учетом развития пластической деформации.
Найдём требуемый момент сопротивления по формуле:
, (20)
где gс =1, с1=1,1.
.
Определим оптимальную высоту балки, соответствующую наименьшему расходу стали:
, (21)
k=1,15;
;
- вычисляется по эмпирической формуле:
, (22)
.
.
Определим минимально допустимую высоту балки:
, (23)
.
Принимаем высоту главной балки
.
Из условия среза определяем минимальную толщину стенки (без учёта работы поясов):
; (24)
,
;
, (25)
Принимаем толщину стенки 10 мм.
Так как принятая толщина стенки больше рассчитанной по формуле (25) мы обеспечили местную устойчивость стенки без укрепления продольными рёбрами жёсткости.
Подбор сечения поясов. Размеры горизонтальных поясных листов находим исходя из необходимой несущей способности балки, для этого вычисляем требуемый момент инерции сечения балки:
, (26)
.
Момент инерции стенки:
, (27)
.
Требуемый момент инерции полок:
If тр = Iтр - Iw, (28)
If тр =225995–75587=150408 см4.
Требуемая площадь сечения полки:
, (29)
.
bf=Af/ tf=31,07/1,6≈19,42 см. Принимаем bf=20 см.
Уточним площадь сечения полки:
Af= bf tf=20·1,6=32 см2.
Для обеспечения устойчивости сжатого пояса балки необходимо выполнение условия:
bef=(bf-tw)/2=(200-10)/2=95;
5,94<14,65 – устойчивость сжатого пояса обеспечена.
Уточняем принятый ранее коэффициент пластичной работы с1:
Af= bf tf=20·1,6=32 см2;
Aw= hw tw=96,8·1=96,8 см2;
Af / Aw =32/96,8=0,33;
Методом интерполяции получаем с1=1,17.
Проверка прочности:
Момент инерции:
, (30)
.
Момент сопротивления:
, (31)
.
Проверка нормальных напряжений:
, (32)
,
Rg gс = 24 × 1 = 24 кН/см2,
22,12 < 24 – условие прочности выполняется.
Выбираем листовой прокат для поясов 200х16х10000, для стенки 986х10х10000. Подобранное сечение балки удовлетворяет проверки прочности и не имеет недонапряжения больше 10%. Проверку прогиба балки делать не нужно, так как принятая высота сечения больше минимальной и регламентированный прогиб будет обеспечен.
