Производство кукурузных хлопьев
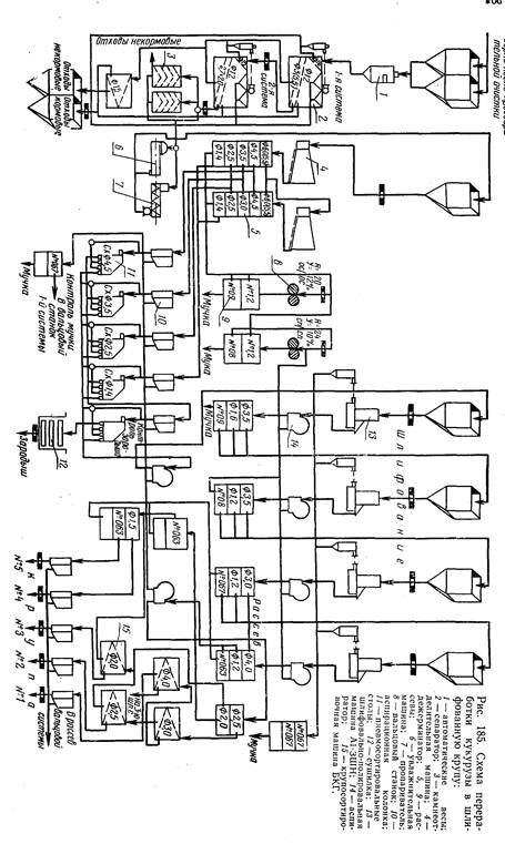
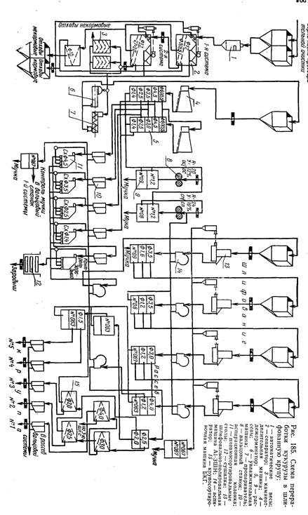
ГТО способствует лучшему отделению оболочек и зародыша. Кукурузу увлажняют водой с температурой 40 °С или пропаривают при давлении пара 0,07—0,1 МПа в течение 3—5 мин, что позволяет довести влажность зерна до 16—16%. Отволаживание зерна проводят в течение 2—3 ч (Приложение 1).
Отделение зародыша и оболочек, а также дробление зерна проводят в дежерминаторах. Продукты измельчения сортируют в рассеве, выделяют крупную фракцию сходом с сита с отверстиями 0 5,5—6,0 мм, которую направляют на повторное дробление. Проход сита с отверстиями 0 1,4 мм направляют в вальцовые станки для размола, в муку. Промежуточные по крупности продукты используют для производства крупы. С целью выделения зародышевых частиц и оболочек продукт провеивают в аспираторе и затем сортируют на пневмоетолах.
Отобранный зародыш высушивают в сушилке до влажности' не более 10% для лучшей его сохранности. Выделенные частицы эндосперма направляют в машины А1-ЗШН. Для получения шлифованной и округленной крупы необходима ее четырехкратная обработка.
После каждой системы шлифования продукты провеивают' в аспираторах и просеивают в рассевах. Легкие частицы размалывают на специально, выделенном вальцовом станке в муку. С последней системы шлифования получают смесь крупы разной крупности, которую сортируют по номерам в просеивающих машинах.
2.2 Производство крупы для хлопьев и палочек
Схема подготовки зерна к переработке примерно' такая же, как и при выработке кукурузной шлифованной крупы. Некоторое отличие заключается в режимах операций по выделению зародыша. Зерно увлажняют теплой водой температурой 35—40 °С до влажности 20—22% и отволаживают в течение 20—30 мин [3; c.111] (ПРИЛОЖЕНИЕ 2).
Большое увлажнение кукурузы повышает ее пластичность, позволяет выделять в дежермянаторе зародыш при более крупном дроблении зерна, что необходимо для получения крупы больших размеров. После обработки в дежерминаторе продукты дробления высушивают в сушилке ДО' влажности не более 15% и сортируют. Крупный продукт, получаемый сходом сита с отверстиями 0 8 мм, возвращают вновь в дежерминатсир для повторного^ дробления.
Для производства крупы для хлопьев используют фракцию, поручаемую проходом сит с отверстиями 0 8 мм и сходом 0 5 мм. Из этого продукта после однократной обработки в машине AI-ЗШН и в аспираторе выделяют зародыш, затем просеивают вторично на ситах с отверстиями 0 7 и 5 мм. Сход сита с отверстиями 0 5 мм является крупой для хлопьев. Более мелкие продукты после выделения из них зародыша на пневмостолах последовательно размалывают в четырех вальцовых станках в мелкую крупу и муку. Крупу получают проходом сит № 1,2 и сходом № 09 с (рассевов 1-й и 2-й систем. После обогащения в ситовеечных машинах крупу направляют в закром. Выделенный на пневмостолах зародыш высушивают до влажности не более 10%. Производство крупы для палочек. На отдельных крупяных заводах вырабатывают только мелкую крупу для палочек. Схема такого про'-цесса мало отличается от рассмотренной выше. Разница заключается в том, что в дежерммнаторе проводят более мелкое дробление зерна (размер частиц не более 4 мм).
Для измельчения обогащенных на пневмостолах промежуточных продуктов применяют пять систем вальцовых станков и рассевов. Несколько более развитый процесс измельчения по сравнению с предыдущей схемой объясняется большим количеством измельчаемых продуктов.
Ассортимент и выход кукурузной крупы приведены в таблице 1.
Таблица 1. Ассортимент и выход кукурузной крупы
|
Продукт |
Выход крупы, % | ||
|
пятиномерной шлифованной |
для хлопьев и палочек |
для палочек | |
|
Крупа: шлифованная крупная для хлопьев мелкая для палочек |
40,0 |
30 10 |
45 |
|
Итого крупы |
40,0 |
40,0 |
45 |
|
Мука Мучка Зародыш Зерновые отходы Некормовые отходы и механические потери Усушка |
15,0 34,0 7,0 3,0 0,5 0,5 |
15,0 34,0 7,0 3,0 0,5 0,5 |
10,0 34,0 7,0 3,0 0,5 0,5 |
|
Всего |
100,0 |
100,0 |
100,0 |
Заключение
Итак, крупу, которую вырабатывают из кукурузы, представляет собой крупные частицы (размером 1—3 мм), полученные из центральной части (ядра) зерна посредством удаления его пленок, плодовых и семенных оболочек. Обычно удаляют и алейроновый слой, однако при производстве гречневой крупы снимают только плодовые оболочки.
В зависимости от вида перерабатываемой в крупу культуры эндосперм (ядро) стремятся сохранить целым или, же подвергают его дроблению на крупные части; в ряде случаев крупу дополнительно шлифуют, полируют, перерабатывают на хлопья и т. д.
Химический состав крупы зависит от перерабатываемой культуры. В кукурузной крупе около 8%. Широко варьирует также содержание минеральных веществ, витаминов и других биологически важных соединений.
Список литературы
1. Егоров, Г.А. Краткий курс мукомольного и крупяного производства [Электронный ресурс]: [текст] Практ. руководство/ Г.А. Егоров. - Электрон. дан - М.: Хлебпродуктинформ, 2000.
2. Общая технология пищевых производств.//Под ред. Назарова Н.И. — М.: Легкая и пищевая пром-сть, 1981 - С. 162-171.
3. Чеботарев, О.Н. Технология муки, крупы и комбикормов [Электронный ресурс]: [текст] Учеб. пособие/ О.Н. Чеботарев, А.Ю. Шаззо, Я.Ф. М
Приложение 1
Приложение 2
