Сальмонеллез у сельскохозяйственных животных и птицРефераты >> Ботаника и сельское хоз-во >> Сальмонеллез у сельскохозяйственных животных и птиц
В местах размножения сальмонелл развивается воспаление (слизистая кишечника, желчный пузырь, печень), а эндотоксин обусловливает экссудативные процессы и диапедез эритроцитов с последующим появлением кровоизлияний на слизистых и серозных оболочках, очаговые некрозы клеток печени, селезенки и почек. Возможны поражения легких, суставов, головного мозга, матки и плода.
В некоторых случаях с момента заражения или после затухания септицемии процесс ограничивается воспалением слизистой оболочки и Лимфатических фолликулов кишечника с образованием изъязвлений и некроза (хронический сальмонеллез). Гибель животного наступает от обезвоживания, многочисленных кровоизлияний, интоксикации и сепсиса.
У переболевших животных возбудитель может локализоваться в желчном пузыре, мезентериальных лимфоузлах и печени, откуда они попадает в просвет кишечника и выделяется во внешнюю среду. У многих клинически выздоровевших животных, вследствие постоянного раздражения слизистой оболочки кишечника, часто отмечают расстройство пищеварения.
Микроорганизмы, попадая в организм животных с кормом или другим путем, вызывают в кишечнике воспалительные процессы, которые обусловливают проникновение возбудителя в кровь и лимфу, и разносятся по всему организму, способствуя развитию септицемии. Микробы и их токсины, циркулируя в крови, вызывают глубокие нарушения в паренхиматозных органах вплоть до образования в них некротических процессов. Последние локализуются в печени, селезенке, почках, легких и суставах. Бактериемия и токсикоз сопровождаются глубокими изменениями эндотелия сосудов микроциркуляторного русла, что ведет к кровоизлияниям, отекам и выходу жидкой части крови в периваскулярные пространства. У беременных животных (лошадей и овец) возбудитель проникает в матку, ткани плода и плодовые оболочки. Патологические процессы в матке обусловливают поражение плода, что сопровождается абортом.
Патологоанатомические изменения.
Патоморофологические изменения при сальмонеллезе у разных видов животных могут отличаться.
Сальмонеллез (паратиф) телят.
Клинико-анатомически различают острое и хроническое течение болезни. Острая болезнь наблюдается в период массовых отелов и свойственна главным образом телятам раннего (2 - 4-неделыюго) возраста. Хроническое течение возникает как результат затяжного течения острой болезни. Спорадические случаи болезни регистрируют и у взрослого крупного рогатого скота.
Патоморфологические изменения.
Макрокартина.
При остром течении болезни основные изменения сосредоточены в кишечнике в виде воспаления, протекающего от слабо выраженного серозно-катарального энтерита до геморрагического. Подобные признаки могут встречаться и в сычуге с образованием эрозий и язв на слизистой оболочке. Кишечное содержимое водянистое, с неприятным запахом, содержит слизь и кровь. Пейеровы бляшки и солитарные фолликулы набухшие и выступают над слизистой оболочкой, на разрезе серо-красного цвета. Если процесс затягивается, в этих участках слизистая оболочка некротизируется и образуется фибринозная пленка. Мезентериальные лимфатические узлы увеличены, отечны, иногда с кровоизлияниями. Селезенка в острых случаях увеличена, пульпа обычно темно-красного цвета, фолликулы не заметны. Этот процесс может смениться острым спленитом - проявляется большое количество беловато-серых узелков. Печень со стертым рисунком, набухшая, дряблая, с множеством мутновато-желтых узелков, достигающих величины булавочной головки, но проявляются они не всегда четко. Стенка желчного пузыря утолщенная и набухшая. Под серозными оболочками в ряде органов могут быть точечно-полосчатые кровоизлияния, при остром заболевании их почти всегда находят под эпикардом и капсулой почек.
В затяжных и хронических случаях часто поражаются легкие. Первоначально в них развивается воспаление типа серозно-катаральной пневмонии, в дальнейшем может быть крупозная пневмония с некротическими очагами. Поражаются преимущественно верхушечная и средние доли, реже - диафрагмальные. Воспаленные доли сине-красного цвета, плотные, влажные на разрезе. Из бронхов выделяется гнойно-катаральная масса. Нередко паратифозная пневмония сопровождается фибринозным плевритом и перикардитом. У взрослых животных поражается также тонкий кишечник, беременные могут абортировать. Основные изменения те же, что и у телят, за исключением более сильно выраженных кровоизлияний на серозных покровах.
Микрокартина.
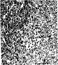
При гистологическом исследовании в селезенке находят диффузную или очаговую крупноклеточную гиперплазию с некробиотическими изменениями в очагах пролиферации. В печени узелки могут быть двух типов. Одни из них - простые неспецифические токсические некрозы печеночных клеток, другие - гранулемы, расположенные интралобулярно. Они известны под названием паратифозных узелков. Простые некрозы - результат сильного токсического действия на печеночные клетки и эндотелий сосудов продуктов обмена бактерий, представляют собой коагуляционно-некротические очажки. Вокруг них реактивная зона отсутствует или можно наблюдать набухание и пролиферацию клеток ретикуло-эндотелия.
Некротический фокус в печени теленка при сальмонеллезе
Сальмонеллезная гранулема в печени теленка
Гранулемы (паратифозные узелки) имеют вид очажков размножающихся ретикулоэндотелиальных элементов, расположенных по ходу капилляров. Клетки гранулем со светлыми крупными ядрами обладают способностью к фагоцитозу. Кроме печени и селезенки паратифозные узелки отмечают также в почках, лимфатических узлах, костном мозге. В печени и реже в других органах можно наблюдать образование очаговых эндофлебитов, но они не патогномоничны для сальмонеллеза.
В легких резко выраженный гнойно-катаральный бронхит, одновременно присутствуют признаки катаральной и крупозной пневмонии, чем и объясняется слабая гепатизация пораженных долей. При затяжной пневмонии устанавливают хронический катаральный бронхит и бронхиолит, разрастание соединительной ткани вокруг бронхов, а также в стенках альвеолярных перегородок, что приводит к облитерирующему бронху и ателектазу легких.
Рисунок: эндофлебит, гистосрез печени теленка.
Диагноз. Его ставят на основании патологоанатомических и гистологических данных. Особое внимание обращают на типичные узелки в печени и в некоторых других органах. Сальмонеллез необходимо дифференцировать от диплококковой септицемии.
Окончательно диагноз можно поставить только после бактериологического исследования.
Рисунок: некротический очажок, окруженный лимфоидными клетками в печени теленка (окраска гематоксилин-эозином)
Рисунок: катаральное воспаление прямой кишки теленка.
