Создание лесомелиоративных насаждений на части территории ГУ Мишкинского лесничестваРефераты >> Ботаника и сельское хоз-во >> Создание лесомелиоративных насаждений на части территории ГУ Мишкинского лесничества
Стоимость дополнительной продукции: С = Р * а,
где а – закупочная цена, руб/ц.
Расчет: С = 1062*600 =637200руб.
Производственные затраты на сбор, транспортировку и обработку дополнительной продукции Z1 (р/ц) берется в размере 10% от закупочной цены.
Накладные расходы (N) приходящиеся на дополнительную продукцию:
N = Z1*25% / 100%,
N = 60*25/100 = 15 р/ц.
Амортизационные отчисления А = Z2*K/100,
Z2=S2*q,
где Z2 – затраты на создание лесных полос, руб;
К – коэффициент амортизационных отчислений для лесных полос
q – стоимость создания 1 га л/п;
S2 – площадь лесных полос без разрывов, га.
q = q1+q2.
Стоимость создания полезащитной полосы q складывается из составляющих q1 – стоимость работ по ее созданию (берется по среднерайонным показателям) и q2 – стоимость посадочного материала (из таблицы 2).
q1=8000 руб/га
q2=56159/14,1=3983 руб/га
q= 8000+3983 = 11983 руб/га
Z2 =11983*13,7=164167 руб.
А = (164167*1,43)/100 = 2347 руб.
Всего расходов на производство дополнительной продукции
R = (Z1+N)*P+A.
R = (60+15)*1062 +2347=81997 руб.
Чистый доход (Д) от создания лесных полос
Д=С-R.
Д= 637200-81997 =555203 руб.
Среднегодовая прибыль (F) с учетом фактора времени (К=0,54) и климатических условий
F=Д*0,54 = 55203*0,54= 299809 руб.
Экономическая эффективность ε = F/Z2 = 299809/164167=1,82
Срок окупаемости Т1 =Z2/F=164167/299809=0,5
Общий срок окупаемости Т2 =Т1+t,
где t – время, с которого полоса начнет проявлять защитные функции:
береза – 7, дуб – 10, хвойные – 10, тополь – 5 лет.
Т2 =7+0,5=7,5лет.
ЗАКЛЮЧЕНИЕ
В результате выполненного задания по курсовой работе мною были приобретены практические навыки по проектированию лесомелиоративных мероприятий.
В курсовой работе при создание лесомелиоративных насаждений на части территории Мишкинского района были разработаны следующие виды защитных насаждений: полезащитные лесные полосы, донные насаждения оврага, снегозадерживающие полосы вдоль железной дороги и садозащитные полосы.
Защитные лесные насаждения прежде всего играют большую экологическую, средозащитную, и средообразующую и рекреационную функцию.
Полезащитные лесные полосы выращиваем для защиты пашни и сельскохозяйственных культур от воздействия неблагоприятных природных и антропогенных факторов. Они обуславливают или предотвращают отрицательное воздействия засух, суховеев, холодных и метелевых ветров, ветровой эрозии и улучшают микроклимат с целью повышение урожайности сельскохозяйственных культур. Полезащитные полосы создают для задержания и равномерного распределение снега на полях, повышение влажности почв, улучшение микроклимата, уменьшение испарения влаги, предотвращение эрозии почв и повышение урожайности полей.
Можно сделать вывод, что лесомелиоративные насаждения играют положительную функцию от различных неблагоприятных факторов, насаждения поддерживают экологическое равновесия, а создание на открытых сельскохозяйственных землях они, кроме того, превращают аграрный ландшафт в лесоаграрный, существенно обогащают его, приводит к формированию качественно новой экологической среды.
Были запроектированы полезащитные насаждения, снегозадерживающие насаждения вдоль железной дороги, зелёные зонты и приовражные насаждения.
Подсчитанная экономическая эффективность составила 1,68. Общий срок окупаемости полос - 8 лет. Для создания полос необходимо затратить 417154 руб. и 346450 шт. посадочного материала.
Общая площадь проектируемых защитных насаждений составила 33,4 га. Из них полезащитные насаждения составляют 30 га, зелёный зонт – 0,6 га, снегозадерживающие вдоль железных дорог 0,9 га, приовражные полосы - 1,8 га.
Созданные защитные насаждения должны помочь в борьбе с эрозией, с засосами снега на путях транспорта, с разрастанием оврага и служить местом отдыха для скота.
БИБЛИОГРАФИЧЕСКИЙ СПИСОК
1.Справочник по лесным культурам [текст]: учебник / Новосельцева А.И. [и др.] - М.: Лесная промышленность, 1984. – стр.6-59 .
2.Лесные культуры и защитное лесоразведение [текст]: учебник / Родин А.Р. [и др.] - М.: изд. МГУ леса, 1996. –стр.17-33 .
5.Шаталов В.Г. Лесные мелиорации [текст]: учебник / В.Г. Шаталов. – Воронеж: Квадрат, 1997. –220с.
6.Сельскохозяйственные машины [текст]: учебник / В.М. Халанский [и др.] -М.:КолосС,2003.-624с.
7.Методические указания к практическим занятиям по защитному лесоразведению [текст]: методическое указание – Уфа, БГАУ, 2004. –12с .
8.Тимерьянов А.Ш. Лесомелиорация ландшафтов [текст]: учебное пособие / А.Ш. Тимерьянов. - Уфа:БГАУ,2007.-112с
9.Методические указания к выполнению курсовой работы по лесомелиорации ландшафтов [текст]: методическое указание –Уфа, БГАУ, 2006. –14с.
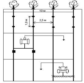
ПРИЛОЖЕНИЕ А
Размещение пород и агрегатирование механизмов при создании 4-х рядной основной полезащитной полосы
Условные обозначения:
- ДТ 75;
- МТЗ 82;
- Береза повислая
Агрегаты:
а) для посадки
ДТ 75 + ССН-1
б) для ухода
МТЗ 82 + КУН-4
ПРИЛОЖЕНИЕ Б
Размещение пород и агрегатирование механизмов при создании 3-х рядной вспомогательной полезащитной полосы
Условные обозначения:
- ДТ 75;
- МТЗ 82;
- Береза повислая
Агрегаты:
а) для посадки
ДТ 75 + ССН-1
б)для ухода
МТЗ-82 + КУН-4
