Расчет и подбор ректификационной колонны для разделения смеси ацетон-метанол
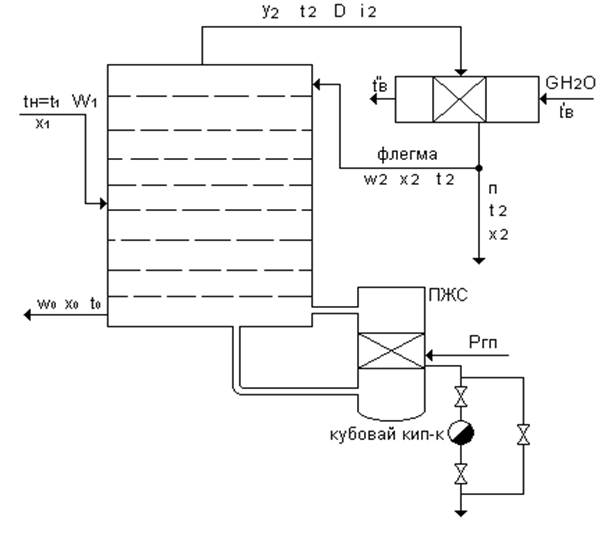
Схема ректификационной установки непрерывного действия
Исходные данные:
Ацетон-Метанол
Ацетон – легко кипящий компонент (ЛКК)
Метанол – тяжело кипящий компонент (ТКК)
W1 = 8000 (кг/час)
а1 = 36.0 (%вес)
а0 = 5.0 (%вес)
а2 = 85 (%вес)
Pгп = 3.0 (ата)
tн = t1
Ma = 58 (г/моль)
Mв = 32 (г/моль)
Материальный баланс процесса
Перевод весовых концентраций в мольные:
X1 = (а1/Ma)/(a1/Ma)+(1-a1/Mв) = 0.24 мд = 24 (% мольн)
X0 = (а0/Ma)/(a0/Ma)+(1-a0/Mв) = 0.028 мд = 2.8 (% мольн)
X2 = (а2/Ma)/(a2/Ma)+(1-a2/Mв) = 0.76 мд = 76 (% мольн)
W1= W0 + П
W1*X1 = W0*X0 + П*X2
1/M1=a1/Ma + (1-a1)/Mв = 0.0262 => М1 = 38.17 г/моль
W1[кг/час] = 2.2[кг/сек]
W1[кмоль/сек] = W1[кг/сек]/M1 = 0.058 кмоль/сек
W0 = W1*(X2-X1)/(X2-X0) = 0.041 кмоль/сек
П =W1*(X1-X0/X2-X0) = 0.017 кмоль.сек
Проверка баланса:
W1 = W0 + П = 0.058 кмоль/сек => баланс сошелся
Построение рабочих линий процесса
|
x |
0 |
5 |
10 |
20 |
30 |
40 |
50 |
60 |
70 |
80 |
90 |
100 |
- |
|
y |
0 |
10,2 |
18,6 |
32 |
42,8 |
51,3 |
58,6 |
65,6 |
72,5 |
80 |
- |
100 |
80 |
|
t |
64,5 |
63,6 |
62,5 |
60 |
58,7 |
57,6 |
56,7 |
56 |
55,3 |
55,05 |
- |
56,1 |
55,03 |
y = y2/(R + 1) + R/(R + 1) * x (R = W/П)
y = y2/(R + 1) + R/(R + 1) * x y = y2/(R + 1) + R/(R + 1) * x
y = x (I) x = 0 (II)
Решив системы (I) и (II) получим:
x = y2
b = y2/(R + 1)
Rmin = (y2 – y1)/(y1 –x1) = 3 => R = 1.3 * Rmin + 0.3 = 4.2 => b = 0.15
Определение числа теоретических тарелок в укрепляющей и отгонной колоннах
Nтеор(у.к) = 18
Nтеор(о.к) = 7
Определение числа действительных тарелок
Xср = (X1 + X2)/2 = 0.5 мд
=> Yср = 0.58 мд
=> tср = 56 0С
ср(у.к) = (Yср – (Yср * Xср))/(Xср –(Yср * Xср)) = 1.38
tср = 56 0С => (ПРН)
=> ацет = 0.236 сП ; мет = 0.385 сП
см = (ацет ^ Xср) * (мет ^ (1-Xср)) = 0.3 сП
[ср(у.к) * см] = 0.414
т(у.к) = 0.51 – 0.325 * Lg[ср(у.к) * см] = 0.63
Nдейств(у.к) = Nтеор(у.к)/ т(у.к) = 28.6 принимаем 29
Xср = (X0 + X1)/2 = 0.134 мд
=> Yср = 0.24 мд
=> tср =61 0С
ср(о.к) = (Yср – (Yср * Xср))/(Xср –(Yср * Xср)) = 2.08
tср = 61 0С => (ПРН)
=> ацет = 0.23 сП ; мет = 0.351 сП
см = (ацет ^ Xср) * (мет ^ (1-Xср)) = 0.33 сП
[ср(о.к) * см] = 0.69
т(о.к) = 0.51 – 0.325 * Lg[ср(о.к) * см] = 0.56
Nдейств(о.к) = Nтеор(о.к)/ т(о.к) = 12.5 принимаем 13
Определение диаметра колонны
Д = П(R + 1) = 0.088 кмоль/сек
Д * 22.4 *((273 + t2)/273) * 1/Pраб = (ПDк^2)/4 * Wп
Y2 = X2 => t2= 550C
Wп = 0.059SQR(ж/п * hт) hт = 0.4м
1/ж = a2/ацет + (1 – а2)/мет = 1.24 * 10^(-3)
ж = 808 кг/м3
п = P/RT = 2.2 кг/м3
Wп = 0.72 м/сек
Dк(в) = 2.05 м
Д * 22.4 *((273 + t2)/273) * 1/Pраб = (ПDк^2)/4 * Wп
t0= 64.20C
Wп = 0.059SQR(ж/п * hт) hт = 0.4м
1/ж = a0/ацет + (1 – а0)/мет = 1.25 * 10^(-3)
ж = 800 кг/м3
п = P/RT = 1.18 кг/м3
Wп = 0.97 м/сек
Dк(н) = 1.79 м
Dк(в) = 2.05 м
Dк(н) = 1.79 м => Dк = 2050мм
Hраб = (Nдейств – 1) * hт = 16.4 м
Тепловой баланс колонны
Qрект + W1q1 + Wq2 =Дi2 + W0q0
Д = П(R + 1) W = ПR i2 = q2 + r2
Qрект = ПR r2 + Пi2 + W0 q0 –W1q1
t0 = 64.20C => Cацет = 0.56 * 4.19 * 58 = 136.1 кДж/кмоль К
Смет = 0.65 * 4.19 * 32 = 87.2 кДж/кмоль К
С0 = Cацет * X0 + Смет * (1- X0) = 88.6 кДж/кмоль К
q0 = C0 * t0 = 5688.12 кДж/кмоль
r2 = rацет * y2 + rмет(1 – y2)
t2 = 55 0C => rацет = 519.6 кДж/кг
rмет = 1110.4 кДж/кг
r2 = 31431.8 кДж/кмол
С1 = Сацет * Х1 + Смет (1 – Х1) = 98. 9 кДж/кмоль К
С2 = Сацет * Х2 + Смет (1 – Х2) = 124. 4 кДж/кмоль К
i2 = q2 + r2 = C2 * t2 + r2 = 38273.8
q1 = C1 * t1 = 5835.1 кДж/кмоль К
Qрект = 2790 кДж/сек
Qконд = Д * r2 = П * (R +1) * r2 = 2778.57 кДж/сек
Проверяем: Qрект = Qконд верно
Поверхность кубового кипятильника
Pгп = 3 ата => tгп = 132.90C
t0 = 64.20C
t = tгп - t0 = 68.70C
Fкуба = Qрект/Куба*t= 36.9 м2
Dгп = 1.05* Qрект/r гп = 1.35
Конденсатор
Gводы = Qконд / (Своды * (tв’’ – tв’)) = 33.16 кг/сек
t = (1 -2)/ Ln(1/2) = 33.9 0C
F = Qконд / Kконд * t = 117м2
