Губкообразная энцефалопатия крупного рогатого скота
Выяснилось, что развитие медленной коревой инфекции с наибольшей вероятностью возникнет у тех детей, которые перенесли корь в самом раннем возрасте - до одного года.
Весьма сходную картину дает вирус краснухи. Достаточно безобидный для взрослых и детей, этот вирус в высшей степени опасен для организма плода. В результате заражения беременной вирус краснухи легко проникает через плаценту в ткани плода, где, активно размножаясь, вызывает грубые и зачастую несовместимые с жизнью нарушения в органах и тканях. Это приводит к развитию тяжелых уродств и последующей гибели плода или новорожденного. Более того, оказалось, что длительно присутствуя в организме внешне здорового новорожденного, такой вирус способен, спустя много месяцев или даже лет, вызвать у ребенка развитие прогрессирующего краснушного панэнцефалита. Эта медленная вирусная инфекция характеризуется в течение второго десятилетия жизни комплексом постепенно прогрессирующих нарушений двигательной и умственной функции с неизбежным смертельным исходом.
Два эти примера свидетельствуют о существовании реальных возможностей, когда просто "недруг" может превратиться в абсолютно смертельного врага!
За короткое время вирусологи накопили огромный фактический материал, показывающий, что очень многие вирусы, давно и хорошо известные как возбудители острых инфекционных заболеваний, способны при определенных условиях вызывать в организме людей и животных медленный инфекционный процесс. К вирусам кори и краснухи вскоре добавились вирусы герпеса, клещевого энцефалита, лимфоцитарного хориоменингита, бешенства, африканской лихорадки свиней, инфекционной анемии лошадей, вирусы семейства папова, гриппа, иммунодефицита человека и другие. В настоящее время известно уже около 30 медленных вирусных инфекций, причина которых твердо установлена.
Но вот на что хотелось бы обратить особое внимание. Начиная с первого сообщения Б. Сигурдсона, постепенно, но неуклонно среди все увеличивающегося числа медленных инфекций накапливались сведения об особой группе заболеваний человека и животных, при которых картина поражения организма существенно отличалась выраженным своеобразием. А именно: при этих болезнях патологические изменения наблюдаются только в центральной нервной системе. В чем они выражаются?
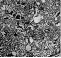
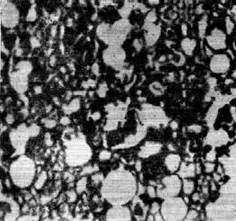
Без признаков воспаления в головном и иногда спинном мозге обнаруживаются признаки гибели нервных клеток и их отростков. В мозговой ткани образуются вакуоли, количество которых постепенно увеличивается. На основе таких первично-дегенеративных процессов (без признаков воспаления!) в головном и иногда спинном мозге медленно и постепенно развивается картина формирования так называемого "губкообразного состояния" - мозговая ткань на гистологических срезах выглядит как губка из-за огромного количества вакуолей (рис.1 и 2).
Кроме того, в мозговой ткани могут образовываться и накапливаться амилоидные бляшки и, что не менее характерно, разрастается глиозная ткань мозга. И больше ничего! Ни иммунологических проявлений, ни признаков воспаления.
Подобное своеобразие патологии определило название всей этой удивительной группы страданий - "трансмиссивные губкообразные энцефалопатии". Именно трансмиссивность губкообразных изменений только в мозговой ткани и есть их уникальный отличительный признак. Заметим в скобках, что губкообразная энцефалопатия может иногда развиваться у боксеров, но она не трансмиссивна, то есть её невозможно передать, например, лабораторным животным.
Теперь зададимся вопросом: кто же вызывает эти особенные медленные инфекции? Наверное, тоже вирусы? Вот только обнаружить их никак не удается. Десятки лет в различных лабораториях мира исследователи пытались выяснить причину этих загадочных трансмиссивных губкообразных энцефалопатий, но все их усилия заканчивались неудачами!
Знаменитый К. Гайдушек еще в 50-х годах развернул настоящий госпиталь в поселении людоедов на острове Новая Гвинея, стремясь всесторонне исследовать куру и постараться выяснить причину этого смертельного заболевания. Поиски, надо сказать, велись с завидным упорством: мозгом людей, умерших от куру, заражали десятки разнообразных образцов клеточных культур, различных лабораторных животных, начиная от мышей и кончая обезьянами, но все попытки были тщетными. Лишь спустя несколько лет ученому, получившему за эти работы Нобелевскую премию, удалось на шимпанзе доказать инфекционную природу куру и не более того! А возбудитель куру, впрочем, как и других трансмиссивных губкообразных энцефалопатий человека и животных, оставался загадкой. Тогда еще никто даже и не предполагал, что многолетние поиски вирусов-возбудителей трансмиссивных губкообразных энцефалопатий есть не что иное, как тяжелое, но безрезультатное движение по ложному пути .
Шло время, и постепенно накапливались косвенные сведения, если не о природе, то во всяком случае о некоторых свойствах загадочных возбудителей этих загадочных заболеваний. Вирусологи считали, что это вирус: не размножается (в отличие от бактерий) на искусственных питательных средах, не виден в световом микроскопе (правда, и в электронном тоже не виден), проходит через бактериальные фильтры. Что еще нужно?
Но будем объективны и признаем, что в то же самое время накапливались и не совсем обычные сведения. Так, например, стало известно, что зараженная мозговая ткань не теряет своей инфекционности после облучения ультрафиолетовым светом. А ведь ультрафиолетовые лампы, широко применяемые для стерилизации воздуха в операционных и лабораториях, называются "бактерицидными", хотя правильнее было бы называть их и "вирусоцидными", так как под действием ультрафиолетовых лучей погибают не только бактерии, но и вирусы.
Возбудитель легко противостоял переваривающему действию некоторых весьма активных ферментов. Еще более удивительной оказалась устойчивость возбудителей трансмиссивных губкообразных энцефалопатий к рентгеновым лучам, убивающим, как известно, вообще все живое. И, наконец, совсем непонятна повышенная устойчивость инфекционного материала к нагреванию - инфекционность сохранялась даже после 15-минутного кипячения. Здесь было над чем задуматься. И, как всегда в таких случаях, появлялись предположения, гипотезы, одна другой фантастичнее.
Неизвестно, чем бы это все закончилось, если бы в 1982г. молодой американский биохимик из Сан-Франциско Стэнли Прузинер не подошел к решению этой проблемы как биохимик. Он взял мозговую ткань зараженных хомяков (в мозге которых накапливается наибольшая концентрация инфекционного агента) и постепенно начал её чистить, одновременно строго следя за сохранением инфекционной способности.
Оказалось, что инфекционность связана с низкомолекулярным белком, не содержащим никакой нуклеиновой кислоты. Это было открытие нового класса инфекционных агентов, принципиально отличающихся от простейших, бактерий, вирусов и даже вироидов. Все известные доныне инфекционные агенты, к какому бы классу они ни относились, обязательно содержат одну из двух нуклеиновых кислот, а иногда и обе одновременно. И даже простейшие из них - вироиды, которые в противоположность вирусным частицам и вовсе лишены белковой оболочки, - и те представлены изолированной молекулой рибонуклеиновой кислоты, обладающей инфекционностью.
