Автоматизированное управление в технических системахРефераты >> Управление >> Автоматизированное управление в технических системах
В соответствии с государственным стандартом АСУ—это человеко-машинная система, обеспечивающая автоматизированный сбор и обработку информации, необходимой для оптимизации управления в различных сферах человеческой деятельности. Процесс оптимизации предполагает выбор такого варианта управления, при котором достигается минимальное или максимальное значение некоторого критерия, характеризующего качество управления.
Как правило, общий критерий экономической эффективности управления технологическим процессом неприменим из-за сложности определения необходимых количественных зависимостей в конкретных условиях; в таких случаях формируют частные критерии оптимальности, учитывающие специфику управляемого объекта и дополненные условными ограничениями. Такими частными критериями, например, могут быть:
· максимальная производительность агрегата при определенных требованиях к качеству продукции, условиях эксплуатации оборудования и т. д.;
· минимальная себестоимость при выпуске продукции в заданном объеме и заданного качества;
· минимальный расход некоторых компонентов, например дорогостоящих присадок или катализатора.
Чтобы добиться желаемого (в том числе оптимального) хода технологического процесса, в системе управления им необходимо в нужном темпе выполнять множество различных взаимосвязанных действий: собирать и анализировать информацию о состоянии процесса, регистрировать значения одних переменных и стабилизировать другие, принимать и реализовывать соответствующие решения по управлению и т. д. Именно эта «деятельность» системы управления была ранее названа функционированием, т. е. выполнением ею установленных функции.
2. Что такое комплексная задача управления и в чем состоит проблема ее декомпозиции?
Функция управления в сложных системах осуществляется управляющей частью А с которой взаимодействует остальная управляемая часть В (рис. 1)
![]() |
Как видно из структуры система состоитиз управляющих устройств и управляемых объектов. Такое выделение приводит к упрощению исследования системы.
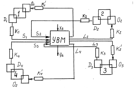
Для управления современными объектами используется большое количество элементов (подсистем). Совокупность элементов, участвующих в управлении называется управляющим комплексом. Типичный управляющий комплекс состоит из элементов следующих типов (рис. 2): D – датчики осведомительной информации; S – средства передачи информации; L- управляющие элементы; O – органы управления;- k, k1 - различные преобразующие и переходные устройства
Рис. 2
Роль элемента каждого типа в процессе функционирования ясна из его названия.
Управление сложной системой может быть централизованным
и децентрализованным. Централизованное управление предполагает концентрацию функций управления в одном центре сложной системы. Такая структура обладает рядом достоинств: I) позволяет достаточно просто реализовать процессы информационного взаимодействия; 2) создает принципиальную возможность глобально-оптимального управления системой в целом; 3) исключает необходимость в пересылках промежуточных результатов; 4) позволяет легко корректировать оперативно-изменяемые данные; 5) дает возможность достигнуть максимальной эксплуатационной эффективности при минимальной избыточности технических средств.
С системотехнической точки зрения основными недостатками структуры с единым управлением являются: необходимость исключительно высокого объема запоминающих устройств, высокой производительности и надежности средств обработки данных для достижения приемлемого качества управления; высокая суммарная протяженность каналов связи при наличии территориально-рассредоточенных объектов управления.
Децентрализованное управление - распределение функций управления по отдельным элементам системы. Построение системы с такой структурой возможно только в случае независимости объектов управления по материальным, энергетическим, информационным ресурсам. Для выработки управляющего воздействия на каждый объект необходима информация о состоянии только этого объекта. Фактически такая система представляет собой совокупность нескольких независимых систем со своей информационной и алгоритмической базой.
Процесс управления значительно упрощается при использовании системы управления с иерархической структурой. Для управления иерархической структуры характерно наличие нескольких уровней. управления. Типичным примером систем такого рода является административное управление. На рис-3 приведены классы структур.
![]() |
3. Приведите примеры систем управления Запасами?
Задачи управления запасами составляют самый распространенный и изученный в настоящее время класс задач исследования операций. Они обладают следующей особенностью. С увеличением запасов увеличиваются расходы на их хранение, но уменьшаются потери из-за возможной их нехватки. Следовательно, одна из задач управления запасами заключается в определении такого уровня запасов, который минимизирует следующий критерий: сумму ожидаемых затрат по хранению запасов, а также потерь из-за их дефицита.
В зависимости от условий задачи управления запасамиделятся на следующие три группы:
1. Моменты поставок или оформления заказов на пополнение запасов фиксированы. Определить объемы производимой или закупаемой партии запасов.
2. Объемы производимой или закупаемой партии запасов фиксированы. Определить моменты оформления заказов.
3. Моменты оформления заказов и объемы производимых или закупаемых партий не фиксированы. Определить эти величины, исходя из сформулированного выше критерия.
Задачи управления запасами составляют самый многочисленный класс экономических задач исследования операций, решение которых имеет важное народнохозяйственное значение. Особенно повышается значениеэтих задач в период массового внедрения АСУ. Правильное и своевременное определение оптимальной стратегии управления запасами, а также нормативного уровня запасов, позволяет высвободить значительные оборотные средства, замороженные в виде запасов, что в конечном счете повышает эффективность используемых ресурсов. Достаточно в этой связи упомянуть первую АСУП в нашей стране — систему «Львов», внедренную на Львовском телевизионном заводе, где значительная составляющая экономической эффективности от внедрения АСУП, определялась в результате оптимального управления запасами предприятия.
Элементы системы задачи управления запасами следующие:
1) система снабжения; 2) спрос на предметы снабжения; 3) возможность пополнения запасов; 4) функции затрат; 5) ограничения; 6) принятая стратегия управления запасами.


