Блок возбуждения для ВТПРефераты >> Радиоэлектроника >> Блок возбуждения для ВТП
(7)
(8)
Где k - номер гармоники в сигнале
Определим коэффициент гармоник в процентах :
(9)
Спектр сигнала на выходе ФС выглядит следующим образом:
Таким образом видно , что коэффициент гармоник достаточно велик и нужно применить ФНЧ, отсекающий высшие гармоники спектра сигнала.
3.2.3. Перестраиваемый фильтр управляемый цифровым кодом.
Электрическая схема ФНЧ:
Коэффициент передачи К(f) такой схемы равен:
(11)
R1=1КОм ; R2=R1 ; C=5 нФ.
ЛАЧХ фильтра
Рассчитаем подавление гармоник спектра сигнала в децибелах Kпод :
где к -номер гармоники ;
Найдем коэффициент гармоник после ФНЧ , амплитуды гармоник станут соответственно:
(12)
% (13)
что соответствует техническому задания (Кгарм < 1 %)
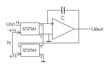
Но нам нужен перестраиваемый фильтр следовательно вместо резисторов будем использовать токовый ЦАП 572ПА1.
1 - аналоговый выход 1
2 - аналоговый выход 2
3 - общий 4 - цифровой вход 1
5 - цифровой вход 2
6 - цифровой вход 3
7 - цифровой вход 4
8 - цифровой вход 5
9 - цифровой вход 6
10- цифровой вход 7
11- цифровой вход 8
12- цифровой вход 9
13- цифровой вход 10
14- питание Uип (+)
15- опорное напряжение Uоп
16- вывод резистора обратной связи
Для реализации динамических свойств ЦАП на выходе нужно использовать быстродействующий ОУ с коэффициентом усиления по напряжению не менее 104.
В качестве ОУ выбираем быстродействующий К544УД2
|
Ku |
fmax, ÌÃö |
Uâûõ, Â |
Uïèò, Â |
Iïîò, ìÀ |
|
20000 |
15 |
10 |
±15 |
7 |
Схема фильтра управляемого цифровым кодом:
R=10 КОм ; n=10 (разрядность ЦАП).
Rmin=10 КОм (14)
Rmax=10 МОм (15)
Так как время установления выходного напряжения после подачи кода на
вход ЦАП tуст равно 5 мкс, соответственно частота дискретизации fдискр должна быть не более 200 кГц, а с учетом того что по теореме Котельникова синусоиду можно восстановить лишь при наличии двух дискретов на период, то максимальная частота не может быть выше 100 кГц. То есть С равно:
; С= 1нФ (К50‑6‑1нФх6.3 В);
Данный фильтр управляется цифровым двоичным кодом N (этот код соответствует коду из синтезатора частот) следовательно изменяя код N будет изменяться
частота сигнала fc , сопротивление резистивной матрицы ЦАП , постоянная времени интегратор tи и соответственно частота среза фильтра fср.
4. Вывод.
Т.о. блок возбуждения для вихретокового преобразователя обеспечивает подачу на накладной вихретоковый датчик синусоидального сигнала амплитудой 10 мА во всем диапазоне частот 1КГц-2.5 МГц , коэффициент гармоник сигнала при этом около 0.6%, что соответствует техническому задания.
5. Список используемой литературы.
1) Справочник "Цифровые и аналоговые интегральные микросхемы", Москва, "Радио и связь" 1989 г.
2) Справочник "Изделия электронной техники. Цифровые микросхемы. Микросхемы памяти. Микросхемы ЦАП и АЦП", Москва, "Радио и связь" 1994 г.
3) Справочник "Резисторы", Москва, "Радио и связь" 1991 г.
4) Справочник "Расчет индуктивностей", Ленинград, "Энергия" 1970 г.
5) Справочник "Приборы для неразрушающего контроля материалов и изделий" том 2, Москва, "Машиностроение" 1986 г.
3) В.Н. Гусев, Ю.М. Гусев "Электроника", Москва, "Высшая школа" 1991г.
[RU1]
