Исследование работы реверсивных счетчиковРефераты >> Радиоэлектроника >> Исследование работы реверсивных счетчиков
1. ЦЕЛЬ РАБОТЫ
Целью работы является:
- теоретическое изучение принципа работы счетчиков и регистров;
- экспериментальное исследование счетчика-регистра на интегральных микросхемах.
2. ОСНОВНЫЕ ТЕОРЕТИЧЕСКИЕ ПОЛОЖЕНИЯ
Регистры и счетчики относятся к разряду цифровых устройств и являются одним из наиболее распространенных элементов вычислительной техники. Они широко используются для построения устройств ввода, вывода и хранения информации, а также для выполнения некоторых арифметических и логических операций.
Для построения счетчиков и регистров используются синхронные триггеры, переключение которых происходит только при наличии синхронизирующего сигнала ( синхроимпульса ) на входе С. Наиболее часто для построения регистров и счетчиков используется универсальный Д - триггер, имеющий специальный информационный вход Д, и динамический вход С ( рис.1 ).
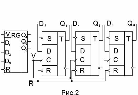
2.1. Устройство, называемое регистром, служит в основном для хранения чисел в двоичном коде при выполнении над ними различных арифметических и логических операций. С помощью регистров выполняютоя такие действия над числами, как передача их из одного устройства в другое, арифметический и логический сдвиг в сторону младших или старших разрядов, преобразование кода из последовательного в параллельный и наоборот и т.д. Функциональная схема и условно - графическое обозначение регистра параллельного типа, собранного на универсальных Д-триггерах, приведена на рис.2 .
По сигналу на входе С информация, поступившая на входы DО¸DЗ, записывается в регистр и хранится в нем до тех пор, пока не произойдет запись другой информации, либо не поступит сигнал на вход R, обнуляющий регистр.
Функциональная схема и условно-графическое обозначение регистра сдвига представлены на рис.З.
Последовательный информационный код поступит на вход D регистра. Импульс команды сдвига С подается одновременно на синхронизирующие входы всех триггеров регистра и переводит каждый триггер в состояние, в котором находился триггер предыдущего разряда. Таким образом, каждый импульс команды сдвига "продвигает" записываемое число на один разряд вправо.
2.2. Устройство, называемое счетчиком, предназначено для подсчета числа поступающих на вход сигналов ( импульсов ) в произвольной системе счисления. Двоичные счетчики строятся на основе триггеров, работающих в счетном режиме ( Т - триггер или счетный триггер).
Счетный триггер может быть получен из универсального D - триггера путем соединения его инверсного выхода 0 со входом D.
Счетный триггер и эпюры сигналов, поясняющие его работу, представлены на рис.4.
У счетного триггера состояние выхода изменяется на противоположное при поступлении на вход С каждого очередного счетного импульса.
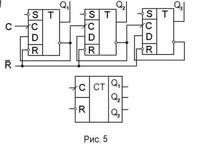
Функциональная схема и условнографическое обозначение двоичного счетчика с коэффициентом пересчета 23 представлена на рис.5.
Каждый поступающий на вход счетчика импульс перебрасывает первый триггер в противоположное состояние (рис.6). Сигнал с инверсного выхода предыдущего триггера является входным сигналом для последующего и, таким образом, комбинация сигналов на выходах Q1, Q2, Q3 будет соответствовать числу поступивших на вход счетчика импульсов, представленному в двоичном коде. Счетчик данного типа называется асинхронным счетчиком.
Если на счетный вход каждого последующего триггера счетчика подавать сигнал с прямого выхода предыдущего триггера, то счетчик будет производить операцию вычитания. Счетчики, способные выполнять функции сложения и вычитания, называются реверсивными.
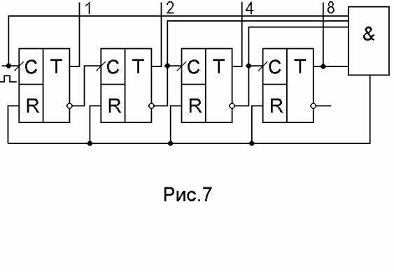
Для построения счетчика с требуемым коэффициентом пересчета М, отличным от величины 2N (N - число двоичных разрядов счетчика), используется принудительный сброс счетчика в исходное состояние при достижении счетчиком числа М. Пример такого счетчика с М=9 (М=10012) представлен на рис.7.
3. ОПИСАНИЕ ОБЪЕКТА И СРЕДСТВ ИССЛЕДОВАНИЯ
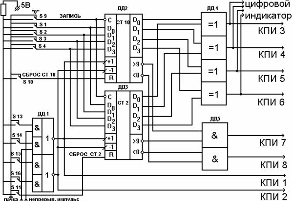
3.1. Функциональная схема исследуемого устройства представлена на рис.8 . Устройство включает двоично - десятичный счетчик ДД2, двоичный счетчик ДДЗ, коммутатор входных сигналов ДД1 и логические элементы ДД4 и ДД5, выполняющие функции элементов объединения.
Для подачи информационных и управляющих сигналов используется специальное устройство, управляемое наборными кнопками с фиксацией SА1¸SА16. Нажатому состоянию соответствует сигнал логической "1", отжатому состоянию - сигнал логического "0". Кнопки SА1¸SА16 расположены в левой части лабораторного стенда под надписью "Программатор кодов".
3.2. Функцию двоичного счетчика выполняет микросхема К155ИЕ7. Данная микросхема представляет собой реверсивный четырехразрядный счетчик - регистр, в котором кроме двух счетных входов ( суммирующего "+1" и вычитающего "-1" ) и входа сброса Р имеется четыре информационных входа DО¸DЗ и вход С , разрешающий запись информации в счетчик. Кроме того, для наращивания разрядности счета в микросхеме предусмотрены выходы "³15" и " < 0", на которых при достижении счетчиком указанных чисел появляются сигналы логического "0". Выход "³15" в этом случае следует соединять с входом "+1", выход "< 0" - с входом "-1" аналогичной микросхемы.
3.3. Функцию двоично-десятичного счетчика ДД2 выполняет микросхема К155ИЕ6. У заданной микросхемы коэффициент пересчета М=10 и сигнал переноса в старшие разряды на выходе “³9” вырабатывается при превышении счетчиком числа 9.
Рис.8
3.4. При исследовании одного из счетчиков, другой должен находиться в исходном состоянии, что достигается подачей на вход R данного счетчика уровня логической "1" с помощью кнопок SА10 или SA11.
3.5. Запись информации в счетчики производится в параллельном коде путем подачи на входы ДО¸ДЗ логических сигналов "0" и "1" с помощь кнопок SА1¸SА4 и подачи сигнала логического "0" на вход С с помощью кнопки SА9 (для этого кнопку SА9 надо отжать и снова нажать ).
З.6. Счетные импульсы должны поступать на исследуемую схему с клеммы "непр.имп," ( " ~|_|~|_|~ “ ) в виде непрерывной импульсной последовательности и с клеммы "пачка имп." ( "_|~|_|~|_" ) в виде пачки импульсов с числом импульсов в пачке от 1 до 15. Управление режимом работы входов "+1" и "-1" счетчиков производится о помощью кнопок SA13¸SА16, которые обеспечивают выполнение следующих функций:
