Исследование усилительных каскадовРефераты >> Радиоэлектроника >> Исследование усилительных каскадов
в) два встроенных источника регулируемого постоянного напряжения (Uвых= – 1.5…+1.5В), расположенных на верхней части корпуса лабораторного макета (U1, U2);
г) встроенное переменное сопротивление (для измерения Rвых усилителя), выводы которого расположены в левой верхней части лицевой панели лабораторного макета;
д) встроенный источник регулируемого постоянного напряжения, предназначенного для компенсации напряжения смещения усилителя (с возможностью грубой и плавной регулировки), расположенный в левой нижней части лицевой панели лабораторного макета.
Питание лабораторного макета осуществляется от источника постоянного напряжения Еп=24…30В.
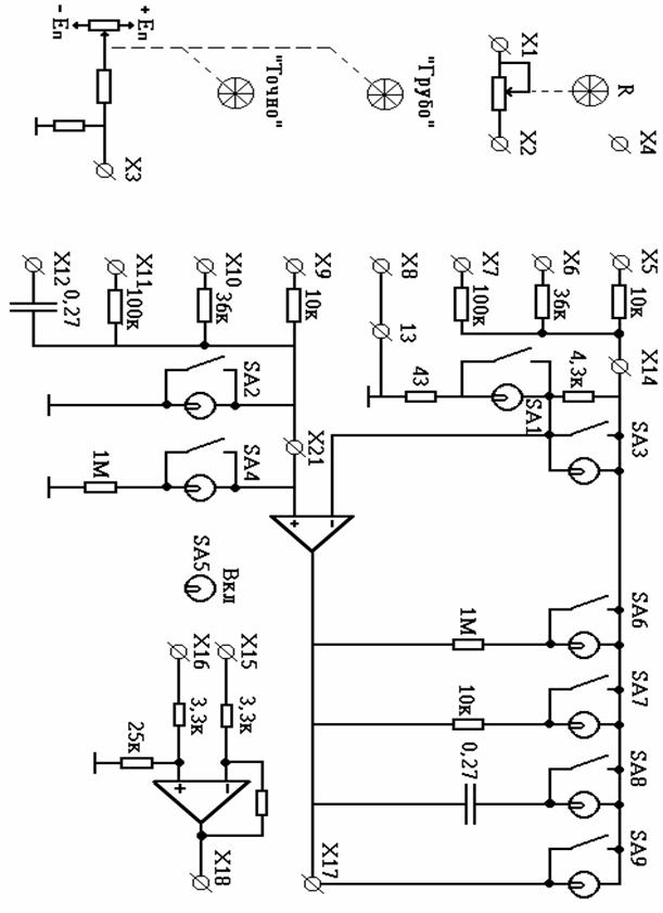
Внешний вид лицевой панели с нанесенной на нее принципиальной схемой лабораторного макета представлен на рис.4.1.
5. ПОРЯДОК ВЫПОЛНЕНИЯ РАБОТЫ
5.1. Измерение токов и напряжения смещения.
а) Набрать на лабораторном макете схему повторителя напряжения (рис.3.9.), обеспечив R –=0 и R+=0. Измерить Uвых усилительного каскада, Uсм=Uвых.
б) Набрать на лабораторном макете схему повторителя напряжения (рис.3.9.), обеспечив R+=0 и R –=1 Мом. Измерить Uвых , рассчитать Jсм1 по формуле (3.17), используя значение Uсм, полученные в пункте а.
в) Набрать на лабораторном макете схему повторителя напряжения (рис.3.9.), обеспечив R –=0 и R+=1 Мом. Измерить Uвых , рассчитать Jсм2 по формуле (3.18).
г) Определить Jсм и Jр по формулам (3.1) и (3.1а). Занести результаты в таблицу 5.1.
Таблица 5.1.
| тип ОУ | Uсм | Jсм1 | Jсм2 | Jсм | Jр |
|
К14ОУД9 |
5.2. Исследование инвертирующего усилителя
а) Набрать на лабораторном макете схему инвертирующего усилителя (рис.3.2), обеспечив R1»36 кОм, Rос»1 Мом, R2»1 Мом.
Провести измерения R1 и Rос при помощи универсального вольтметра (с обязательным их отключением в процессе измерения от входа «–» ОУ). Рассчитать К – по формуле (3.3).
Определить Uвых.сдв. усилителя по формуле (3.15а). Результаты занести в таблицу 5.2.
Таблица 5.2.
|
R1 | Rос | К – | Uвых.сдв | Rвх | |
|
Расчет | |||||
| Эксперимент |
б) Снять зависимости выходного напряжения усилителя от входного, построить амплитудную характеристику усилителя. В качестве Uвх Использовать встроенные источники регулированного постоянного напряжения (U1,U2). Измерить Uвых.сдв. усилителя путем измерения Uвых при Uвых.сдв=0, сравнить с результатами расчетов по формуле (3.15а).
в) Подключить на вход усилителя напряжение, компенсирующее сдвиг нуля (см.рис.3.3.). используя грубую и точную регулировку Uсм установить Uвых=0 с погрешностью £ ±5мВ. Повторно снять амплитудную характеристику усилителя и построить ее на одном графике с АХ, полученной в пункте б). Измерить К –=Uвых/Uвх, сравнить с расчетом по формуле (3.3).
г) Измерить Rвх при помощи внешнего переменного сопротивления, выводы которого выведены на панель лабораторного макета. Измерения проводить по методике, изложенной в приложении 1. Результат измерения сравнить с R1, сделать выводы.
Занести результаты в таблицу 5.2. результаты измерения К –, Uвых.сдв, Rвх.
Примечание: Номиналы сопротивлений R1, R2, Rос могут быть отличны от указанных в пункте а. и заданны преподавателем из имеющегося набора сопротивлений.
5.3 Исследование неинвертирующего усилителя
а) Набрать на лабораторном макете схему неинвертирующего усилителя (рис.3.4.), обеспечив R1»100 кОм, Rос»1 Мом, R3»1 Мом (см. примечание в подразделе 5.1).
Провести измерения R1, Rос как это указанно в подразделе 5.1. Рассчитать К+ по формуле (3.7). Определить Uвых.сдв усилителя по формуле (3.15б). Результаты занести в таблицу 5.3.
Таблица 5.3
|
R1 | Rос | К+ | Uвых.сдв | Rвх | |
| Расчет | |||||
| Эксперимент |
б) Измерить Uвых.сдв усилителя путем измерения при Uвых при Uвх=0.
Подключить на вход усилителя напряжение, компенсирующее сдвиг нуля (см.рис.3.5). Используя грубую и точную регулировку Uсм установить нулевое входное напряжение с погрешностью менее ±5мВ. Снять амплитудную характеристику усилителя, построить ее на одном графике с АХ инвертирующего усилителя. Измерить К+=Uвых/Uвх, сравнить с расчетом по формуле (3.7)
в) Определить Rвх неинвертирующего усилителя по методике изложенной в приложении 1. Сравнить входное сопротивление инвертирующего и неинвертирующего усилителей, сделать выводы. Занести в таблицу 5.3. результаты измерения.
5.4 Исследование дифференциального усилителя.
а) Включить схему дифференциального усилителя. Измерить Uвых.сдв для чего измерить Uвых при подключенных к общей точке («земле») обоих выходов усилителя.
б) Используя встроенные источники регулируемого напряжения подать на неинвертирующий вход дифференциального усилителя сигнал Uс1=+30…+50 мВ, а на неинвертирующий вход - сигнал Uс2=+50…+100 мВ. Измерить Uвых, сравнить его с результатом расчета по формуле (3.13).
в) Подключить ко входам дифференциального усилителя сигналы Uс1=Uс2=(2…3)В. Измерить Uвых, рассчитать коэффициент ослабления синфазных сигналов усилителем по формуле:
где К+ определяется по формуле (3.11),
