Источник питанияРефераты >> Радиоэлектроника >> Источник питания
Термистор TR2 уменьшает бросок тока через диоды выпрямительного моста при заряде конденсатора С4 в момент включения ИП, иногда вместо него применяют проволочный резистор 2 – 5 Ом.
![]() |
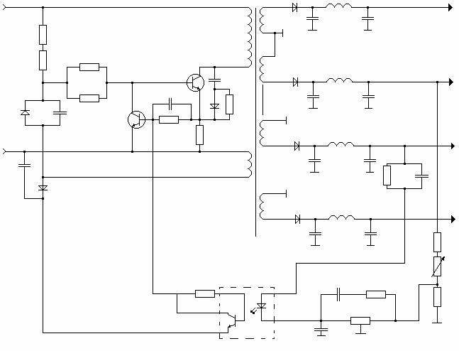
Схема работает следующим образом . Напряжение +300 В от сетевого выпрямителя поступает через первичную обмотку W1 трансформатора Т1 на коллектор ключевого транзистора VT1. С эмиттера VT1 через резистор R11 цепь замыкается на отрицательный вывод сетевого выпрямителя. От вспомогательной обмотки W2 сигнал положительной обратной связи поступает через элементы VD5, С10, R7, R8 в базу транзистора VT1. Это есть не что иное, как автогенераторная схема типа блокинг-генератор, работающая на частоте, определяемой параметрами трансформатора, емкостью C11, VD7, R9, служит для подавления выбросов напряжения в момент включения транзистора и облегчает режим его работы.
Cхема управления ИП включает в себя транзистор VT2, оптопару U902 и выпрямитель на VD6 и C13. Регулирование и стабилизация выходных напряжений осуществляется уменьшением длительности открытого состояния транзистора VT1, путем замыкания его перехода Б – Э с помощью транзистора VT2. Момент включения VT1 определяется достижением необходимого значения напряжения 55 В, которое через делитель R14, VR01 и R15 поступает на микросхему регулятора напряжения U901.При превышении заданного с помощью потенциометра VR901 напряжения ИС U901 открывается и начинает протекать ток через светодиод оптопары. Засветка фототранзистора оптопары U902 приводит к его открыванию и появлению тока в базе VT2, он открывается и выключает VT1. Транзистор VT2 используется также для ограничения среднего тока, протекающего через ключевой транзистор.Резистор R11 в цепи эмиттера ключевого транзистора VT1 является датчиком тока. Напряжение с него через цепочку R12, C12 поступает на базу VT2. При увеличении напряжения до величины, достаточной для его открывания, он выключает ключ VT2.
Следует отметить, что несмотря на простоту описания схемы, ремонт такого ИП иногда бывает затруднен отсутствием оригинального ключевого транзистора. Попытки применить вместо него транзистор для блоков строчной развертки не всегда приводят к желаемому результату из-за, как правило, низкого коэффициента передачи тока у последних, при этом либо происходит не надежный запуск ИП или он вообще не запускается.
Методика ремонта ИП.
Ремонт ИП производится после некоторых предворительных проверок в отдельных цепях ВМ , необходимых для оценки возможных повреждений и исключения помех его нормальной работе.
До начало работ не помешает также проверка шнура питания и наличия питающего напряжения в электросети. В обесточенном состоянии производят осмотр деталей на печатной плате ВМ в районе узла ИП и определяют его базовою схему по типу примененных микросхем и транзисторов. Далее проверяют плавкий предохранитель на входе ИП. В случае его перегорания обязательной проверки подлежат к диоду выпрямительного моста, термистор в его входной цепи, конденсаторы входного фильтра, ключивой транзистор. При установки нового предохранителя надо помнить, что ток его срабатывания обычно для ВМ сразмером ЭЛТ 14” состовляет 2-3 А. Применения предохранителя с большим током срабатывания может привести к повреждению других элементов в ИП, поэтому не следует добиваться экономии при ремонте за счет предохранителей. Полезно проверить отсутствие коротких замыканий на выходах выпрямителей во вторичных обмотках силового трансформатора, для чего омметром контролируют сопротивления на электролитических конденсаторах выходных выпрямительных выпрямителей. Необходимо также проверить отсутствие замыкания в цепи питания выходного каскада строчной развертки непосредственно в точке подключения ТДКС, так как его питания может производиться от дополнительного стабилизатора напряжения, и эффект короткого замыкания по выходу В+ от ИП может проявится только при появлении напряжения в случае выявления такой неисправности в узле строчной развертки, следует разорвать цепь питания В+ в точке выхода и его из ИП и продолжить ремонт этого узла после окончания ремонта и проверки ИП.
Далее по результатам выше описанных проверок и анализа принципиальной схемы делается вывод о необходимости замены дефектных элементов. При этом надо учитывать следующие моменты: если был поврежден ключивой транзистор, то необходимо проверить все элементы, которые подключены непосредственно к его выводам (включая и измерение величин резисторов, так как их значения могут измениться без заметных внешних признаков), и, в первую очередь, маломощные транзисторы и стабилитроны.
При подборе транзистора для ИП важнейшими параметрами являются:
· максимальное напряжение коллектор-эмиттер (для полевых транзисторов – сток-исток),
· максимальный импульсный ток коллектора (стока),
· остаточное напряжение на коллекторе ( сопротивление перехода),
· время включения и выключения.
Первые два параметра непосредственно обеспечивают надежность ИП, а последние – косвенно, так как они определяют потери в транзисторе при переключении и, соответственно, его рабочую температуру, которая влияет на пробивное напряжение транзистора. Немаловажное значение имеет также коэффициент передачи по току транзистора, в особенности для схем показанных на рис. 5 и 6.При выборе транзистора следует обратить внимание на конструкцию корпуса, чтобы не возникло проблем с установкой его на радиатор. Подбор других деталей обычно не вызывает трудностей, однако, надо помнить, что рабочая частота ИП обычно составляет десятки килогерц и необходимо использовать соответствующие типы диодов и электролитических конденсаторов.
После замены всех неисправных элементов и исправления дефектов на печатных плате, возникших в момент поломки или в ходе ремонтных работ, можно приступать к проверке работы ИП.
Импульсные ИП не могут работать без нагрузки, поэтому перед первым включением следует убедиться, что подключены разъемы к ИП, если он выполнен в виде отделочного блока. Если была необходимость в отключении какой – либо нагрузки от выходов ИП, то надо иметь в виду, что накал ЭЛТ и схемы управления не всегда создают достаточную нагрузку для ИП и необходимо его дополнительно подгружать подключением резисторов.
Первое включение ВМ после ремонта ИП всегда является напряженным моментом, поэтому необходимо соблюдать меры предосторожности и обеспечить минимальный контроль работоспособности ИП. Для этого к одному из выходов ИП, например, В+, подключают вольтметр, а на коллектор ключевого транзистора щупом с делителем на входе – осциллограф. Земляной конец щупа подключают к минусу электрического конденсатора входного выпрямителя. Осциллограф должен иметь гальванический развязку от питающей сети во избежание возникновения короткого замыкания. Далее необходимо убедиться, что выключатель питания ВМ находится в выключенном состоянии и подать питающее напряжение на ВМ, подключив его сетевой шнур. Убедившись в правильности подключения измерительных приборов к ИП, включают выключатель питания ВМ. Первое включение производится на время, необходимое для получения отсчетов на измерительных приборах, которые подтверждают или не подтверждают принципиальную работоспособность ИП, но не более чем на 10 секунд.

