Источник питанияРефераты >> Радиоэлектроника >> Источник питания
Цепи в которых резисторы , а также источники питания соединены произвольно , называют разветвленными или сложными.
рис 1.
Узел - точка электрической цепи , где соединяются три или более
проводников.
Ветвь - участок электрической цепи , где проходит один и тот же ток (ветвь располагается между двумя узлами. )
Контур - замкнутая электрическая цепь состоящая из нескольких ветвей.
Первый закон Кирхгофа:
Сумма токов , подтекающих к узловой точке цепи , равна сумме токов , вытекающих из нее.
Для узла B электрической цепи , показанного на рис 1., ток I1 направлен к узлу , токи I2 и I3 от него. Согласно определению I1 + I2 = I3 или I1 + I2 - I3 = 0.
Алгебраическая сумма токов в узле равна нулю:![]()


рис 2. рис 3. Рис4.
Задание 1. Составить уравнения по первому закону Кирхгофа для узла 2 (рис 2.), для узла С ( рис 3.) и для узла D ( рис 4. ).
Второй закон Кирхгофа:
Алгебраическая сумма всех действующих Э.Д.С. в любом контуре электрической цепи равна алгебраической сумме всех падений напряжений на резисторах , входящих в данный контур:
.
Для контура ( рис 5. ) второй закон Кирхгофа запишется в виде
E1 - E2 = I1R1 - I2R2 +I3R3.
рис 5.рис 6.
Задание 2. Составить уравнения по второму закону Кирхгофа для контура , показанного на ( рис 6. ) и для контура ABCD ( рис 4. ).
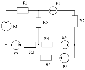
рис 7.
Задание 3. Для схемы электрической цепи ( рис 7. ) определить количество узлов , показать токи в ветвях и составить уравнения по первому и второму законам Кирхгофа.
