Микро-схемотехника: Схема контроля дешифратора на три входа (восемь выходов)Рефераты >> Радиоэлектроника >> Микро-схемотехника: Схема контроля дешифратора на три входа (восемь выходов)
Список литературы:
1. Шевкопляс Б.В. Микропроцессорные структуры. Инженерные решения. Дополнение первое: Справочник. - М.: Радио и связь, 1993. - 256с.: ил.
2. Юшин А.М. Цифровые микросхемы для электронных устройств. Справ. для ПТУ. - М.: Высш. шк., 1993. - 176 с.: ил.
3. Каган Б.М. Электронные вычислительные машины и системы: Учеб. Пособие для вузов. - 3-е изд., перераб. и доп. - М.: Энергоатомиздат, 1991. - 592 с.: ил.
4. Ефимов И.Е., Горбунов Ю.И., Козырь И.Я. Микроэлектроника. Физические и технологические основы, надежность. Учеб. Пособие для вузов. М., «Высш. школа», 1977.
5. Технология ЭВА, оборудование и автоматизация: Учеб. Пособие для студентов вузов специальности «Конструирование и производство ЭВА»/ Алексеев В.Г., Гриднев В.Н., Нестеров Ю.И. и др. - М:. Высш. шк., 1984. - 392 с., ил.
ВВЕДЕНИЕ
Развитие электронной вычислительной техники, и информатики и применение их средств и методов в народном хозяйстве, научных исследованиях, образовании и других сферах человеческой деятельности являются в настоящее время приоритетным направлением научно-технического прогресса. Это приводит к необходимости широкой подготовки специалистов по электронным вычислительным машинам, системам и сетям, программному обеспечению и прикладной математике, автоматизированным системам обработки данных и управления и другим направлениям, связанным с интенсивным использованием вычислительной техники. Всем этим специалистам необходимы достаточно глубокие знания принципов построения и функционирования современных ЭВМ, комплексов, систем и сетей, микропроцессорных средств, персональных компьютеров. Такие знания необходимы не только специалистам различных областей вычислительной техники, но и лицам, связанным с созданием программного обеспечения и применением ЭВМ в различных областях, что определяется тесным взаимодействием аппаратурных и программных средств в ЭВМ, тенденцией аппаратурной реализации системных и специализированных программных продуктов, позволяющей достигнуть увеличение производительности, надежности, функциональной гибкости, большей приспособленности вычислительных машин и систем к эксплуатационному обслуживанию.
В последние годы мир электронных вычислительных машин значительно расширился - в нем наряду с машинами общего назначения заняли большое место супер-ЭВМ, малые ЭВМ и особенно микропроцессоры и микро-ЭВМ, персональные компьютеры.
Информация которая передается между узлами компьютера или хранится в нем, ни каким образом не должна изменяться, для это существуют, либо аппаратные, либо программные средства контроля и диагностики.
1. ОБЩАЯ ЧАСТЬ
1.1 Назначение схем контроля цифровых устройств, виды контроля для комбинационных схем
Потери времени в таких сложных объектах, как ЭВМ, в первую очередь связанны с поиском места неисправности. Важнейшим средством уменьшения потерь и повышение обслуживаемости ЭВМ является система автоматического диагностирования, позволяющая локализовать неисправность.
Чтобы уменьшить потери от сбоев и отказов, порождающих ошибки, надо предотвратить распространение ошибки в вычислительном процессе, так как в противном случае существенно усложнятся и удлинятся процедуры проверки правильности работы программы, определение и устранения искажений в программе, данных и промежуточных результатах.
Для этого необходимо обнаружить появление ошибки в выполняемых машиной преобразованиях информации возможно ближе к моменту ее возникновения. С этой целью надо иметь систему автоматического контроля правильности работы ЭВМ, которая при появлении ошибки в работе машины немедленно приостанавливает выполнение программы. Наличие такой системы освобождает от забот по контролю достоверности.
Для уменьшения времени восстановления информации следует иметь систему автоматического восстановления вычислительного процесса, распознающую характер (сбой или отказ) ошибки и при сбое автоматически восстанавливающую достоверность информации и выполнения программы, а при отказе инициирующую работу системы автоматического диагностирования ЭВМ.
Обнаружение ошибок должно производиться в машине непрерывно и, следовательно, не должно вызывать заметного снижения быстродействия машины. Поэтому эта функция возлагается на быстродействующие аппаратурные средства контроля, которые позволяют почти полностью совместить во времени выполнение основных и контрольных операций.
Необходимость в коррекции ошибок, восстановлении вычислительного процесса и диагностирования неисправностей при современном уровне надежности ЭВМ возникает достаточно редко. Поэтому целесообразно использовать для выполнения этих функций главным образом микропрограммные, а также программные средства в виде корректирующих и диагностических микропрограмм и программ. Однако чтобы эти программы не были чрезмерно сложны, предусматриваются и определенные аппаратурные средства, поддерживающие процедуры восстановления после сбоев и локализации неисправностей.
Основными характеристиками системы автоматического контроля правильности функционирования ЭВМ являются:
а) отношение количества оборудования, охваченного системой контроля, к общему количеству оборудования ЭВМ;
б) вероятность обнаружения системой контроля ошибок в функционировании ЭВМ;
в) степень детализации, с которой система контроля указывает место возникновения ошибки;
г) отношение количества оборудования системы контроля к общему количеству оборудования ЭВМ.
Основными характеристиками системы автоматического диагностирования являются:
а) вероятность правильного обнаружения места отказа;
б) разрешающая способность, равная среднему числу подозреваемых сменных блоков;
в) доля аппаратурных средств системы диагностирования в общем оборудовании ЭВМ [ 3 ].
Виды контроля комбинационных схем.
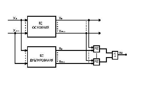
1. Контроль с помощью дублирования (рис.1).
2. Контроль с помощью обратных схем (рис.2).
На входы X0-Xn-1 приходят сигналы, которые подаются на: основную и дублирующую схемы. Далее выходные сигналы Y0-Ym-1 анализируются в блоках M2. Завершающем этапом является логические операции в логическом блоке,
Рис.1. Схема контроля построенная на основе дублирования
Рис.2. Схема контроля построенная по принципу обратной схемы
на выходе которого, сформируется сигнал (ОШ) показывающий, есть ошибка или нет.
Суть контроля с помощью обратной схемы (данный метод называется воспроизведением входных сигналов) состоит в сравнении входных сигналов основной схемы с выходными контролирующими.
1.2 Выбор и обоснование функциональной схемы, элементной базы
При работе дешифратора могут возникнуть следующие виды ошибок:
а) наличие двух или более активных сигналов на выходах дешифратора;
б) отсутствие активных сигналов на выходах дешифратора.
Схема контроля дешифратора (рис.3, рис.4) состоит из трех блоков:
