Генераторные установки переменного токаРефераты >> Технология >> Генераторные установки переменного тока
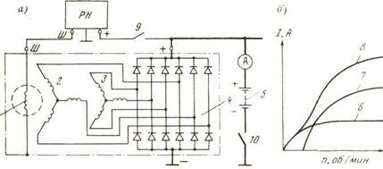
Рис. 9. Схема соединений генераторной установки с двумя автономными обмотками фаз статора (а) и характеристики генератора (б):
1 — обмотка возбуждения генератора; 2 — первая трехфазная обмотка статора; 3 — вторая трехфазная обмотка статора; 4 — выпрямительное устройсгво; 5 — аккумуляторная батарея; 6 — токоскоростная характеристика обмотки 2: 7 — токоскоростная характеристика обмотки 3; 8 — токоскоростная характеристика обеих обмоток генератора; 9 — выключатель зажигания; 10 — выключатель
Крышки 7 и 10 генератора (см. рис. 3) отливают из алюминиевого сплава методом литья в кокиль или под давлением. Посадочные места под шариковые подшипники и отверстия в кронштейнах крышек, как правило, армируют чугунными или стальными втулками. Некоторые типы генераторов этой армировки не имеют.
Пластмассовый щеткодержатель 4 (рис. 3) с щетками расположен на крышке со стороны контактных колец. В случае применения интегрального регулятора напряжения, встроенного в генератор, его располагают на щеткодержателе. Крышки имеют отверстия (не показанные на рис. 3) для проточной вентиляции в осевом направлении. Вентилятор 9 имеет два конструктивных исполнения. У некоторых типов генераторов вентилятор состоит из крыльчатки и поддона, соединенных между собой точечной сваркой, у некоторых из одной крыльчатки. Шкив 8 чугунный литой или стальной штампованный. Вентилятор и шкив соединяются с валом при помощи шпонки.
В большинстве типов автомобильных генераторов переменного тока, в том числе во всех отечественных конструкциях, выпрямительное устройство рассчитано на двухполупериодное выпрямление трехфазного тока, и имеет, следовательно, шесть вентилей.
Выпрямительные устройства имеют два исполнения: в виде единого конструктивного узла с вентилями, размещенными непосредственно в теплоотводящих элементах пластмассового основания, или в виде отдельных вентилей, запрессованных в теплоотводящие пластины. Для обеспечения интенсивного охлаждения выпрямительные устройства монтируют в крышке со стороны контактных колец.
Генератор с встроенным кремниевым выпрямителем имеет два изолированных от корпуса выводных зажима: зажим <+ > для подключения генератора к аккумуляторной батарее и нагрузке и зажим Ш для соединения обмотки возбуждения генератора с регулирующим устройством. Третьим (минусовым) зажимом является винт М (масса), служащий для соединения корпуса генератора с шасси (массой) автомобиля.
2. Принцип работы генератора
Автомобильные генераторы переменного тока относятся к синхронным электрическим машинам, потому что частота вращения ротора и частота наводимой в обмотках статора э.д.с. жестко связаны между собой отношением:
, где f - частота переменного тока, Гц; р — число пар полюсов генератора; п — частота вращения ротора, об/мин.
Важной характеристикой обмотки статора является число пазов на полюс и фазу, равное
, где Z — общее число пазов на статоре; 2р — число полюсов генератора; т — число фаз генератора.
В отечественных автомобильных генераторах применяются трехфазные обмотки с числом пазов на полюс и фазу q, равным 0, 5; 1 и 2.
|
Рис. 10. Магнитная система генератора: 1 — втулка; 2 - обмотка возбуждения: 3 — полюсные наконечники (клювы) од ной (северной) полярности; 4 — полюсные наконечники (клювы) другой (южной) полярности; 5 — статор; 6 — обмотка статора; 7 — основной магнитный поток; 8 — магнитный поток рассеяния |
Катушки обмотки статора в большинстве случаев имеют по нескольку витков, но на схемах обмотки (см. рис. 5, 6, 7, 8) они, как правило, условно изображаются одновитковыми, так как схема соединения катушек друг с другом не зависит от числа витков в катушке.
Электродвижущая сила в фазных обмотках генератора возникает при пересечении проводников обмотки статора магнитным потоком, созданным обмоткой возбуждения. При замыкании выключателя зажигания ток от аккумуляторной батареи поступает в обмотку возбуждения генератора. Вокруг обмотки возбуждения 2 возникает магнитный поток (рис. 10), рабочая часть 7 которого проходит через втулку 1 и вал, распределяется по клювообразным полюсам 3 одной полярности N, выходит из полюсов этой полярности, пересекает воздушный зазор между ротором и статором, проходит по зубцам и спинке статора 5, еще раз пересекает воздушный зазор, входит в клювообразные полюса 4 другой полярности S и замыкается через эти полюса опять на втулку 1 и вал. Часть магнитного потока, созданного обмоткой возбуждения, замыкается по воздуху мимо статора, не охватывая провода его обмотки. Эта часть магнитного потока 8 называется магнитным потоком рассеяния и в наведении электродвижущей силы в обмотке статора 6 не участвует.
При вращении ротора под каждым зубцом статора проходят попеременно то северный, то южный полюс ротора. Величина магнитного потока, проходящего через зубцы статора при этом изменяется по величине и направлению, пересекая проводники трехфазной обмотки статора, заложенной в пазы между зубцами.
Действующее (эффективное) значение электродвижущей силы, наводимой в обмотке одной фазы генератора при данной величине рабочего магнитного потока Фя .определяется по формуле
, где f — частота индуктированной э. д. с.;
w — число последовательно соединенных витков в обмотке одной фазы статора;
Фd — значение рабочего магнитного потока в воздушном зазоре генератора, Вб; Kоб — коэффициент.
|
Рис. 11. Форма клювообразного полюса |
Так как стороны одного витка катушки не всегда расположены точно на расстоянии полюсного деления (т. е. расстояния между осями смежных полюсов), то э.д.с., индуктированные в двух сторонах одного и того же витка, могут не совпадать по фазе и суммирование этих э.д.с, необходимо выполнять не арифметически, а геометрически. Это обстоятельство учитывается обмоточным коэффициентом Коб который является отношением геометрической суммы э. д.с., индуктированных в отдельных проводах обмотки, к их арифметической сумме.
Значение обмоточного коэффициента Коб зависит от числа q пазов статора генератора на полюс и фазу и равно: 0, 866 — для трехфазных генераторов при q=0, 5 (18 пазов на статоре, 12 полюсов ротора); 1, 0 — для трехфазных генераторов при q=1 (36 пазов на статоре, 12 полюсов ротора); 0, 966 — для трехфазных генераторов при q =2, 0 (72 паза на статоре, 12 полюсов ротора).
