КодированиеРефераты >> Информатика >> Кодирование
Контрольная работа по информатике : Кодирование
i P i (вероятность) - Pi log 2 P i
A 0.35 0.5301
![]()
B 0.28 0.5142
C 0.10 0.3322
D 0.09 0.3127
E 0.08 0.2915
I 0.06 0.2435
K 0.04 0.1857
Кодирование по методу Шеннона :
1) Передаваемый алфавит записывается в столбик, причем в верхней строке записывается символ алфавита, который чаще всего передается.
2) Весь алфавит делится приблизительно на две равные половинки ( сумма всех вероятностей равна единице, значит, суммы вероятностей в обоих половинках должны будут приближенно равняться ≈ 0.5 ) . Для верхнего подмножества приписываем нуль, для нижнего – единицу. Половины составляются из одного или нескольких символов.
3) Затем выделенные раньше половины продолжать надо дальше делить, до тех пор , пока в каждой группе будет только по одному символу (символы будут обособлены)
4) Записываются коды символов. Наиболее часто встречающимся символам ставят в соответствие короткие коды (битовые комбинации), а редко встречающимся – длинные. В целом мы получим более короткое представление всего текста, чем при использовании обычного кода, подобного Unicode или ASCII.
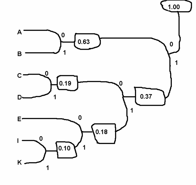
i P i (вероятность)
A 0.35 0 0
63
![]()
B 0.28 0 1
![]()
C 0.10 1 0 0
![]()
19
![]()
D 0.09 1 0 1
E 0.08 1 37 1 0
I 0.06 1 1 18 1 0
K 0.04 1 1 1 1
А – 00
В – 01
С – 100
D – 101
E – 110
I – 1110
K – 1111
5) Вычисляем эффективность кодирования:
L двоичное = 3
L среднее = 1*( 0.35 + 0.28) + 2*(0.10 + 0.9) + 3* (0.08 +0.06 +0.04) =1.55
3 – 1.55
۵= 3 = 1.45
H = 0.5301 +0.5142 +0.3322 + 0.3127 + 0.2915 +0.2435 + 0.1857 =2.4099 ≈ 2.41
H max =log 2 7 = 2.81
۵ H =
2.81- 2.41 = 0.14
2.81
Кодирование по методу Хаффмана :
A – 00
B – 01
C – 100
D – 101
E – 110
I – 1110
K – 1111
