Разработка блока управления тюнером спутникового телевиденияРефераты >> Кибернетика >> Разработка блока управления тюнером спутникового телевидения

![]()
![]()
0,1
0,1 0,2 0,3 0,4 0,5 0,6 0,7 Uбэ, В
Uбэ=0,6 В Uбэ+URN=3,1+0,6=3,7 В
Т.к. Uст=3,9 В, значит необходимо в базу транзистора включить R2
Uст=UR2+Uбэ+URN
UR2=0,2 В
R2=
=
=2 кОм.
1.3.4. Цепь резонатора микросхемы 512 ВИ1.
Данные на резонансную цепь приводятся как справочный материал (радиоежегодник 1989 г.).
Если используется резонатор на 32768 Гц, то
R16=470 кОм
R7=22 мОм
С24=10 пФ
С25=20 пФ
С26=100 пФ.
1.3.5. Расчет RC-цепи микросхемы 1533АГ3.
Из справочного материала известно, что для микросхемы 1533АГ3
вых=0,45 R
C
Нам необходимо обеспечить
вых порядка 45 мкс
Пусть R
=10 кОм, тогда С
=10 нФ.
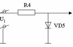
1.3.6. Расчет элементов цепи опорного напряжения.
а)
VD5 – КС191Ж
Uст=9,1 В
Iст min=0,5 мА
Icn max=14 мА
U1=-12 В
Пусть R4=390 Ом;
I=
=7,4 мА
Вывод: при данном сопротивлении полученное расчетное значение тока стабилизации равное 7,4 мА попадает в диапазон допустимых значений тока стабилизации для данного стабилитрона.
|
В) VD3 – КС162
Uст=6,2 В, U2=-12 В
|
|
Пусть R5=1,2 кОм;
I=
=4,8 мА
Вывод: при данном сопротивлении полученное расчетное значение тока стабилизации равное 4,8 мА попадает в диапазон допустимых значений тока стабилизации для данного стабилитрона.
1.4. Справочные данные.
1821ВМ85
Допустимые предельные значения:
1. Температура окружающей среды - -10![]()
С.
2. Направление на всех выводах по отношению к корпусу –
-0,5
7 В.
3. Мощность рассеивания – 1,5 Вт.
Статические параметры в диапазоне температур -10![]()
С.
| Параметр | Значение | Условия | |
|
Uвх L, В Uвх H, В Uвых L, В Uвых Н, В Iпит, мА Iутеч вх, мкА Iутеч вых, мкА UL на вх RESET,В UH на вх RESET, В | min | max |
Iвых L=2 мА Iвых H=- 400 мкА Uвх=Un 0,45Un |
| - 0,5 2,0 - 2,4
- 0,5 2,4 | 0,8 Un+0,5 0,45 170
0,8 Un+0,5 | ||
576 РФ4
Статические параметры в диапазоне температур - 10![]()
С.
| Параметр | Норма | |
|
Uвх L, В Uвх H, В Uвых L, В Uвых Н, В Iвых L, мА Iвых Н, мА Iпотр, мА Iпотр по вх. UPR,, мА | min | Max |
| 0 2,4 - 2,4 - - - - | 0,4 5,25 0,45 - 2,1 0,1 70 10 | |
Эксплуатационные параметры:
1. Время хранения информации: при наличии питания – не менее 25000 ч; при отсутствии – не менее 105 часов.
2. Un – 5 В
UPR – 5 В (считывание)
21,5 В (программирование)
3. Pпотр – не более 420 мВт.
4. tвыб.адр. – не более 300
450 мс.
