Расчет процесса конвективной сушки сыпучего материала в барабанной, вращающейся сушилкеРефераты >> Строительство >> Расчет процесса конвективной сушки сыпучего материала в барабанной, вращающейся сушилке
Внутри барабана устанавливают насадки, конструкция которых зависит от свойств высушиваемого материала. Со стороны загрузочной камеры многозапорная винтовая насадка, с числом спиральных лопастей от шести до шестнадцати в зависимости от диаметра барабана. При сушке материала с большой адгезией к поверхности на начальном участке последнего закрепляют цепи, при помощи которых разрушают камки и очищают стенки барабана. Для этой же цели могут применять ударные приспособления, расположенные с внешней стороны барабана.
В сушилках диаметром 1000 – 1600 мм для материала с хорошей сыпучестью и средним размером частиц до 8 мм устанавливают секторную насадку. В тех же сушилках, для материалов, обладающих повышенной адгезией или сыпучих материалов со средним размером частиц более 8 мм устанавливают подъемно – лопастные устройства. В сушилках диаметром 1000 – 3500 мм для материалов склонных к налипанию, но восстанавливающих сыпучие свойства в процессе сушки сначала устанавливают подъемно – лопастные перевалочные устройства, а затем секторные насадки.
Основной материал для изготовления барабанов сушилок, загрузочных и разгрузочных камер – углеродистые стали. В технически обоснованных случаях дополнительное изготовление барабанов, разгрузочных и разгрузочных камер частично или полностью из жаростойких сталей специальных марок.
Барабанные вакуумные сушилки работают, как правило, периодически и их применяют для сушки термочувствительных материалов от воды и органических растворителей, а также для сушки токсичных материалов. В зависимости от свойств материала и требований к готовой продукции применяют сушилки среднего или глубокого вакуума. Вакуумные барабанные сушилки применяют в основном в производстве полимерных материалов.
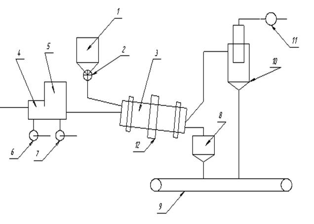
III. Принципиальная схема барабанной сушилки
1 – барабан; 2 – питатель; 3 – сушильный барабан; 4 – топка; 5 – смесительная камера; 6, 7, 11. – вентиляторы; 8 – промежуточный бункер; 9 – транспортёр; 10– циклон; 12 – зубчатая передача.
Влажный материал из бункера 1 с помощью питателя 2 попадает во вращающийся сушильный барабан 3. Параллельно материалу в сушилку подаётся сушильный агент, образующийся от сгорания топлива в топке 4 и смешения газов в смесительной камере 5. Воздух в топку и смесительную камеру подаётся вентиляторами 6,7. Высушеный материал с противоположного конца сушильного барабана 8, а из него на транспортирующее устройство 9.
Отработанный сушильный агент перед выбросом в атмосферу очищается от пыли в циклоне 10. При необходимости производится дополнительное, мокрое пылеулавливание.
Транспортировка сушильного агента через сушильную камеру осуществляется с помощью вентилятора 11. При этом установка находится под небольшим разрежением, что исключает утечку сушильного агента через неплотности упаковки.
Барабан приводится во вращение электродвигателем через зубчатую передачу 12.
Глава 1. Расчет параметров топочных газов подаваемых в сушилку.
В качестве топлива используется природный газ следующего состава (в объемных процентах):
СН4 – 98,0 %
С2Н6 – 1,0 %
С3Н8 – 0,2 %
С4Н10 – 0,3 %
CO – 0,2 %
H2 – 0,3 %
Теоретическое количество сухого газа L0 затрачиваемого на сжигание одного кг топлива равно:
L0 = 138∙(0,0179∙CO + 0,248∙H2 + ∑ [(m+n/4)/(12m+n)]CmHn ), (1)
где составы горючих газов выражены в объемных долях.
Подставив соответствующие значения, получим:
L0 = 138∙(0,0179∙0,002 + 0,248∙0,003 + 0,125∙0,98 + 0,116∙0,01 + 0,1136∙0,002 + +0,1121∙0,003) = 17,25 кг/кг
Для определения теплоты сгорания топлива воспользуемся характеристиками горения простых газов.
Таблица 2
| Газ | Реакция |
Тепловой эф – фект реакции, кДж/м3 |
|
Водород |
Н2 + 0,5О2 = Н2О |
10810 |
|
Оксид углерода (11) |
СО + 0,5 О2 = СО2 |
12680 |
|
Метан |
СН4 + 2 О2 = СО2+ 2Н2О |
35741 |
|
Ацетилен |
С2Н2 +2,5 О2 = 2СО2 + Н2О |
58052 |
|
Этилен |
С2Н4 + 3 О2= 2СО2+ 2Н2О |
59108 |
|
Этан |
С2Н6 + 3,5 О2 = 2СО2 + 3Н2О |
63797 |
|
Пропан |
С3Н8 + 5 О8 = 3СО2 + 4Н2О |
91321 |
|
Бутан |
С4Н10 + 6.5 O2 = 4CO2+ 5 H2O |
118736 |
|
Сероводород |
Н2S + 1.5O2 =S2O + H2O |
23401 |
Количество тепла QV, выделяющееся при сжигании 1 м3 газа равно:
Qν = ∑ φi ∙ Hi = 0,98∙35741 + 0,01∙63797 + 0,002∙91321 + 0,003∙118736 + 0,002∙12680 +0,003∙10810= 36260,79 (кДж/кг),
где φi – объемная доля компонентов газа;
Hi – тепловой эффект реакции (кДж/м3).
Плотность газообразного топлива:
ρt = (∑CmHn∙Mi / V0)∙(Т0 / Т0+tт), (2)
где Mi - мольная масса топлива (кмоль/кг);
tт – температура топлива; tт = 20 0 C
V0 – мольный объем; V0 = 22.4 м3/кмоль
Т0 = 273 0 К.
ρт = (0,98∙16 + 0,01∙30 + 0,002∙44 + 0,003∙58)∙273 / 22,4∙(273 + 20) = 0,6756 кг/м3
Количество тепла выделяющееся при сжигании 1 кг топлива равно:
Q = Qν / ρт = 36260/0,6756 = 53671,98 Дж∙м3
Масса сухого газа, подаваемого в сушильный барабан, в расчете на 1 кг сжигаемого топлива определяется общим коэффициентом избытка воздуха α, необходимого для сжигания топлива и разбавления топочных газов, до температуры смеси. tсм = 300 0 C
Значение α находят из уравнений материального и теплового баланса.
– Уравнение материального баланса:
1 + L0 = Lс.г + ∑9n/(12m+n)CmHn, (4)
где Lс.г. – масса сухих газов образовавшихся при сгорании 1 кг топлива;
CmHn – массовая доля компонентов, при сгорании которых
образуется вода (кг/кг).
