Расчет фундаментаРефераты >> Строительство >> Расчет фундамента
å 105,66×10-3 м
Итак, осадка фундамента S = 0,8×105,66×10-3 м = 8,85×10-2 м = 8,85 см, что меньше предельно допустимой осадки Smax = 12 см.
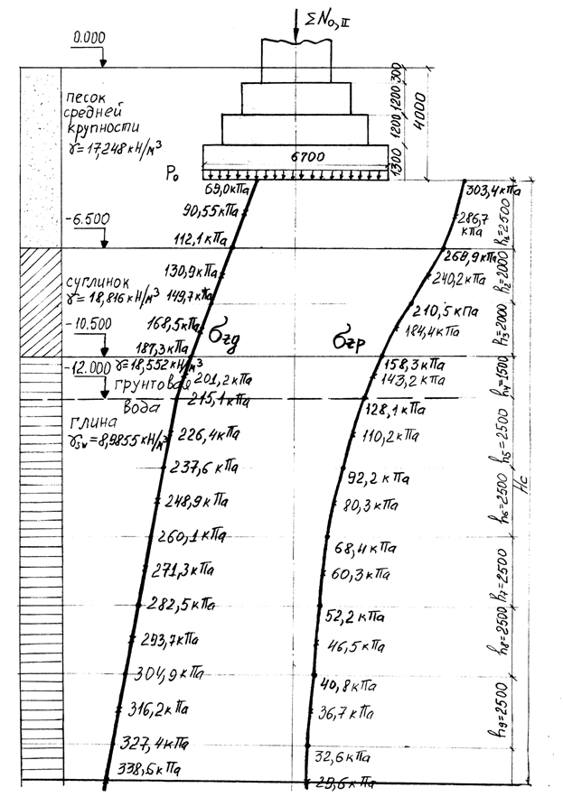
Рис. 4. Эпюра осадки фундамента мелкого заложения.
5. Расчет фундамента из забивных свай трения по предельным состояниям
5.1. Расчет и конструирование фундамента из забивных свай трения по первой группе предельных состояний
Необходимо запроектировать свайный фундамент из висячих забивных свай. Все ранее собранные нагрузки остаются без изменения. Назначаем глубину заложения подошвы ростверка свайного фундамента dр = 2,1 м, высоту ростверка hр = 1,5 м. Свая железобетонная размерами 40×40 см, длиной lсв=18 м. Для фундаментов опор мостов сваю заделывают в ростверк не менее, чем на две стороны сваи, т.е. в данном случае на 0,8 м. Допускается также заделывать сваю в ростверк с помощью выпусков арматуры, длиной, определяемой расчетом, но не менее 30ׯ продольной арматуры периодического профиля (диаметр арматуры 18 - 24 мм) плюс тело сваи должно быть заделано в ростверк не менее чем на 10 см. Высота ростверка, считая от верхних концов свай или арматурных выпусков, должна быть не менее 0,5 м для расположения не менее двух арматурных сеток, расположенных над головами свай. Тогда конструктивная высота ростверка по первому варианту hр,min = 2×0,4 м + 0,5 м = 1,3 м, - по второму варианту hр,min = 30ׯ м + 0,1 м + 0,5 м = 30×0,02 м + 0,1м + 0,5 м = 1,2 м. Назначенная толщина ростверка hр = 1,5 м достаточна по конструктивным соображениям. Вычерчиваем геологический разрез, наносим сваю с частью ростверка и необходимыми привязками (рис. 5).
Несущую способность сваи определяем по формуле:
Fd = gc×(gcR×R×A + u×ågcf×fi×hi),
где gc = 1; R = 5054,43 кПа - определяем по интерполяции согласно [16, табл.1]; A = b2 = (0,4 м)2 = 0,16 м2; u = 4×0,4 м = 1,6 м; fi - расчетное сопротивление i-го слоя грунта основания на боковой поверхности сваи, кПа, принимаемое согласно [16, табл. 2], рассчитанное по интерполяции и приведенное в табл.5; hi - толщина i-го слоя грунта, соприкасающегося с боковой поверхностью сваи, м, приведено в табл. 5 и на рис.12; gcR= 1, gcf = 1.
| Песок | hр =1,3 м | dр =1,5 м | ||||||
| мелкий | h1 = 0,5 м | |||||||
| - 2.000 | h2 = 0,5 м | |||||||
| h3 = 0,5 м | ||||||||
|
Грунтовая вода -4.000 | h4 = 0,5 м | |||||||
| Суглинок | h5 = 0,5 м | |||||||
| --4.000 | h6 = 0,5 м | |||||||
| h7 = 0,5 м | ||||||||
| Песок средней крупности | h8 = 0,5 м | |||||||
| -3.000 | h9 = 0,5 м | |||||||
| h10 = 0,5 м | ||||||||
Рис. 5. Привязка сваи к геологическому разрезу
Таблица 5
| hi,ср, м | ji, кПа | hi, м |
| h1,ср = 2,25 | j1 = 46,8 | h1 = 2,0 |
| h2,ср = 2,75 | j2 = 53,75 | h2 = 2,5 |
| h3,ср = 3,25 | j3 = 57,5 | h3 = 3,0 |
| h4,ср = 3,75 | j4 = 42,312 | h4 = 3,5 |
| h5,ср = 4,25 | j5 = 44,231 | h5 = 4,0 |
| h6,ср = 4,75 | j6 = 53,9775 | h6 = 4,5 |
| h7,ср = 5,25 | j7 = 55,969 | h7 = 5,0 |
| h8,ср = 5,75 | j8 = 58,245 | h8 = 5,5 |
| h9,ср = 6,25 | j9 = 60,521 | h9 = 6,0 |
| h10,ср = 6,75 | j10 = 62,3987 | h10 = 6,5 |
