Анализ линейной стационарной цепиРефераты >> Радиоэлектроника >> Анализ линейной стационарной цепи
Задание на проектирование
1.
2. Записать комплексную частотную характеристику цепи K (j w) и соответствующие ей амплитудно-частотную K (w) и фазочастотную j (w) характеристики.
3. По найденным аналитическим выражениям рассчитать и построить графики частотных характеристик цепи для двух значений коэффициента усиления ОУ m1 и m2. Оценить погрешность АЧХ и ФЧХ по формуле.
4. Определить импульсную h(t) и переходную g(t) характеристики цепи.
5. Рассчитать и построить графики этих характеристик для двух значений изменяемого параметра m1 и m2,. В каждом случае оценить постоянную времени t1 и t2 исследуемой цепи. Постоянная времени цепи равна модулю обратной величины полюса передаточной функции
6. Используя найденные выше временные характеристики цепи и интеграл наложения, найти реакцию цепи на импульс, изображенный на рис. 2. Параметры входного импульсного сигнала:
7.
8. Найти спектральную плотность выходного сигнала S(jw), используя спектральный метод анализа. Рассчитать и построить графики модуля и аргумента спектральной плотности для двух значений m.
9. Рассчитать и построить энергетический спектр сигнала на входе и выходе цепи. Графики спектров построить на одном рисунке.
10. Сравнить спектральные характеристики импульсного сигнала на входе и выходе цепи. Установить характер влияния коэффициента усиления операционного усилителя m на свойства выходного сигнала.
11. Оценить влияние параметров цепи на спектральные и временные характеристики выходного сигнала.
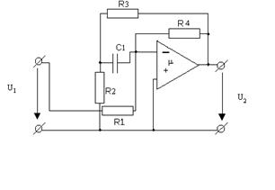
![]() |
Рис.1. Общая схема цепи.
Значения параметров элементов цепи вычисляются по формулам
R k = (m+1)*(n+1)*k, Ом, (1)
C = m + n + 2, мкФ, (2)
где k - номер ветви;
m – предпоследняя цифра зачетной книжки;
n – последняя цифра.
| m=1 | C = 6 мкФ |
R2(3) =24 Ом | R3(5) = 40 Ом |
| n=3 | Um = 1 B | R1(4) = 32 Ом | R4(6) = 48 Ом |
Коэффициент усиления операционного усилителя (ОУ) является изменяемым параметром и принимает три значения:
m1=100 ; m2=100000;
![]() |
СОДЕРЖАНИЕ
Задание на проектирование . 2
СОДЕРЖАНИЕ . 4
УСЛОВНЫЕ ОБОЗНАЧЕНИЯ, СИМВОЛЫ И СОКРАЩЕНИЯ 5
1.ОПРЕДЕЛЕНИЕ ОПЕРАТОРНОГО КОЭФФИЦИЕНТА ПЕРЕДАЧИ ЦЕПИ ПО НАРЯЖЕНИЮ 6
2. КОМПЛЕКСНО – ЧАСТОТНАЯ ХАРАКТЕРИСТИКА ЦЕПИ 7
3. ГРАФИКИ ЧАСТОТНЫХ ХАРАКТЕРИСТИК ЦЕПИ . 8
4. ПЕРЕХОДНАЯ И ИМПУЛЬСНАЯ ХАРАКТЕРИСТИКА ЦЕПИ 9
6. ОПРЕДЕЛЕНИЕ ПОСТОЯННЫХ ВРЕМЕНИ ЦЕПИ 12
ВРЕМЕННОЙ МЕТОД АНАЛИЗА 13
7. ОПРЕДЕЛЕНИЕ РЕАКЦИИ ЦЕПИ НА ИМПУЛЬС 13
8. ГРАФИКИ ВХОДНОГО И ВЫХОДНОГО ИМПУЛЬСОВ 14
9. СПЕКТРАЛЬНАЯ ПЛОТНОСТЬ ВЫХОДНОГО СИГНАЛА 15
10. ЭНЕРГЕТИЧЕСКИЙ СПЕКТР СИГНАЛА . 16
11. Характер влияния коэффициента усиления . 17
12. Влияние параметров цепи 17
ПРИЛОЖЕНИЕ . 19
Расчет значений коэффициентов полинома 19
Преобразование Лапласа для нахождения временных характеристик 19
УСЛОВНЫЕ ОБОЗНАЧЕНИЯ, СИМВОЛЫ И СОКРАЩЕНИЯ
С- емкость, Ф
R- сопротивление, кОм
a,b- коэффициенты полинома
U- напряжение, В
g(t)- переходная характеристика
h(t) - импульсная характеристика
Y(ω)- фазочастотная характеристика
K(jω)- комплексная частотная характеристика
К(р) - операторный коэффициент передачи цепи по напряжению
К(ω) - амплитудно-частотная характеристика
H(p)- операторная характеристика
L - индуктивность, Гн
р - оператор преобразования Лапласа
t - время, с
t- постоянная времени цепи, с
ω- угловая частота, рад/с
x(t)- входной сигнал
s(t) - выходной сигнал
Y- проводимость цепи, См
АЧХ - амплитудно-частотная характеристика
ФЧХ - фазо-частотная характеристика
Sвх(ω) - спектральная плотность воздействия
Sвых(ω) - спектральная плотность выходного сигнала
W(ω) - энергетический спектр
Ф(t) – функция Хевисайда (возвращает 0 при t<0, 1 при t³0)
∆(t) – функция Дирака (возвращает 0 при t≠0, ∞ при t=0)
1.ОПРЕДЕЛЕНИЕ ОПЕРАТОРНОГО КОЭФФИЦИЕНТА ПЕРЕДАЧИ ЦЕПИ ПО НАРЯЖЕНИЮ
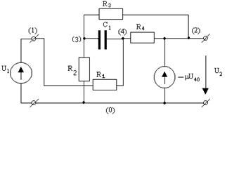
![]() |
Рис. 3. Схема замещения цепи.
Обозначим узловые напряжения в схеме замещения как U10, U20 ,U30 ,U40. Поскольку к узлам 1 и 2 подключены источники, равные соответственно U10 и U20 ,то узловые уравнения составляются только для узлов 3 и 4. Последние уравнения записываются в канонической форме и имеют вид:
Выразим из второго уравнения системы
, (3)



