Анализ электрической цепи синусоидального токаРефераты >> Радиоэлектроника >> Анализ электрической цепи синусоидального тока
Использование принципа суперпозиции для анализа электрических цепей.
Применяя принцип суперпозиции можно найти ток любой ветви или напряжение любого участка электрической цепи как алгебраическую сумму частичных токов или напряжений, вызываемых отдельным действием источников э.д.с. и тока. С помощью принципа суперпозиции (наложения) расчёт сложной цепи с несколькими источниками э.д.с. и тока можно свести к расчёту нескольких цепей с одним источником.
Для определения токов в цепи вначале полагают, что в ней действует только один источник э.д.с. (например
). При этом сопротивления всех элементов считают неизменными. Определяют частичные токи от действия этого источника. Далее проводят расчёт частичных токов от действия другого источника э.д.с. и т. д. рассматривая каждый следующий источник в отдельности и находя частичные токи от их действия. Алгебраическое суммирование частичных токов с учётом их направлений даёт значения действительных токов ветвей.
Метод расчёта электрических цепей с использованием принципа суперпозиции является довольно громоздким и поэтому применяется редко. Он целесообразен тогда, когда электрическое состояние цепи определено для каких либо источников э.д.с. и токов и требуется проанализировать электрическое состояние цепи при изменении э.д.с. или тока одного из источников. В этом случае нет необходимости вновь рассчитывать значения токов и напряжений от действия всех источников, а достаточно определить лишь частичные токи и напряжения от действия дополнительной э.д.с.
или дополнительного тока
источника, а также токи и напряжения от действия нового источника как алгебраическую сумму прежних и частичных токов и напряжений.
Метод междуузлового напряжения.
В реальных электрических цепях очень часто несколько источников и приёмников электрической энергии включаются параллельно. Схема замещения такой цепи, содержащей активные и пассивные ветви, соединённые параллельно, имеет только два узла, например узлы А и В. Для определения токов во всех ветвях достаточно найти напряжение между двумя узлами. Формулу для этого напряжения можно получить, используя принцип суперпозиции.
Частичное напряжение от действия источника тока J можно определить исходя из того, что ток J равен сумме токов всех ветвей. Далее необходимо определить частичные напряжения от действия каждого источника э.д.с. в отдельности. Таким образом, если схема содержит k источников тока и m источников э.д.с., то напряжение между узлами равно алгебраической сумме всех частичных напряжений, т.е.
Произведения
и
берут со знаком плюс, когда направление Е и J противоположны выбранному условно-положительному направлению междуузлового напряжения и со знаком минус, когда эти направления совпадают.
Зная междуузловое напряжение, легко найти токи как в пассивных, так и в активных ветвях.
2. Расчетная часть
2.1 Составление системы уравнений по законам Кирхгофа
и представление её в дифференциальной и символической
формах
Система уравнений в дифференциальной форме:
Система уравнений в символической форме:
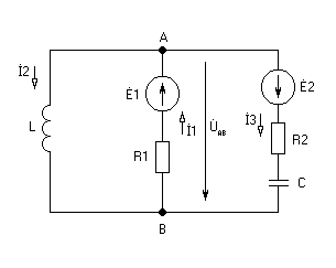
2.2 Расчёт токов в ветвях
Для расчёта токов в ветвях воспользуемся методом междуузлового напряжения.
![]()
2.3 Расчёт потенциалов точек цепи
Представим данную схему в виде:
Представим
,
и
в комплексном виде:
При построении диаграммы предположим, что
.Для определения потенциалов остальных точек цепи обойдём контур цепи в направлении, противоположном положительному направлению тока или, как принято говорить, против тока. При таком обходе контура комплексный потенциал каждой последующей точки будет определяться как сумма комплексного потенциала предыдущей точки и комплексного напряжения на элементе, включённом между ними.
Для первой ветви можно записать:
Для второй ветви:
