АТСКЭ "Квант"Рефераты >> Коммуникации и связь >> АТСКЭ "Квант"
Станция предусматривает подключение различных абонентских линий: индивидуального пользования, со спаренными телефонными аппаратами и взаимной связью удаленных линий, в которые могут быть включены телефонные аппараты с дисковым или кнопочным номеронабирателем. Абонентские линии подразделяются на категории в зависимости от их вида, типа абонентской установки, основных и дополнительных видов связи, предоставляемых абоненту, приоритета при установлении исходящей междугородной и международной связи и др.
Местные железнодорожные автоматические телефонные станции (ЖАТС) сооружаются для обслуживания абонентов подразделений Министерства путей сообщения (МПС): управлений и отделений железных дорог; железнодорожных станций; заводов, больниц, вузов и других предприятий железнодорожного транспорта.
ЖАТС должны обеспечивать для работников подразделений:
внутреннюю связь;
связь со специальными службами;
связь с абонентами других ЖАТС узла;
связь с междугородной телефонной станцией ручного обслуживания (МТС) железнодорожной сети связи;
связь с автоматически коммутируемой телефонной сетью (АКТС) междугородной связи МПС через узлы автоматической коммутации (УАК);
связь с абонентами учрежденческих телефонных станций (УАТС);
связь с абонентами городских телефонных станций (ГАТС);
связь с автоматической междугородной телефонной станцией сети общего пользования непосредственно или через ГАТС.
Структурная схема связи железнодорожного узла приведена на рис.1.1.
Структурная схема связи железнодорожного узла
Рис.1.1
Одним из важных вопросов проектирования является разработка плана нумерации узла связи и проектируемой станции.
На сети связи МПС применяется единая нумерация абонентов, линий и станций. Абонентам управления, отделений и крупных железнодорожных станций присваиваются четырехзначные номера, начинающиеся с цифр для:
управления - 4;
отделения - 3;
железнодорожной станции - 2.
![]() |
Нумерация на сети связи должна быть согласована: абоненты всех ЖАТС узла вызывают абонентов как своей, так и встречных станций единым четырехзначным номером без прослушивания повторного сигнала ОС. Для этого на АТСКЭ "Квант" предусмотрена возможность гашения и восстановления от одной до трех первых цифр номера как при входящей, так и при исходящей связи с другими станциями.
Нумерация абонентских линий малых АТС может быть трехзначной или четырехзначной. Для выхода на УАТС выбираем вариант с набором индекса выхода 7 и затем абонентского номера. Оборудование и программное обеспечение АТСКЭ "Квант" не предусматривает подачу повторного сигнала ОС после набора индекса выхода, кроме связи с АМТС. При входящей связи от УАТС, МТС и других станций сети абоненту может быть подан сигнал “ответ станции” (ОС) при подключении "Кванта".
Для выхода на ЖАТС2 выбираем вариант с набором индекса выхода 3 и затем абонентского номера.
Для выхода на сеть связи общего пользования (ГАТС) выбираем цифру 9, после чего набирается полный шестизначный номер городского абонента, который транслируется в приборы ГАТС. Для выхода на АМТС принимаем варианты набора индекса 8, после чего дается повторный сигнал ОС. Затем набирается трехзначный код вызываемого пункта и зоновый (5 знаков) или междугородный (7 знаков) номер вызываемого абонента.
Для обеспечения входящей связи от сети общего пользования следует учитывать, что абонент ГАТС набирает число цифр номера принятое на сети – в данном проекте – шесть. После занятия соединительной линии на проектируемую АТС должны транслироваться четыре цифры номера абонента проектируемой ЖАТС.
Для выхода на УАК принимаем цифру 0, после чего набирается трехзначный код вызываемого пункта сети АКТС и четырехзначный номер вызываемого абонента.
Линиям специальной связи присваиваются номера:
стол справок ЖАТС – 1-31;
стол заказов МТС – 1-21.
Оборудование АТСКЭ "Квант" позволяет транслировать и принимать цифры номера по соединительным линиям со встречными АТС декадным или многочастотным кодом.
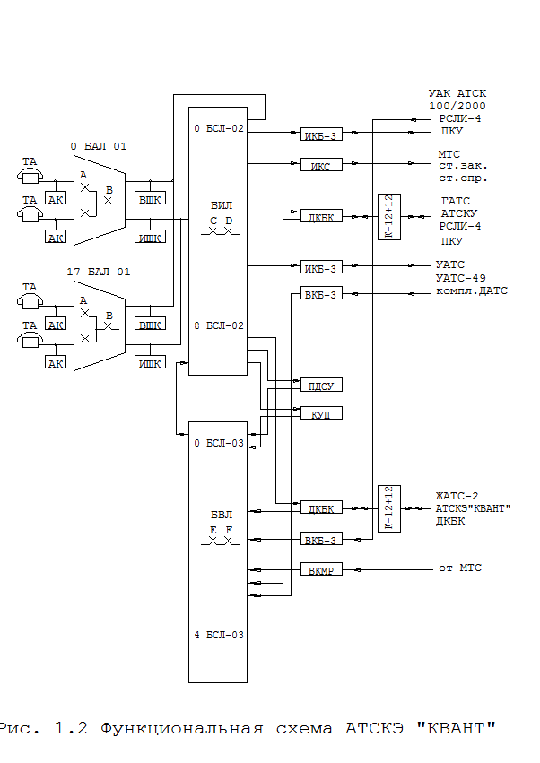
Функциональная схема АТСКЭ "Квант" приведена на рис. 1.2.
Разработанная система нумерации станции приводится в таблицах по форме табл.1.1 и табл.1.2.
Таблица 1.1
Система нумерации (исходящая связь)
| Наименование АТС | Нумерация | Номер, набираемый абонентом | Номер, транслируемый по СЛ | Тип трансляции |
| ЖАТС 1 | 4000-5120 | — | — | — |
|
ЖАТС 2 |
ХХХ |
3ХХХ |
ХХХ |
МЧК |
| УАТС | XXX | 7XXX | XXX | ДБК |
| ГАТС | XXXXXX | 9XXXXXX | XXXXXX | МЧК |
| Стол заказов | — | 121 | — | — |
| Стол справок | — | 131 | — | — |
| УАК | ABC | 0ABCXXXX | ABCXXXX | ДБК |

