Проектирование системы сбора данныхРефераты >> Программирование и компьютеры >> Проектирование системы сбора данных
Функциональная блок-схема интегральной микросхемы ADM 202E представлена на рис.2
Функциональная блок-схема интегральной микросхемы ADM 202E
Рисунок. 2
4.3 Выбор АЦП.
В качестве аналого-цифрового преобразователя послужила интегральная микросхема фирмы Analog Devices – AD7890-2. Выбор данной микросхемы был произведен исходя из ТЗ
Основные характеристики:
• 12-разрядный АЦП, время преобразования 5.9 мкс
• Восемь входных аналоговых каналов
• Входной диапазон :
от 0 В до +2.5 В
• Раздельный доступ к мультиплексору и к АЦП
• Встроенный источник опорного напряжения +2.5 В (возможно подключение внешнего.)
• Высокая скорость, «гибкость», последовательный интерфейс
• Низкая потребляемая мощность (50 мВт максимум)
• Режим пониженного энергопотребления (75 мкВт).
Функциональная блок-схема интегральной микросхемы AD 7890-2 представлена на рис.3
Функциональная блок-схема интегральной микросхемы AD 7890-2
Рисунок 3
4.3.1 Расчет погрешности вносимой АЦП.
Аналого-цифровой преобразователь вносит следующие виды погрешностей:
· нелинейности (погрешность нелинейности- это максимальное отклонение линеаризованной реальной характеристики преобразования от прямой линии, проходящей через крайние точки этой характеристики преобразования АЦП.);
· дифференциальной нелинейности(погрешность дифференциальной нелинейности- это отклонение фактической разности уровней (входного сигнала АЦП), соответствующим двум соседним переключениям кода, от идеального значения этой разности, равной 1 МЗР. Для идеального АЦП разница уровней между соседними переключениями кода в точности равна 1 МЗР.);
· погрешность полной шкалы (погрешность полной шкалы- это отклонение уровня входного сигнала, соответствующего последнему переключению кода от идеального значения, после того как была откорректирована погрешность биполярного нуля.);
В табл. 4 приведены погрешности взятые из каталога, на интегральную микросхему AD7890 фирмы Analog Devices
Таблица 4
Основный погрешности интегральной микросхемы AD7890
|
Вид погрешности |
Значение |
% |
|
Интегральная нелинейность |
±1 МЗР |
0.0244 |
|
Дифференциальная нелинейность |
±1 МЗР |
0.0244 |
|
Полной шкалы |
±2.5 МЗР |
0.061 |
|
Общая(DАЦП) |
0,1098 |
4.4 Выбор сторожевого таймера.
Т.к. работа системы происходит в автономном режиме и не предусматривает работу оператора с ней, то для случая зависания микро-ЭВМ в схему системы сбора данных добавляется интегральная микросхема MAX690AMJA – сторожевой таймер. Выполняющая две основные функции: выведение МП из состояния зависания и сброс МП при включении питания.
Основные характеристики интегральной микросхемы МАХ690AMJA:
• Время сброса: 200 мС
• Рабочий диапазон напряжения питания: от 1 до 5.5 В
• Ток потребления: 200 мкА
• температурный диапазон эксплуатации: от –55 до +125 °C.
4.5 Выбор интегральной микросхемы операционного усилителя
Нормирующий усилитель выполнен на аналоговой микросхеме OP-27А (операционный усилитель), исполненной в восьми контактном DIP-корпусе. Основные хар-ки операционного усилителя OP-27A приведены в табл.5.
Таблица 5
Основные характеристики аналоговой микросхемы ОР-27А
|
Напряжение питания (UПИТ)В: |
V+ |
V- |
|
22 |
-22 | |
|
Напряжение смещения (UСМ)мкВ: |
25 макс. | |
|
Ток смешения (IСМ)нА |
±40 макс. | |
|
Ток сдвига (IСДВ)нА |
35 макс. | |
|
Коэффициент озлобления синфазного сигнала (КООС) |
501190 макс. (144 Дб) | |
|
Коэффициент усиления при разомкнутой обратной связи |
1800000 | |
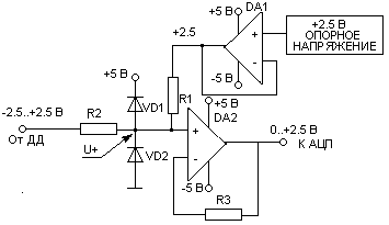
В систему сбора данных входят три линейных и один нелинейный датчики давления. Выходной диапазон напряжения нелинейного датчика давления составляет -2.5 +2.5, в входной диапазон АЦП – 0 +2.5. Согласовать уровни напряжения выхода датчика давления и входа АЦП можно с помощью схемы представленной на рис. 4. Данная схема состоит из: операционного усилителя – DA1, повторителя напряжения – DA2, схемы смещения – R1 и R2, схемы защиты – VD1 и VD2 Для того чтобы не нагружать источник опорного напряжения[1] в состав схемы нормирующего усилителя вводится повторитель напряжения. Данная схема вносит в ССД погрешность.
Нормирующий усилитель
R1,R2 – 40 КОм,
R3 – 20 КОм.
VD1, VD2 – схема защиты
Рисунок 4
4.5.1 Расчет погрешностей нормирующего усилителя
Суммарная погрешность нормирующего усилителя складывается из погрешности напряжения смещения (DUсм), погрешности тока сдвига (DIсдв), погрешности обратного тока диодов (В схеме защиты используются диоды марки 1N914A с обратным током утечки IД ОБР.=25 нА. Рассмотрим худший случай, когда IД ОБР.== 2*IД ОБР.) (DIд обр.), погрешности КООС (DКООС), погрешности разброса параметров сопротивлений от номинального значения (DR1 R2 MAX).
Оценка погрешности от напряжения смещения (DUсм)
DUсм= Uсм*Ку
где Ку – коэффициент усиления (в нашем случае Ку=1)
DUсм=25 мкВ
DUсм%=
DUсм%=0.001 %
Оценка погрешности от обратного тока диодов (DIд обр )
U+д= IД ОБР.*R2
U+д=0.002
DIд обр= U+д*Ку
DIд обр=2 мВ
DIд обр%=
DIд обр%=0.0016
Оценка погрешности от КООС (DКООС)
,
