Микропроцессор AonZ80Рефераты >> Программирование и компьютеры >> Микропроцессор AonZ80
При ВА4 = 0, ток протекает через базу VT6, обеспечивая его работу в режиме усиления. Усиленный сигнал снимается с коллектора VT6, куда и подключается динамическая головка. R34, R35 задают необходимый режим работы VT6 по постоянному току. VD28 - германиевый диод типа Д9 с любым буквенным обозначением. Это требование объясняется тем, что необходимо надежно зашунтировать VT6, а как известно, именно германиевые диоды обладают наименьшим сопротивлением прямого p-n перехода.
Отдельно рассмотрим цепь формирователя звука из телефонной линии.
C15 - служит для фильтрации переменной составляющей сигналов телефонной линии
R29 - ограничитель тока VD25
VD25, VD26 - амплитудный ограничитель
VD27 - выполняет функцию блокировки звука
Ток из телефонной линии протекает на усилитель по цепи C15-R29-R30. Ho схемотехническое решение АОНа таково, что поступая от других источников, звуковые сигналы могут ответвляться в телефонную линию, что искажает алгоритм работы АОНа по формированию только необходимых сигналов. Для блокировки этого явления используется VD27. Подавая на ВС7 лог. 1 в необходимое время, мы шунтируем этот сигнал. Как и все шунтирующие диоды, в качестве VD27 предпочтительно использовать германиевый (Д9). Величина утечки и искажений полностью зависят от правильности подбора параметров применяемых резисторов и диодов.
Выпрямитель
Предназначен для создания необходимой нагрузки для телефонной линии (R17,C9). Это позволяет несколько снизить высокочастотный шум в линии и обеспечивает универсальность подключения (VD14-VD17) к клеммам, независимо от полярности.
Узел реализован на элементах: R17,C9,VD14-VD17, R18.
R17 - 4,3-6,8 кОм;
С9 - 0,15мкф - должен быть рассчитан на работу с напряжением до 160V;
VD14-VD17 - диодный мост или отдельные диоды, рассчитанные на Upa6-l60V.
R18 - 200-ЗОО кОм - нагрузка для схемы формирования звука. При его отсутствии в режиме «прослушивание разговора» становится возможным только при поднятой трубке, тогда как его наличие - в любом: поднятом или опущенном состоянии трубки любого из подключенных к телефонной сети аппаратов.
Разговорная схема
Разговорная схема функционально состоит из собственно противоместной разговорной схемы и согласующего каскада.
Разговорная схема
Определители монтируют в различные телефонные корпуса и, как правило, используют уже существующие разговорные схемы, многие из которых приводились ранее. Поэтому коротко покажем только два наиболее характерных типа:
I. Аппараты, использующие трансформаторную согласующую схему (см. общую схему ТА на Z80).
II. Аппараты, использующие электронные схемы согласования.
Согласующий каскад
Схема АОНа предусматривает подключение его к телефонной линии только под управлением микропроцессора. При снятии абонентом телефонной трубки ЦП, опрашивая состояние узла «Определение положения трубки» через порт ввода/вывода D6 (ВВ2), определяет во время обработки прерывания, что трубка телефона снята, и подключает разговорную схему выдачей на порт ввода/вывода D6 (ВСЗ) сигнала лог. 1.
Разговорная схема является высоковольтным (до 120V) аналоговым элементом схемы АОНа, в то время как микропроцессор с портами ввода/вывода - низковольтным (до 5V). Поэтому для совместной работы используется согласующий каскад на инвертирующем элементе D1.4 (D1.6), ключевом каскаде - VT4, R14, VD11, C5 (выполняет роль защиты от ВЧ помех).
заключение
В данной работе был рассмотрен принцип действия основных узлов телефонного сервера на Z80. А именно центральный процессор, постоянная память, временная память, таймер, порт ввода-вывода, задающий генератор, компаратор.
Использование процессора Z80 позволило упростить схемное решение благодаря целому ряду положительных качеств. А именно:
— достаточно низкое потребление энергии;
— один источник питания;
— высокое быстродействие;
— легкость программирования.
Данная БИС выполнена по n-канальной МОП-технологии с кремниевыми затворами и работает от одного источника питания +5V. Все входы и выходы TTL-совместимы. ЦП Z80A позволяет работать с памятью общим объемом до 64К. Память имеет байтовую структуру. Возможна прямая адресация в памяти любого байта. При обращении к памяти используется шестнадцатиразрядный адрес. Набор команд Z80A является расширенным набором команд 18080, поэтому Z80A может выполнять программы, написанные для 18080.
Также использование процессора Z80 во многом определяет надежность этого устройства. В данном случае использование в схеме аппаратного и программного сброса предотвращает потерю информации при падении напряжения питания, что предотвращает неконтролируемую работу микропроцессора при переходных процессах.
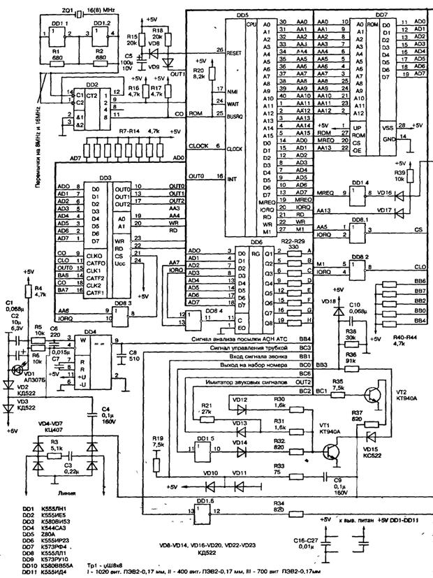
К данной работе прилагается принципиальная схема, схемы конкретных узлов, осциллограммы процессора Z80 (ПЗУ не установлена), осциллограммы в характерных точках схемы.
литература
1. Справочник: Интегральные микросхемы, Микросхемы для телефонии М.:ДОДЕКА, 1994г.
- Бунцев Н.И. Серия. Автоматический определитель номера М.: Центр СКС, 1993-95гг.
- Журнал "Радио" 1993-95гг.
- Журнал "Радиолюбитель" 1991-95гг.
приложение
схема принципиальная АОН на Z80
приложение
схема принципиальная АОН на Z80
приложение
Микропроцессор Z80A
К573РФ4А (К537РФ6А, I2764)
I27128
К573РФ8А (I27256)
К537РУ10
К537РУ17
КР580ВИ53
КР580ВВ55А
Функциональное назначение каналов КР580ВВ55А
Узел сброса
Схемы задающего генератора
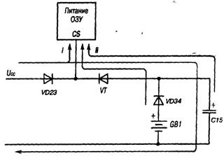
Функциональная схема формирования выборки ОЗУ
Схема узла выборки
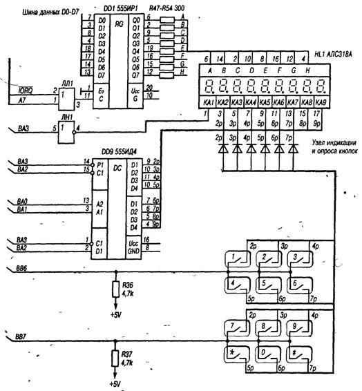
Принципиальная схема узла индикации и опроса клавиатуры
