Синтез логических схем для хранения и переработки информации. ЗадачиРефераты >> Программирование и компьютеры >> Синтез логических схем для хранения и переработки информации. Задачи
![]()
![]()
1
На основе полученных логических выражений и синтезированной схемы можно получить логическое выражение и схему для i-го триггера.
![]()
Di = SL/R* Qi - 1 SL/R* Qi + 1
На основе полученного выражения можно построить схему заданного регистра.
Задача№2
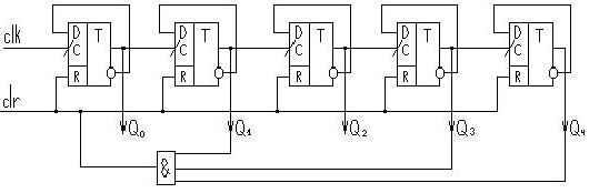
Синтез асинхронного двоичного счётчика, выполняющего прямой счёт, с модулем счёта равным 26, используя триггеры типа D.
Решение
Самыми простыми двоичными счётчиками являются асинхронные двоичные счётчики(АДС).Пусть к=3, тогда АДС с М=2^3 будет выглядеть:
Представленная схема является схемой АДС, обеспечивающего суммирование входных импульсов ( с прымым счётом).
Представленная временная диаграмма поясняет работу асинхронного 3-х разрядного счётчика.
Таблица переходов для прямого счёта записывается так:
000 Младший триггер счётчика срабатывает по срезу входных
001 импульсов на линии clk. Как видно из диаграммы состояние
010 на выходе младшего триггера меняется после каждого среза
011 входных синхроимпульсов.Так как средний триггер
100 синхронизируется прямым выходом соседнего младшего
101 триггера, то состояние на его выходе будет менятся при
110 формировании среза на выходе Q0 .Так же как и на Q2 .
111
Преимуществом этой схемы является простота структуры,наряду с этим есть огромный недостаток: с ростом разрядности, то есть числа триггеров счётчика, возрастает суммарная задержка срабатывания самого старшего триггера счётчика, что означает необходимость уменшения частоты входных синхроимпульсов. Иначе говоря, в АДС невозможно обеспечить высокие рабочие частоты.
Если вход синхронизации соседнего старшего триггера пдключить к обратному выходу соседнего триггера, то счётчик станет вычитающим. В этом случае говорят,что имеет место обратный счёт.
Осуществим синтез заданного АДС:
Определим количество триггеров log2 26=5.
Переведём число 26 из десятичной системы счисления в двоичную: 262 = 110102 .
Изобразим схему заданного АДС:
Задача№3
Синтез синхронного двоичного счётчика, выполняющего обратный счёт, с модулем счёта равным 14, используя триггеры типа JK и логику И-НЕ.
Решение
Используем триггеры типа JK.
1) Определим количество триггеров.
M = log2 14 = 4
2) ![]()
Строится таблица переходов счётчика. При этом ипсользуется таблица переходов соответствующего триггера.
J = 1 запись 1 J = 0 хранение.Выход не
K = 0 K = 0 меняется
![]()
![]()
![]()
J = 0 запись 0 (сброс) J = 1 0 1
K = 1 K = 1 1 0
|
Qt |
Qt+1 |
J |
K |
|
0 |
0 |
0 |
* |
|
0 |
1 |
1 |
* |
|
1 |
0 |
* |
1 |
|
1 |
1 |
* |
0 |
Для счётчика с к = 14 таблица переходов будет выглядеть следующим образом:
|
Q3 |
Q2 |
Q1 |
Q0 |
Q3' |
Q2' |
Q1' |
Q0' |
J3 |
K3 |
J2 |
K2 |
J1 |
K1 |
J0 |
K0 |
|
0 |
0 |
0 |
0 |
1 |
1 |
0 |
1 |
1 |
* |
1 |
* |
0 |
* |
1 |
* |
|
1 |
1 |
0 |
1 |
1 |
1 |
0 |
0 |
* |
0 |
* |
0 |
0 |
* |
* |
1 |
|
1 |
1 |
0 |
0 |
1 |
0 |
1 |
1 |
* |
0 |
* |
1 |
1 |
* |
1 |
* |
|
1 |
0 |
1 |
1 |
1 |
0 |
1 |
0 |
* |
0 |
0 |
* |
* |
0 |
* |
1 |
|
1 |
0 |
1 |
0 |
1 |
0 |
0 |
1 |
* |
0 |
0 |
* |
* |
1 |
1 |
* |
|
1 |
0 |
0 |
1 |
1 |
0 |
0 |
0 |
* |
0 |
0 |
* |
0 |
* |
* |
1 |
|
1 |
0 |
0 |
0 |
0 |
1 |
1 |
1 |
* |
1 |
1 |
* |
1 |
* |
1 |
* |
|
0 |
1 |
1 |
1 |
0 |
1 |
1 |
0 |
0 |
* |
* |
0 |
* |
0 |
* |
1 |
|
0 |
1 |
1 |
0 |
0 |
1 |
0 |
1 |
0 |
* |
* |
0 |
* |
1 |
1 |
* |
|
0 |
1 |
0 |
1 |
0 |
1 |
0 |
0 |
0 |
* |
* |
0 |
0 |
* |
* |
1 |
|
0 |
1 |
0 |
0 |
0 |
0 |
1 |
1 |
0 |
* |
* |
1 |
1 |
* |
1 |
* |
|
0 |
0 |
1 |
1 |
0 |
0 |
1 |
0 |
0 |
* |
0 |
* |
* |
0 |
* |
1 |
|
0 |
0 |
1 |
0 |
0 |
0 |
0 |
1 |
0 |
* |
0 |
* |
* |
1 |
1 |
* |
|
0 |
0 |
0 |
1 |
0 |
0 |
0 |
0 |
0 |
* |
0 |
* |
0 |
* |
* |
1 |
|
1 |
1 |
1 |
0 |
0 |
0 |
0 |
0 |
* |
1 |
* |
1 |
* |
1 |
0 |
* |
|
1 |
1 |
1 |
1 |
0 |
0 |
0 |
0 |
* |
1 |
* |
1 |
* |
1 |
* |
1 |
